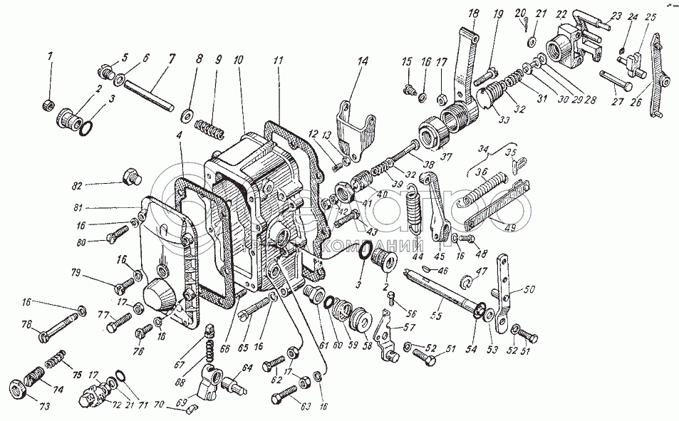
Каталог запасных частей к технике: ЯЗДА ТНВД-135, 175, 185. Крышка регулятора частоты вращения

zoom-in zoom-out enlarge shrink circle-right circle-left file-text2 info cart arraw right arraw left zoom out zoom in arraw maximize arraw minimize
1
2
2
3
3
4
5
6
7
8
9
10
11
12
13
14
15
16
16
16
16
16
16
16
16
17
17
17
17
18
19
20
21
21
22
23
24
25
26
27
28
29
30
31
32
32
33
34
35
36
37
38
39
40
41
42
43
44
45
46
47
48
49
50
51
51
52
52
53
54
55
56
57
58
59
60
61
62
63
64
65
66
66
67
68
69
70
71
72
73
74
75
76
77
78
79
80
81
82
175.1110130
Кулиса в сборе
В узле: 1
1
313955-П29
Заглушка
В узле: 1
2
236Т-1110476-Б
Втулка вала
В узле: 2
3
25 3111 3064
Кольцо
В узле: 2
4
236-1110499-А3
Прокладка крышки
В узле: 1
5
852369-П29
Винт-заглушка
В узле: 2
6
852205
Шайба
В узле: 2
7
236-1110088
Ось рычагов
В узле: 1
8
312700
Шайба
В узле: 1
9
236-1110089
Пружина компенсационная
В узле: 1
10
60.1110129
Крышка регулятора
В узле: 1
11
236-1110154-А
Прокладка крышки
В узле: 1
12
852364-П15
Винт
В узле: 1
13
250511-П15
Гайка
В узле: 1
14
60.1110080
Рычаг двуплечий
В узле: 1
15
852351-П15
Винт стопорный
В узле: 1
16
252154-П29
Шайба
В узле: 15
17
250508-П29
Гайка
В узле: 10
18
805.1110406
Рычаг регулятора
В узле: 1
19
852350-П15
Винт
В узле: 1
20
158012-П15
Шплинт
В узле: 3
21
312370-П29
Шайба
В узле: 2
22
60.1110263
Втулка корректора
В узле: 1
23
60.1110266
Рычаг корректора в сборе
В узле: 1
24
60.1110418
Шайба упорная
В узле: 1
25
60.1110223-02
Кулиса корректора
В узле: 1
26
60.1110441-01
Рычаг рейки в сборе
В узле: 1
27
852780
Палец
В узле: 1
28
236-1110140
Шайба
В узле: 4
29
236-1110141
Шайба
В узле: 4
30
807.1110264
Упор пружины
В узле: 1
31
185.1110414
Пружина корректора
В узле: 1
32
312652-П15
Шайба
В узле: 6
33
852881-П
Пробка
В узле: 1
34
60.1110438
Пружина рычага рейки в сборе
В узле: 1
35
60.1110449
Зацеп пружины
В узле: 1
36
60.1110448
Пружина рычага рейки
В узле: 1
37
852503-П15
Гайка
В узле: 1
38
185.1110412
Корректор
В узле: 1
39
421.1110414
Пружина корректора
В узле: 1
40
240Б-1110416
Корпус пружины корректора
В узле: 1
41
311512-П15
Гайка
В узле: 1
42
852517-П15
Гайка
В узле: 2
43
852372
Винт регулировочный
В узле: 1
44
90.1110462-10
Пружина регулятора
В узле: 1
45
60.1110466
Рычаг пружины
В узле: 1
46
314003-П
Шпонка
В узле: 1
47
236-1110471
Кольцо пружинное упорное
В узле: 1
48
45 9346 5503
Болт
В узле: 1
49
423.1110454-01
Тяга рейки в сборе
В узле: 1
50
236Т-1110151
Рычаг управления регулятором
В узле: 1
51
201418-П29
Болт
В узле: 2
52
252134-П29
Шайба
В узле: 2
53
312347-П29
Шайба
В узле: 3
54
236-1110482
Кольцо уплотнительное
В узле: 1
55
902.1110467-10
Вал рычага пружины
В узле: 1
56
852006-П29
Болт
В узле: 1
57
185.1110380
Рычаг останова с поводком в сборе
В узле: 1
58
236Т1110398
Крышка возвратной пружины
В узле: 1
59
236Т-1110396
Пружина возвратная
В узле: 1
60
25 3111 0239
Кольцо уплотнительное оси кулисы
В узле: 1
61
236Т-1110134-Б
Ввертыш оси кулисы
В узле: 1
62
852020-П29
Болт регулировочный
В узле: 1
63
852018-П29
Болт регулировочный
В узле: 1
64
236-1110136-Б
Ось кулисы
В узле: 1
65
852381-П29
Винт крепления крышки регулятора
В узле: 4
66
175.1110200
Винт регулировочный
В узле: 1
66
236-1110200
Винт регулировочный
В узле: 1
67
236-1110372-Б
Фиксатор кулисы
В узле: 1
68
175.1110227
Пружина фиксатора
В узле: 1
69
60.1110132
Кулиса
В узле: 1
70
60.1110220-02
Ползун кулисы
В узле: 1
71
25 3111 2013
Кольцо
В узле: 1
72
852920
Гайка колпачковая
В узле: 1
73
311511-П29
Гайка
В узле: 1
74
6007.1110492-10
Корпус буферной пружины
В узле: 1
75
236-1110490
Пружина буферная
В узле: 1
76
310611-П29
Винт
В узле: 1
77
852003- П29
Болт регулировочный
В узле: 1
78
310612- П29
Винт крепления крышки регулятора
В узле: 1
79
310600- П29
Винт крепления крышки смотрового люка
В узле: 1
80
852380- П29
Винт крепления крышки смотрового люка
В узле: 3
81
60.1110498-01
Крышка смотрового люка
В узле: 1
82
852880- П29
Пробка
В узле: 1
Содержащиеся в справочниках-каталогах запасные части и детали не предлагаются к продаже, а носят исключительно информационный характер

Ваша заявка была отправлена. В ближайшее время наши специалисты с Вами свяжутся по указанному Вами телефону.

Представьтесь
Поле обязательно для заполнения
Ваш телефон
Введите правильный номер телефона
E-mail
Введите правильный e-mail
Тема
Тема
применяемость финансирование доставка цена, наличие другое сервис и гарантия
Время для звонка
08:00
08:00 09:00 10:00 11:00 12:00 13:00 14:00 15:00 16:00 17:00 18:00 19:00
19:00
08:00 09:00 10:00 11:00 12:00 13:00 14:00 15:00 16:00 17:00 18:00 19:00

Мы постараемся перезвонить в указанное время

Если вы не хотите ждать, то звоните нашим вежливым консультантам:

8 800 100-2-700
Подтвердите, что вы не робот
Подтвердите, что вы не робот
Спасибо!

Ваше сообщение успешно отправлено!

ЗакрытьПовторить попытку