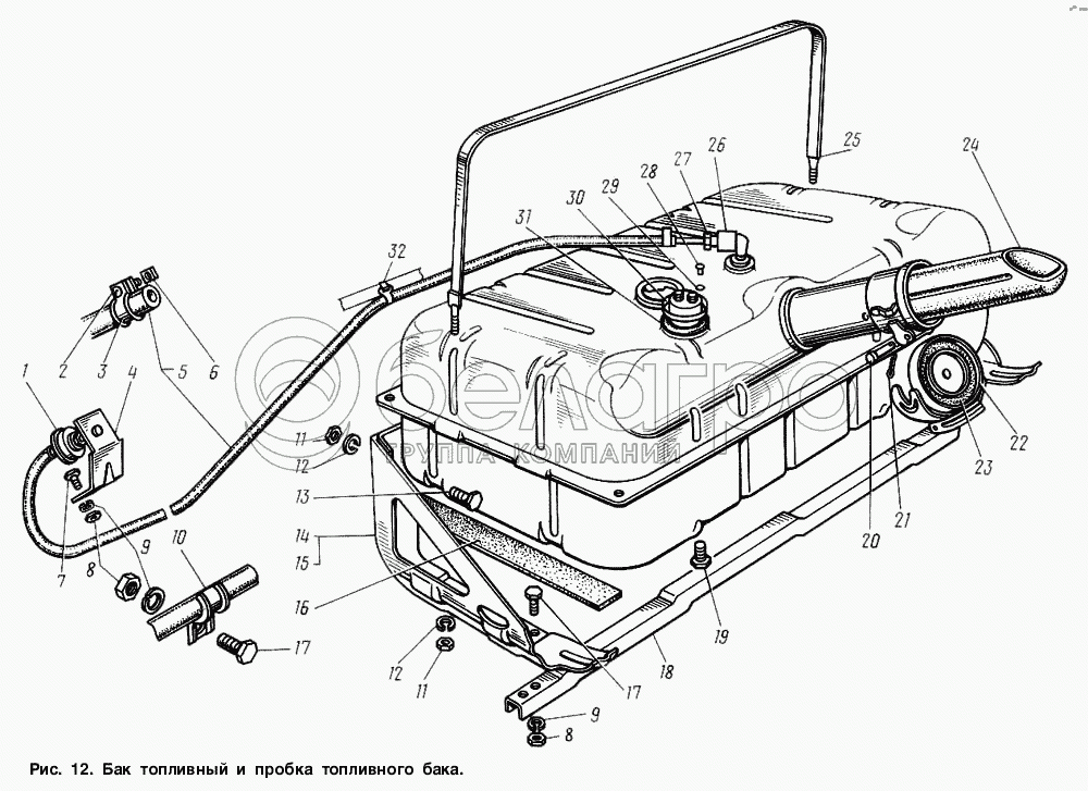
Каталог запасных частей к технике: ГАЗ-3307. Бак топливный и пробка топливного бака

zoom-in zoom-out enlarge shrink circle-right circle-left file-text2 info cart arraw right arraw left zoom out zoom in arraw maximize arraw minimize
1
2
3
4
5
6
7
8
8
8
8
9
9
9
9
10
11
11
11
12
12
12
13
14
15
16
17
17
17
18
19
20
21
22
23
24
25
26
27
28
29
30
31
32
1
66-01-1101281
Клапан топливного бака в сборе
В узле: 1
2
222476-П29
Винт М4-6gх20 ОСТ 37.001.128-96
В узле: 2
3
297402-П29
Хомут 12
В узле: 2
4
3307-1101372
Кронштейн крепления клапана в сборе
В узле: 1
5
3307-1101079
Трубка воздушная
В узле: 1
6
251082-П29
Гайка М4-6Н ОСТ 37.001.112-91
В узле: 2
7
201452-П29
Болт М8-6gх12 ОСТ 37.001.123-96
В узле: 2
8
250510-П29
Гайка М8-6Н ОСТ 37.001.124-93
В узле: 1
8
250510-П29
Гайка М8-6Н ОСТ 37.001.124-93
В узле: 2
8
250510-П29
Гайка М8-6Н ОСТ 37.001.124-93
В узле: 8
9
252155-П2
Шайба 8Л ОСТ 37.001.115-75
В узле: 2
9
252155-П2
Шайба 8Л ОСТ 37.001.115-75
В узле: 8
9
252155-П2
Шайба 8Л ОСТ 37.001.115-75
В узле: 1
10
66-1104147
Скоба
В узле: 2
11
250512-П29
Гайка М10-6Н ОСТ 37.001.124-93
В узле: 4
11
250512-П29
Гайка М10-6Н ОСТ 37.001.124-93
В узле: 6
12
252136-П2
Шайба 10 ОТ ОСТ 37.001.115-75
В узле: 4
12
252136-П2
Шайба 10 ОТ ОСТ 37.001.115-75
В узле: 6
13
201497-П29
Болт М10-6gх25 ОСТ 37.001.123-96
В узле: 6
14
4301-1101117
Кронштейн крепления бака передний
В узле: 1
15
4301-1101102
Кронштейн крепления бака задний
В узле: 1
16
51П-1102120-Б
Прокладка
В узле: 2
17
201454-П29
Болт М8-6gх16 ОСТ 37.001.123-96
В узле: 1
17
201454-П29
Болт М8-6gх16 ОСТ 37.001.123-96
В узле: 8
18
51П-1102107-Б
Планка защитная
В узле: 2
19
4301-1101370
Пробка сливная
В узле: 1
20
260021-П29
Палец 6х42 ОСТ 37.001.163-97
В узле: 1
21
258013-П29
Шплинт 2х16 ОСТ 37.001.171-93
В узле: 1
22
66-11-1103010-10
Пробка топливного бака в сборе
В узле: 1
23
66-01-1103075
Прокладка пробки бензинового бака
В узле: 1
24
4301-1101240
Труба выдвижная в сборе
В узле: 1
25
51П-1102110-Б
Хомут в сборе
В узле: 2
26
3102-1101281-01
Клапан
В узле: 1
27
4301-1101278
Трубка в сборе
В узле: 1
28
224598-П29
Винт М5-6gх12 ОСТ 37.001.130-81
В узле: 5
29
293196-П
Шайба 5,5 ГОСТ 11371-78
В узле: 5
30
16.3827600
Датчик указателя уровня топлива в сборе
В узле: 1
31
12-1104022
Прокладка датчика и фланца
В узле: 1
32
49-3724527
Поясок крепления жгута проводов
В узле: 1
Содержащиеся в справочниках-каталогах запасные части и детали не предлагаются к продаже, а носят исключительно информационный характер

Ваша заявка была отправлена. В ближайшее время наши специалисты с Вами свяжутся по указанному Вами телефону.

Представьтесь
Поле обязательно для заполнения
Ваш телефон
Введите правильный номер телефона
E-mail
Введите правильный e-mail
Тема
Тема
применяемость финансирование доставка цена, наличие другое сервис и гарантия
Время для звонка
08:00
08:00 09:00 10:00 11:00 12:00 13:00 14:00 15:00 16:00 17:00 18:00 19:00
19:00
08:00 09:00 10:00 11:00 12:00 13:00 14:00 15:00 16:00 17:00 18:00 19:00

Мы постараемся перезвонить в указанное время

Если вы не хотите ждать, то звоните нашим вежливым консультантам:

8 800 100-2-700
Подтвердите, что вы не робот
Подтвердите, что вы не робот
Спасибо!

Ваше сообщение успешно отправлено!

ЗакрытьПовторить попытку