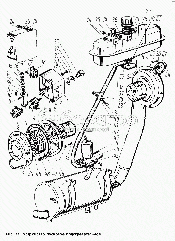
Каталог запасных частей к технике: ГАЗ-3307. Устройство пусковое подогревательное

zoom-in zoom-out enlarge shrink circle-right circle-left file-text2 info cart arraw right arraw left zoom out zoom in arraw maximize arraw minimize
1
2
3
4
4
4
4
5
5
5
6
7
8
9
10
11
12
13
14
14
14
15
16
17
18
19
20
21
22
23
24
24
24
25
25
25
25
26
27
28
29
30
31
32
33
33
34
35
36
37
38
39
40
41
42
43
44
45
46
47
48
49
50
53-1015582
Корпус контрольной спирали со спиралью в сборе
В узле: 1
3307-1015570
Пульт управления подогревателем в сборе
В узле: 1
1
53-1015575-01
Корпус пульта управления пусковым подогревателем в сборе
В узле: 1
2
220081-П29
Винт М5-6gх18 ОСТ 37.001.127-81
В узле: 2
3
251086-П29
Гайка М5-6Н ОСТ 37.001.112-91
В узле: 2
4
251082-П29
Гайка М4-6Н ОСТ 37.001.112-91
В узле: 2
4
251082-П29
Гайка М4-6Н ОСТ 37.001.112-91
В узле: 6
5
252152-П2
Шайба 4Л ОСТ 37.001.115-75
В узле: 6
5
252152-П2
Шайба 4Л ОСТ 37.001.115-75
В узле: 2
5
252152-ПК
Шайба 4Л
В узле: 4
6
20-3709010-Б2
Переключатель электровентилятора и электромагнитного клапана в сборе П305
В узле: 1
7
53-1015585
Корпус контрольной спирали пульта управления
В узле: 1
8
12-3722220
Предохранитель ПР2Б (покупное изделие)
В узле: 1
9
242469-П29
Винт М5-6gх8
В узле: 2
10
53-1015590
Спираль контрольная пульта управления
В узле: 1
11
53-1015593
Болт крепления контрольной спирали
В узле: 2
12
53-1015599
Шайба изолирующая малая
В узле: 2
13
53-1015597
Шайба изолирующая
В узле: 4
14
252004-П29
Шайба 6 ОСТ 37.001.144-96
В узле: 2
15
252154-П2
Шайба 6Л ОСТ 37.001.115-75
В узле: 2
16
250608-П29
Гайка М6-6Н ОСТ 37.001.124-93
В узле: 4
17
220051-П29
Винт М4-6gх10 ОСТ 37.001.127-81
В узле: 2
18
4602.3710
Выключатель
В узле: 1
19
252002-П29
Шайба 4 ОСТ 37.001.144-96
В узле: 2
20
220048-П29
Винт М4-6gх6
В узле: 2
21
21-3709038
Шайба прокладочная
В узле: 1
22
21-3709030
Гайка
В узле: 1
23
51-3709051-Б
Ручка
В узле: 1
24
201418-П29
Болт М6-6gх16 ОСТ 37.001.123-96
В узле: 6
24
201418-П29
Болт М6-6gх16 ОСТ 37.001.123-96
В узле: 2
25
252134-П2
Шайба 6Т ОСТ 37.001.115-75
В узле: 1
25
252134-П2
Шайба 6Т ОСТ 37.001.115-75
В узле: 2
25
252134-П2
Шайба 6Т ОСТ 37.001.115-75
В узле: 6
26
3307-1015496
Кронштейн переходный топливного бачка
В узле: 2
27
53А-1015450
Бачок топливный пускового подогревателя с пробкой в сборе
В узле: 1
28
53-1015468
Пробка топливного бачка подогревателя
В узле: 1
29
53-1015479-А
Прокладка пробки топливного бачка подогревателя
В узле: 1
30
53-1015480-А
Фильтр бачка со штуцером в сборе
В узле: 1
31
53А-1015455
Бачок топливный подогревателя в сборе
В узле: 1
32
3307-1015555
Кронштейн крепления электровентилятора
В узле: 1
33
224570-П29
Винт М4-6gх8 ОСТ 37.001.130-81
В узле: 4
33
224570-П29
Винт М4-6gх8 ОСТ 37.001.130-81
В узле: 6
34
3102-8401512
Держатель гайки в сборе
В узле: 1
35
ВП5
Краник топливного бачка подогревателя
В узле: 1
36
49Б-1015410
Трубка топливного бачка пускового подогревателя
В узле: 1
37
250508-П29
Гайка М6-6Н ОСТ 37.001.124-93
В узле: 1
38
3307-1015550
Электровентилятор подогревателя в сборе
В узле: 1
39
201416-П29
Болт М6-6gх12 ОСТ 37.001.123-96
В узле: 1
40
А-14598
Скоба
В узле: 1
41
63-1013101-30
Шланг от тройника к редукционному клапану
В узле: 1
42
66-8102080
Электромотор вентилятора пускового подогревателя МЭ202
В узле: 1
43
30-5303045
Буфер
В узле: 2
44
297403-П29
Хомут 14
В узле: 2
45
222476-П29
Винт М4-6gх20 ОСТ 37.001.128-96
В узле: 2
46
30-8102016
Корпус вентилятора
В узле: 1
47
30-8102026
Прокладка
В узле: 1
48
242471-П29
Винт М5-6gх12 ОСТ 37.001.132-82
В узле: 1
49
81Ю-8102030
Ротор в сборе
В узле: 1
50
41-8102020
Крышка корпуса в сборе
В узле: 1
Содержащиеся в справочниках-каталогах запасные части и детали не предлагаются к продаже, а носят исключительно информационный характер

Ваша заявка была отправлена. В ближайшее время наши специалисты с Вами свяжутся по указанному Вами телефону.

Представьтесь
Поле обязательно для заполнения
Ваш телефон
Введите правильный номер телефона
E-mail
Введите правильный e-mail
Тема
Тема
применяемость финансирование доставка цена, наличие другое сервис и гарантия
Время для звонка
08:00
08:00 09:00 10:00 11:00 12:00 13:00 14:00 15:00 16:00 17:00 18:00 19:00
19:00
08:00 09:00 10:00 11:00 12:00 13:00 14:00 15:00 16:00 17:00 18:00 19:00

Мы постараемся перезвонить в указанное время

Если вы не хотите ждать, то звоните нашим вежливым консультантам:

8 800 100-2-700
Подтвердите, что вы не робот
Подтвердите, что вы не робот
Спасибо!

Ваше сообщение успешно отправлено!

ЗакрытьПовторить попытку