Каталог запасных частей к технике: ГАЗ-3307. Датчик-распределитель

zoom-in zoom-out enlarge shrink circle-right circle-left file-text2 info cart arraw right arraw left zoom out zoom in arraw maximize arraw minimize
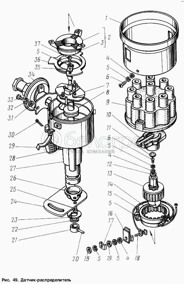
1
2
3
3
4
4
4
5
5
5
5
5
5
6
6
7
8
8
9
10
11
12
13
14
15
16
17
18
19
19
20
21
22
23
24
25
26
27
28
29
30
31
32
33
34
35
36
37
1
24.3706001
Экран
В узле: 1
2
Р352-3706800
Опора статора в сборе
В узле: 1
3
7690906
Подшипник в сборе
В узле: 1
3
7690906
Подшипник в сборе
В узле: 1
4
Шайба 4
Шайба 4
В узле: 5
5
Шайба 4Н65Г
Шайба 4Н65Г
В узле: 11
6
Винт М4х10
Винт М4х10
В узле: 4
7
Р352-3706200
Валик с автоматом в сборе
В узле: 1
8
6-8102
Подшипник в сборе (покупное изделие)
В узле: 1
8
6-8102
Подшипник в сборе (покупное изделие)
В узле: 1
9
Р12-3706500
Крышка распре делителя в сборе
В узле: 1
10
24.3706020
Бегунок с резистором в сборе
В узле: 1
11
Р34-3706006-Т
Сальник
В узле: 1
12
Шайба 7 (количество определяется регулир
Шайба 7 (количество определяется регулировкой)
В узле: ---
13
Р352-3706400
Ротор в сборе
В узле: 1
14
24.3706300
Статор в сборе
В узле: 1
15
Винт М4х8
Винт М4х8
В узле: 3
16
24.3706301
Зажим изоляционный
В узле: 1
17
Р4-370006
Скоба
В узле: 1
18
Н-1958
Болт специальный
В узле: 1
19
Гайка М4
Гайка М4
В узле: 2
20
Заклепка 3х19
Заклепка 3х19
В узле: 1
21
Р351-3706040
Муфта
В узле: 1
22
Р351-3706014
Шайба 13
В узле: 1
23
Р352-3706008
Шайба специальная
В узле: 1
24
Р352-3706002
Пластина установочная
В узле: 1
25
Винт М5х16
Винт М5х16
В узле: 2
26
Р352-3706003
Шайба специальная
В узле: 1
27
24.3706100
Корпус в сборе
В узле: 1
28
Р-8050-АТ
Крышка масленки
В узле: 1
29
1-ИГ-694-Т
Пружина крышки
В узле: 2
30
Шплинт 3,2х20
Шплинт 3,2х20
В узле: 2
31
45 9811 1254
Шайба 5
В узле: 2
32
Шайба 5Л65Г
Шайба 5Л65Г
В узле: 2
33
Винт М5х12
Винт М5х12
В узле: 2
34
24.3706600
Регулятор вакуумный в сборе
В узле: 1
35
Р352-3706004
Держатель
В узле: 2
36
Р352-3706001
Обойма подшипника
В узле: 1
37
Винт М4х12
Винт М4х12
В узле: 2
Содержащиеся в справочниках-каталогах запасные части и детали не предлагаются к продаже, а носят исключительно информационный характер

Ваша заявка была отправлена. В ближайшее время наши специалисты с Вами свяжутся по указанному Вами телефону.

Представьтесь
Поле обязательно для заполнения
Ваш телефон
Введите правильный номер телефона
E-mail
Введите правильный e-mail
Тема
Тема
применяемость финансирование доставка цена, наличие другое сервис и гарантия
Время для звонка
08:00
08:00 09:00 10:00 11:00 12:00 13:00 14:00 15:00 16:00 17:00 18:00 19:00
19:00
08:00 09:00 10:00 11:00 12:00 13:00 14:00 15:00 16:00 17:00 18:00 19:00

Мы постараемся перезвонить в указанное время

Если вы не хотите ждать, то звоните нашим вежливым консультантам:

8 800 100-2-700
Подтвердите, что вы не робот
Подтвердите, что вы не робот
Спасибо!

Ваше сообщение успешно отправлено!

ЗакрытьПовторить попытку