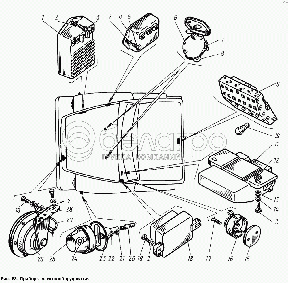
Каталог запасных частей к технике: ГАЗ-3307. Приборы электрооборудования

zoom-in zoom-out enlarge shrink circle-right circle-left file-text2 info cart arraw right arraw left zoom out zoom in arraw maximize arraw minimize
1
1
1
2
2
2
2
3
3
4
5
6
7
8
9
10
11
12
13
14
15
16
17
18
18
18
19
19
20
21
22
23
24
25
26
27
28
10
А12-21-3
Лампа
В узле: 1
Лампа А12-21-3 (12V21W BA15s (1 конт) Под заказ 18.84 р.
1
1307.3734-01
Коммутатор транзисторный в сборе (тропическое исполнение)
В узле: 1
1
1301.3734-01
Коммутатор транзисторный в сборе (покупное изделие)
В узле: 1
1
1308.3734-01
Коммутатор транзисторный в сборе (экспортное исполнение)
В узле: 1
2
45 9952 6092
Шайба 6
В узле: 2
3
201418-П29
Болт М6-6gх16 ОСТ 37.001.123-96
В узле: 2
4
1402.3729
Сопротивление добавочное
В узле: 1
5
201415-П29
Болт М6-6gх10 ОСТ 37.001.123-96
В узле: 2
6
ПД308Б
Фонарь освещения под капотом
В узле: 2
7
240836-П29
Винт 5х12 ОСТ 37.001.188-81
В узле: 4
8
А12-8
Лампа
В узле: 1
9
11.3714010
Плафон в сборе (покупное изделие)
В узле: 1
11
РС950И-3726010
Прерыватель указателей поворота РС950И (покупное изделие)
В узле: 1
12
3102-8401512
Держатель гайки в сборе
В узле: 2
13
252004-П29
Шайба 6 ОСТ 37.001.144-96
В узле: 2
14
252174-П29
Шайба 2-6 ОСТ 37.001.145-75
В узле: 2
15
51-3715021
Прокладка штепсельной розетки переносной лампы
В узле: 1
16
47К
Розетка штепсельная
В узле: 1
17
221511-П29
Винт М3-6gх25
В узле: 2
18
222.3702
Регулятор напряжения в сборе (покупное изделие)
В узле: 1
18
2226.3702
Регулятор напряжения в сборе (покупное изделие, тропическое исполнение)
В узле: 1
18
2227.3702
Регулятор напряжения в сборе (покупное изделие, экспортное исполнение)
В узле: 1
19
201417-П29
Болт М6-6gх14 ОСТ 37.001.123-96
В узле: 4
20
53-3726180
Соединитель прокладки
В узле: 2
21
250464
Гайка М5-6Н
В узле: 4
22
252233-П29
Шайба 2-5 ОСТ 37.001.146-75
В узле: 4
23
53А-3726176
Прокладка бокового повторителя
В узле: 2
24
А12-5
Лампа (53-70-3714033)
В узле: 2
25
УП101-3726010
Повторитель боковой указателя поворота УП1011 (покупное изделие)
В узле: 2
26
С311В-3721000-01
Сигнал звуковой в сборе С311В (покупное изделие)
В узле: 1
27
4301-3724274
Провод в сборе
В узле: 1
28
3307-3721064
Кронштейн сигнала
В узле: 1
Содержащиеся в справочниках-каталогах запасные части и детали не предлагаются к продаже, а носят исключительно информационный характер

Ваша заявка была отправлена. В ближайшее время наши специалисты с Вами свяжутся по указанному Вами телефону.

Представьтесь
Поле обязательно для заполнения
Ваш телефон
Введите правильный номер телефона
E-mail
Введите правильный e-mail
Тема
Тема
применяемость финансирование доставка цена, наличие другое сервис и гарантия
Время для звонка
08:00
08:00 09:00 10:00 11:00 12:00 13:00 14:00 15:00 16:00 17:00 18:00 19:00
19:00
08:00 09:00 10:00 11:00 12:00 13:00 14:00 15:00 16:00 17:00 18:00 19:00

Мы постараемся перезвонить в указанное время

Если вы не хотите ждать, то звоните нашим вежливым консультантам:

8 800 100-2-700
Подтвердите, что вы не робот
Подтвердите, что вы не робот
Спасибо!

Ваше сообщение успешно отправлено!

ЗакрытьПовторить попытку