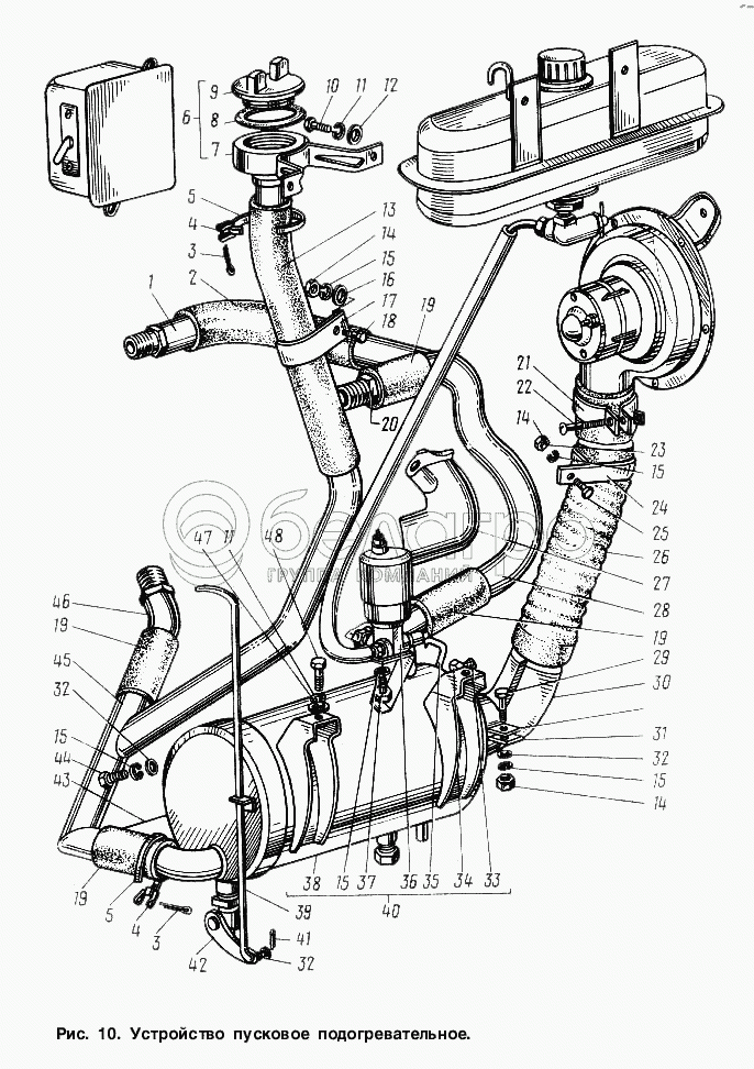
Каталог запасных частей к технике: ГАЗ-3307. Устройство пусковое подогревательное

zoom-in zoom-out enlarge shrink circle-right circle-left file-text2 info cart arraw right arraw left zoom out zoom in arraw maximize arraw minimize
1
2
3
3
4
4
5
5
6
7
8
9
10
11
11
12
13
14
14
14
15
15
15
15
15
16
17
18
19
19
19
19
20
21
22
23
24
25
26
27
28
29
30
31
32
32
32
33
34
35
36
37
38
39
40
41
42
43
44
45
46
47
48
1
53-1015066
Штуцер подводящий пускового подогревателя правый
В узле: 1
2
53-1015048-01
Шланг подводящей трубы пускового подогревателя
В узле: 1
3
297575-П29
Шплинт 5,6х22
В узле: 12
4
297580-П29
Пряжка
В узле: 12
5
297586-П29
Лента 10х290
В узле: 12
6
3307-1015027
Горловина заливная подогревателя с пробкой в сборе
В узле: 1
7
3307-1015050
Горловина заливная подогревателя с фланцем в сборе
В узле: 1
8
51-3909083-Б
Прокладка пробки бачка
В узле: 1
9
53А-1015064
Пробка фланца заливной горловины
В узле: 1
10
201455-П29
Болт М8-6gх18 ОСТ 37.001.123-96
В узле: 2
11
252135-П2
Шайба 8Т ОСТ 37.001.115-75
В узле: 2
12
252005-П29
Шайба 8 ОСТ 37.001.144-96
В узле: 2
13
71-1015063-01
Шланг
В узле: 1
14
250508-П29
Гайка М6-6Н ОСТ 37.001.124-93
В узле: 1
15
252134-П2
Шайба 6Т ОСТ 37.001.115-75
В узле: 1
15
252134-П29
Шайба 6
В узле: 2
15
252134-П2
Шайба 6Т ОСТ 37.001.115-75
В узле: 3
16
252037-П29
Шайба 6 ОСТ 37.001.144-96
В узле: 1
17
53А-1015374
Держатель шлангов
В узле: 1
18
201418-П29
Болт М6-6gх16 ОСТ 37.001.123-96
В узле: 1
19
69-1015048-01
Шланг трубы котла пускового подогревателя
В узле: 4
20
53-1015085-А
Штуцер подводящий пускового подогревателя левый
В узле: 1
21
288014-П29
Хомут 48
В узле: 2
22
220086-П29
Винт М5-6gх30 ОСТ 37.001.127-81
В узле: 2
23
251086-П29
Гайка М5-6Н ОСТ 37.001.112-91
В узле: 2
24
32-8101442
Скоба
В узле: 1
25
201416-П29
Болт М6-6gх12 ОСТ 37.001.123-96
В узле: 1
26
3307-1015566
Шланг воздухоподводящий подогревателя
В узле: 1
27
53-1015069
Экран нижнего шланга подводящей трубы пускового подогревателя
В узле: 1
28
53-1015076-01
Труба подводящая в сборе
В узле: 1
29
201422-П29
Болт М6-6gх25 ОСТ 37.001.123-96
В узле: 1
30
3307-1015339
Патрубок воздухоподводящий в сборе
В узле: 1
31
53-1015349
Хомут крепления воздухоподводящего патрубка подогревателя
В узле: 1
32
252004-П29
Шайба 6 ОСТ 37.001.144-96
В узле: 1
32
252004-П29
Шайба 6 ОСТ 37.001.144-96
В узле: 3
33
015-1500
Свеча горелки СР-65А (покупное изделие)
В узле: 1
34
ОВ65-0822
Гайка поджимная свечи подогревателя
В узле: 1
35
53А-1015418-01
Трубка бензопровода подогревателя в сборе
В узле: 1
36
ПЖБ12-1015500-В
Клапан электромагнитный в сборе
В узле: 1
37
375-1015739
Болт М6х9
В узле: 2
38
53А-1015700-10
Теплообменник в сборе
В узле: 1
39
53-1305025-Б
Рычаг управления краником подогревателя
В узле: 1
40
53А-1015010-04
Подогреватель в сборе
В узле: 1
41
258001-П29
Шплинт 1,6х12 ОСТ 37.001.171-93
В узле: 1
42
ПС7-2
Кран в сборе (51-1305040-10)
В узле: 1
43
53-1015035-А
Патрубок газоотводящий подогревателя в сборе
В узле: 1
44
201417-П29
Болт М6-6gх14 ОСТ 37.001.123-96
В узле: 3
45
53А-1015055
Труба заливная подогревателя с отводящей трубой в сборе
В узле: 1
46
53-1015082
Штуцер отводящий
В узле: 1
47
293277-П29
Шайба 8,5
В узле: 2
48
201457-П29
Болт М8-6gх22 ОСТ 37.001.123-96
В узле: 2
Содержащиеся в справочниках-каталогах запасные части и детали не предлагаются к продаже, а носят исключительно информационный характер

Ваша заявка была отправлена. В ближайшее время наши специалисты с Вами свяжутся по указанному Вами телефону.

Представьтесь
Поле обязательно для заполнения
Ваш телефон
Введите правильный номер телефона
E-mail
Введите правильный e-mail
Тема
Тема
применяемость финансирование доставка цена, наличие другое сервис и гарантия
Время для звонка
08:00
08:00 09:00 10:00 11:00 12:00 13:00 14:00 15:00 16:00 17:00 18:00 19:00
19:00
08:00 09:00 10:00 11:00 12:00 13:00 14:00 15:00 16:00 17:00 18:00 19:00

Мы постараемся перезвонить в указанное время

Если вы не хотите ждать, то звоните нашим вежливым консультантам:

8 800 100-2-700
Подтвердите, что вы не робот
Подтвердите, что вы не робот
Спасибо!

Ваше сообщение успешно отправлено!

ЗакрытьПовторить попытку