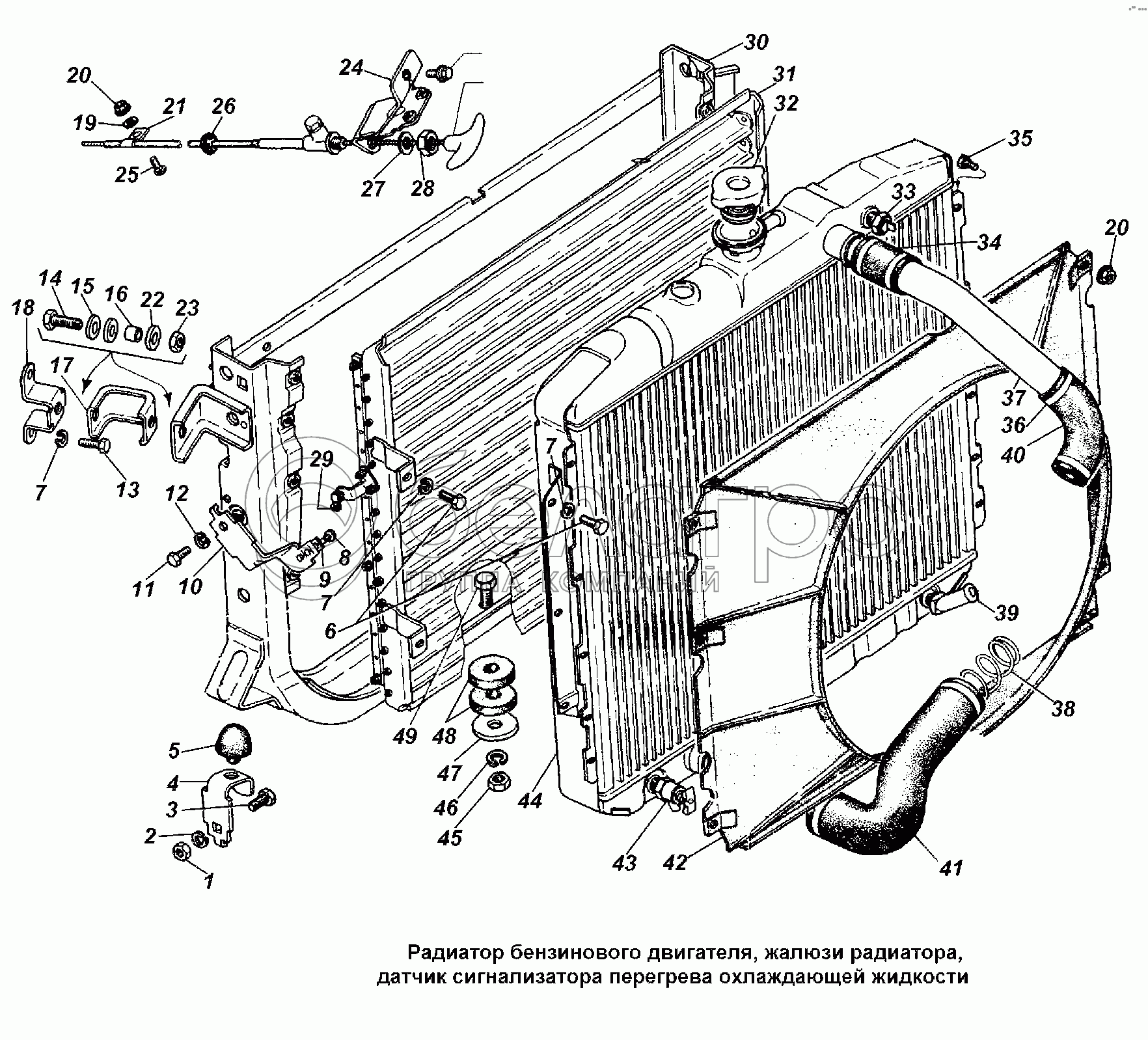
Каталог запасных частей к технике: ГАЗ-3308. Радиатор бензинового двигателя

zoom-in zoom-out enlarge shrink circle-right circle-left file-text2 info cart arraw right arraw left zoom out zoom in arraw maximize arraw minimize
1
2
4
5
6
7
7
7
8
9
10
11
12
13
14
15
16
17
18
19
20
20
21
22
23
24
25
26
27
28
29
30
31
32
33
34
35
36
37
38
39
40
41
42
43
44
45
46
47
48
49
00.78.00-02
Хомут 44-56 ТУ 4599-001-21511064-94
В узле: 6
21-8101040-А
Штуцер отопителя
В узле: 1
3307-1301010-35
Радиатор водяной
В узле: 1
1
250612-П29
Гайка М10-6Н ОСТ 37.001.124-93
В узле: 1
2
252156-П2
Шайба 10Л ОСТ 37.001.115-75
В узле: 1
4
330701-1302029
Кронштейн
В узле: 2
5
21-2902654
Упор рамки радиатора
В узле: 2
6
201456-П29
Болт М8-6gх20 ОСТ 37.001.123-96
В узле: 1
7
252135-П2
Шайба 8Т ОСТ 37.001.115-75
В узле: 1
8
224598-П29
Винт М5-6gх12 ОСТ 37.001.130-81
В узле: 1
9
52-1108071
Зажим
В узле: 1
10
3307-1310232
Кронштейн тяги
В узле: 1
11
201454-П29
Болт М8-6gх16 ОСТ 37.001.123-96
В узле: 1
12
252155-П2
Шайба 8Л ОСТ 37.001.115-75
В узле: 1
13
201458-П29
Болт М8-6gх25 ОСТ 37.001.123-96
В узле: 1
14
201521-П29
Болт М10х1-6gх32
В узле: 1
15
252039-П29
Шайба 10 ОСТ 37.001.144-96
В узле: 1
16
20Ю-1001095
Втулка прокладки
В узле: 4
17
33081-1302156
Кронштейн средний
В узле: 2
18
3307-1302152
Кронштейн передний
В узле: 2
19
293282-П29
Шайба 8,4
В узле: 1
20
4599531818
Гайка М6
В узле: 1
21
51-3506044
Скоба
В узле: 1
22
51 А-1001094
Прокладка
В узле: 8
23
4 599 922 525
Гайка М10х1
В узле: 1
24
3307-1310227
Кронштейн с усилителем в сборе
В узле: 1
25
290500-П29
Болт М6-6gх16
В узле: 1
26
24-8406224-01
Втулка оболочки тяги привода замка капота
В узле: 1
27
252206-П29
Шайба 14 ОСТ 37.001.145-75
В узле: 1
28
250634-П29
Гайка М14х1,5-6Н ОСТ 37.001.124-93
В узле: 1
29
222496-П29
Винт М5-6gх8 ОСТ 37.001.128-96
В узле: 1
30
3308-1302010
Рамка радиатора
В узле: 1
31
3308-1310110
Жалюзи радиатора
В узле: 1
32
24-1304010
Пробка радиатора в сборе
В узле: 1
33
ТМ111-02
Датчик сигнализатора перегрева охлаждающей жидкости (ТМ111-3808000-02)
В узле: 1
34
11-8286
Шланг радиатора подводящий к радиатору
В узле: 1
35
201417-П29
Болт М6-6gх14 ОСТ 37.001.123-96
В узле: 1
36
00.10.00-04
Хомут 40-56 ТО17-9-20-98
В узле: 6
37
3308-1303012
Труба радиатора подводящая
В узле: 1
38
21-1303033-Б
Каркас шланга
В узле: 1
39
3307-8120274
Штуцер
В узле: 1
40
53-1303010
Шланг радиатора отводящий нижний
В узле: 1
41
53-1303025
Шланг радиатора отводящий
В узле: 1
42
3307-1309011
Кожух вентилятора
В узле: 1
43
ВС8-1-Т
Кран (Г-21Ю-1305010-А)
В узле: 1
44
3307-1301010-31
Радиатор водяной
В узле: 1
45
250615-П29
Гайка М12х1,25-6Н ОСТ 37.001.124-93
В узле: 1
46
252157-П2
Шайба 12Л ОСТ 37.001.115-75
В узле: 1
47
293353-П29
Шайба 12,5
В узле: 1
48
53-8401070
Прокладка подвески рамки радиатора
В узле: 2
49
290983
Болт М12х1,25-6gх35
В узле: 1
Содержащиеся в справочниках-каталогах запасные части и детали не предлагаются к продаже, а носят исключительно информационный характер

Ваша заявка была отправлена. В ближайшее время наши специалисты с Вами свяжутся по указанному Вами телефону.

Представьтесь
Поле обязательно для заполнения
Ваш телефон
Введите правильный номер телефона
E-mail
Введите правильный e-mail
Тема
Тема
применяемость финансирование доставка цена, наличие другое сервис и гарантия
Время для звонка
08:00
08:00 09:00 10:00 11:00 12:00 13:00 14:00 15:00 16:00 17:00 18:00 19:00
19:00
08:00 09:00 10:00 11:00 12:00 13:00 14:00 15:00 16:00 17:00 18:00 19:00

Мы постараемся перезвонить в указанное время

Если вы не хотите ждать, то звоните нашим вежливым консультантам:

8 800 100-2-700
Подтвердите, что вы не робот
Подтвердите, что вы не робот
Спасибо!

Ваше сообщение успешно отправлено!

ЗакрытьПовторить попытку