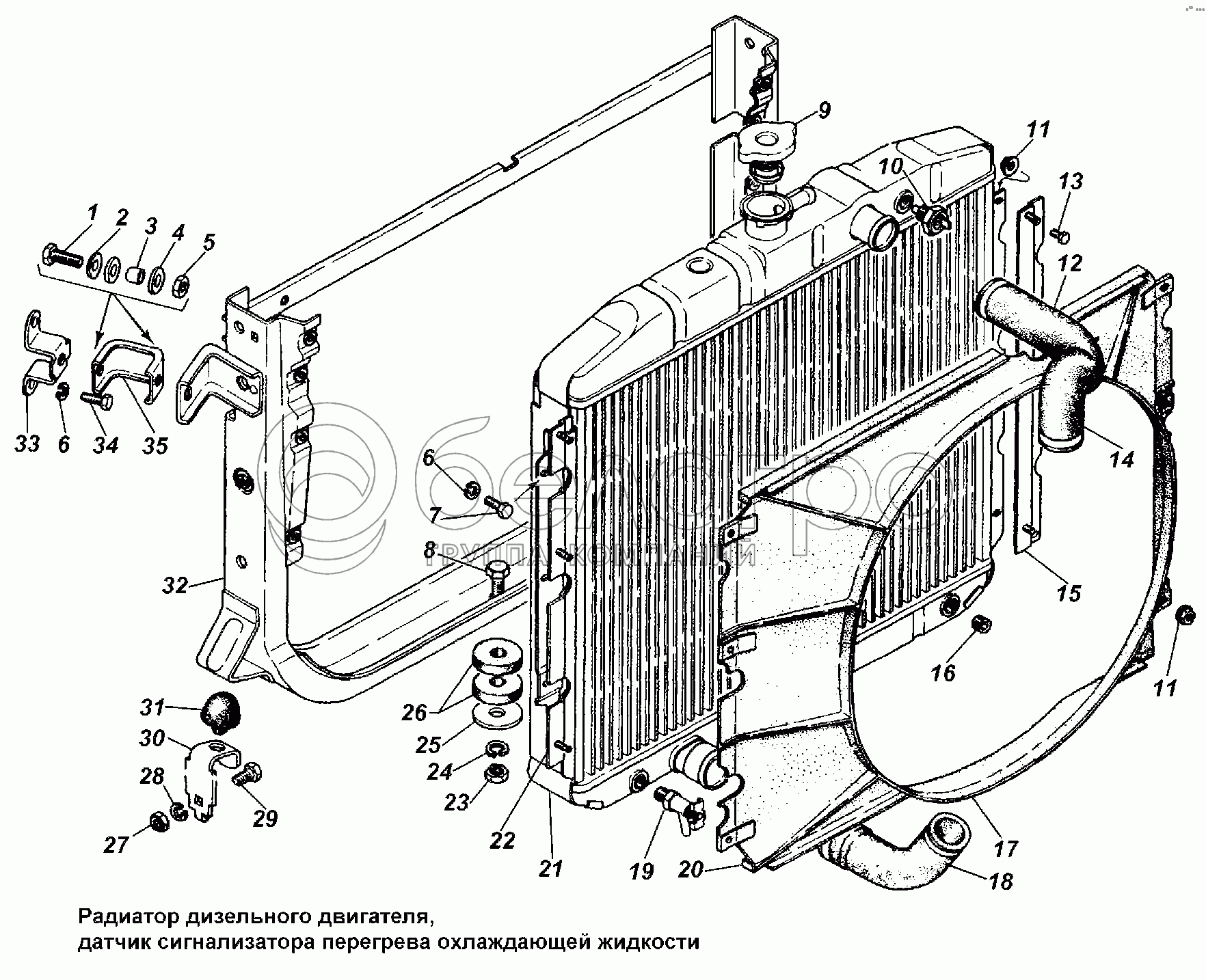
Каталог запасных частей к технике: ГАЗ-3308. Радиатор дизельного двигателя

zoom-in zoom-out enlarge shrink circle-right circle-left file-text2 info cart arraw right arraw left zoom out zoom in arraw maximize arraw minimize
1
2
3
4
5
6
6
7
8
9
10
11
11
12
13
14
15
16
17
18
19
20
21
22
23
24
25
26
27
28
30
31
32
33
34
35
00.78.00-02
Хомут 44-56 ТУ 4599-001-21511064-94
В узле: 4
1
201521-П29
Болт М10х1-6gх32
В узле: 1
2
252039-П29
Шайба 10 ОСТ 37.001.144-96
В узле: 1
3
20Ю-1001095
Втулка прокладки
В узле: 4
4
51А-1001094
Прокладка тяги соединения двигателя с рамой
В узле: 8
5
4 599 922 525
Гайка М10х1
В узле: 1
6
252135-П2
Шайба 8Т ОСТ 37.001.115-75
В узле: 1
7
201456-П29
Болт М8-6gх20 ОСТ 37.001.123-96
В узле: 1
8
290983
Болт М12х1,25-6gх35
В узле: 1
9
24-1304010
Пробка радиатора в сборе
В узле: 1
10
ТМ111-02
Датчик сигнализатора перегрева охлаждающей жидкости (ТМ111-3808000-02)
В узле: 1
11
4 599 531 818
Гайка М6
В узле: 1
12
33081-1303010
Шланг
В узле: 1
13
201417-П29
Болт М6-6gх14 ОСТ 37.001.123-96
В узле: 1
14
00.10.00-04
Хомут 40-56 ТО17-9-20-98
В узле: 4
15
33081-1309032
Пластина правая
В узле: 1
16
296563-П29
Пробка КГ3/8"
В узле: 1
17
33081-1309011
Кожух вентилятора
В узле: 1
18
33081-1303025
Шланг
В узле: 1
19
ВС8-1-Т
Кран (Г-21Ю-1305010-А)
В узле: 1
20
33081-1309222
Уплотнитель
В узле: 2
21
3307-1301010
Радиатор в сборе
В узле: 1
22
33081-1309033
Пластина левая
В узле: 1
23
250615-П29
Гайка М12х1,25-6Н ОСТ 37.001.124-93
В узле: 1
24
252157-П2
Шайба 12Л ОСТ 37.001.115-75
В узле: 1
25
293353-П29
Шайба 12,5
В узле: 1
26
53-8401070
Прокладка подвески рамки радиатора
В узле: 2
27
250612-П29
Гайка М10-6Н ОСТ 37.001.124-93
В узле: 1
28
252156-П2
Шайба 10Л ОСТ 37.001.115-75
В узле: 1
30
330701-1302029
Кронштейн
В узле: 2
31
21-2902654
Упор рамки радиатора
В узле: 2
32
33081-1302010
Рамка радиатора
В узле: 1
33
3307-1302152
Кронштейн передний
В узле: 1
34
201458-П29
Болт М8-6gх25 ОСТ 37.001.123-96
В узле: 1
35
33081-1302156
Кронштейн средний
В узле: 2
Содержащиеся в справочниках-каталогах запасные части и детали не предлагаются к продаже, а носят исключительно информационный характер

Ваша заявка была отправлена. В ближайшее время наши специалисты с Вами свяжутся по указанному Вами телефону.

Представьтесь
Поле обязательно для заполнения
Ваш телефон
Введите правильный номер телефона
E-mail
Введите правильный e-mail
Тема
Тема
применяемость финансирование доставка цена, наличие другое сервис и гарантия
Время для звонка
08:00
08:00 09:00 10:00 11:00 12:00 13:00 14:00 15:00 16:00 17:00 18:00 19:00
19:00
08:00 09:00 10:00 11:00 12:00 13:00 14:00 15:00 16:00 17:00 18:00 19:00

Мы постараемся перезвонить в указанное время

Если вы не хотите ждать, то звоните нашим вежливым консультантам:

8 800 100-2-700
Подтвердите, что вы не робот
Подтвердите, что вы не робот
Спасибо!

Ваше сообщение успешно отправлено!

ЗакрытьПовторить попытку