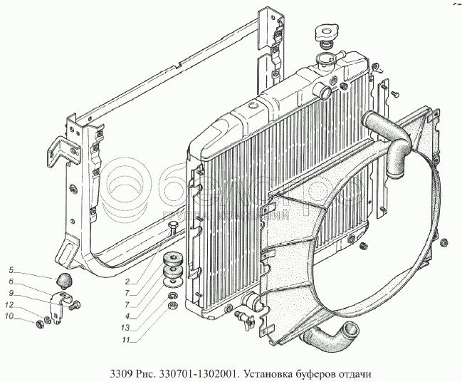
Каталог запасных частей к технике: ГАЗ-3309 (Евро 2). Установка буферов отдачи

zoom-in zoom-out enlarge shrink circle-right circle-left file-text2 info cart arraw right arraw left zoom out zoom in arraw maximize arraw minimize
2
4
5
6
7
7
9
10
11
12
13
2
291554-П29
Болт М12х1,25-6gх38
В узле: 1
4
293353-П29
Шайба 12,5
В узле: 1
5
21-2902654
Упор рамки радиатора
В узле: 2
6
330701-1302029
Кронштейн
В узле: 2
7
53-8401070
Прокладка подвески рамки радиатора
В узле: 2
9
201495-П29
Болт М10-6gх20 ОСТ 37.001.123-96
В узле: 2
10
250612-П29
Гайка М10-6Н ОСТ 37.001.124-93
В узле: 2
11
250515-П29
Гайка М12х1,25-6Н ОСТ 37.001.124-93
В узле: 1
12
252156-П2
Шайба 10Л ОСТ 37.001.115-75
В узле: 2
13
252157-П2
Шайба 12Л ОСТ 37.001.115-75
В узле: 1
Содержащиеся в справочниках-каталогах запасные части и детали не предлагаются к продаже, а носят исключительно информационный характер

Ваша заявка была отправлена. В ближайшее время наши специалисты с Вами свяжутся по указанному Вами телефону.

Представьтесь
Поле обязательно для заполнения
Ваш телефон
Введите правильный номер телефона
E-mail
Введите правильный e-mail
Тема
Тема
применяемость финансирование доставка цена, наличие другое сервис и гарантия
Время для звонка
08:00
08:00 09:00 10:00 11:00 12:00 13:00 14:00 15:00 16:00 17:00 18:00 19:00
19:00
08:00 09:00 10:00 11:00 12:00 13:00 14:00 15:00 16:00 17:00 18:00 19:00

Мы постараемся перезвонить в указанное время

Если вы не хотите ждать, то звоните нашим вежливым консультантам:

8 800 100-2-700
Подтвердите, что вы не робот
Подтвердите, что вы не робот
Спасибо!

Ваше сообщение успешно отправлено!

ЗакрытьПовторить попытку