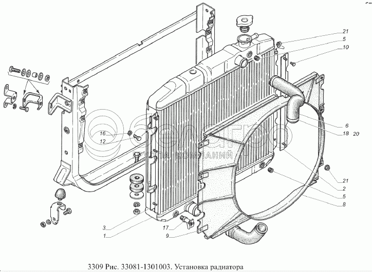
Каталог запасных частей к технике: ГАЗ-3309 (Евро 2). Установка радиатора

zoom-in zoom-out enlarge shrink circle-right circle-left file-text2 info cart arraw right arraw left zoom out zoom in arraw maximize arraw minimize
1
2
3
5
5
6
8
9
10
12
16
17
18
18
20
20
21
21
1
3307-1301010-31
Радиатор водяной
В узле: 1
2
33081-1309032
Пластина правая
В узле: 1
3
33081-1309033
Пластина левая
В узле: 1
5
296563-П29
Пробка КГ3/8"
В узле: 2
6
33081-1303010
Шланг
В узле: 1
8
33081-1309011
Кожух вентилятора
В узле: 1
9
33081-1309222
Уплотнитель
В узле: 2
10
201417-П29
Болт М6-6gх14 ОСТ 37.001.123-96
В узле: 4
12
201456-П29
Болт М8-6gх20 ОСТ 37.001.123-96
В узле: 6
16
252135-П2
Шайба 8Т ОСТ 37.001.115-75
В узле: 6
17
Г-21Ю-1305010-А
Краник
В узле: 1
18
00.78.00-02
Хомут 44-56 ТУ 4599-001-21511064-94
В узле: 2
18
00.10.00-04
Хомут 40-56 ТО17-9-20-98
В узле: 2
20
00.78.00-02
Хомут 44-56 ТУ 4599-001-21511064-94
В узле: 2
20
00.10.00-04
Хомут 40-56 ТО17-9-20-98
В узле: 2
21
45 9953 1818
Гайка М6
В узле: 10
Содержащиеся в справочниках-каталогах запасные части и детали не предлагаются к продаже, а носят исключительно информационный характер

Ваша заявка была отправлена. В ближайшее время наши специалисты с Вами свяжутся по указанному Вами телефону.

Представьтесь
Поле обязательно для заполнения
Ваш телефон
Введите правильный номер телефона
E-mail
Введите правильный e-mail
Тема
Тема
применяемость финансирование доставка цена, наличие другое сервис и гарантия
Время для звонка
08:00
08:00 09:00 10:00 11:00 12:00 13:00 14:00 15:00 16:00 17:00 18:00 19:00
19:00
08:00 09:00 10:00 11:00 12:00 13:00 14:00 15:00 16:00 17:00 18:00 19:00

Мы постараемся перезвонить в указанное время

Если вы не хотите ждать, то звоните нашим вежливым консультантам:

8 800 100-2-700
Подтвердите, что вы не робот
Подтвердите, что вы не робот
Спасибо!

Ваше сообщение успешно отправлено!

ЗакрытьПовторить попытку