Каталог запасных частей к технике: ГАЗ-51 (63, 63А). Кабина

zoom-in zoom-out enlarge shrink circle-right circle-left file-text2 info cart arraw right arraw left zoom out zoom in arraw maximize arraw minimize
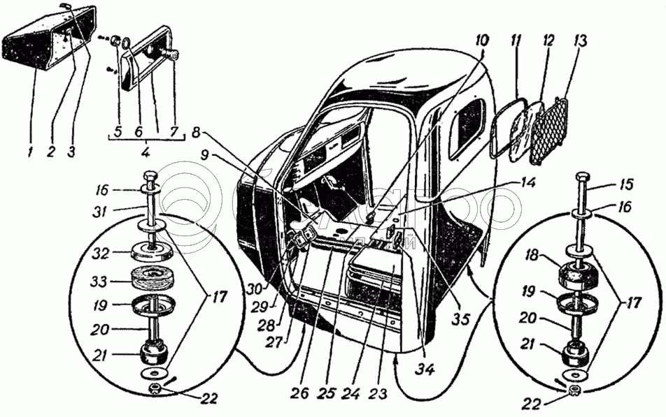
1
2
3
4
5
6
7
8
9
10
11
12
12
13
14
15
16
16
17
17
18
19
19
20
20
21
21
22
22
23
24
25
26
27
28
29
30
31
32
33
34
35
298318-П2
Пистон
В узле: 17
201415-П8
Болт М6-6gх10
В узле: 3
258040-П
Шплинт 2,7х25
В узле: 4
293226-П8
Шайба 6 пружинная
В узле: 2
252151-П2
Шайба 3,5 пружинная
В узле: 1
292647-П2
Гайка 4
В узле: 7
240818-П8
Винт 4х12
В узле: 7
240818-П8
Винт 4х12
В узле: 7
221617-П8
Винт М6х1х45 крепления защелки замка двери
В узле: 4
224624-П8
Винт М6-6gх14
В узле: 1
201415-П8
Болт М6-6gх10
В узле: 3
201417-П8
Болт М6х1х14
В узле: 15
201418-П8
Болт М6-6gх16
В узле: 4
240818-П8
Винт 4х12
В узле: 7
220027-П8
Винт М3,5х8
В узле: 1
224622-П8
Винт М6х1х10
В узле: 2
224624-П8
Винт М6-6gх14
В узле: 1
1
81-5303012
Ящик вещевой в сборе
В узле: 1
2
81-5303074
Упор замка вещевого ящика
В узле: 1
3
292647-П2
Гайка 4
В узле: 2
4
81-5303016
Дверца вещевого ящика в сборе
В узле: 1
5
11-405726
Колпачок замка вещевого ящика
В узле: 1
6
11-405728
Прокладка колпачка замка вещевого ящика
В узле: 1
7
81-5303052-А
Замок вещевого ящика в сборе
В узле: 1
8
81-5107022
Крышка трансмиссии передняя
В узле: 1
9
81-8402054-Б
Прокладка верха капота задняя
В узле: 1
10
81Д-5101102
Заглушка смотрового отверстия пола
В узле: 1
11
81-5603018
Уплотнитель стекла окна задка
В узле: 1
12
81-5603016-А
Стекло перегородки
В узле: 1
12
81-5603016
Стекло задка окна (триплекс)
В узле: 1
13
81-5603022
Решетка окна задка защитная в сборе
В узле: 1
14
81-5101090-Б
Лист перегородок пола предохранительный в сборе
В узле: 1
15
290966-П8
Болт 1М12Х1,25х238 заднего крепления кабины к раме
В узле: 2
16
293353-П2
Шайба диаметром 12 мм
В узле: 4
17
293350-П2
Шайба диаметром 12 мм
В узле: 8
18
51-6025
Подушка правого бокового и заднего крепления кабины к раме верхняя в сборе
В узле: 3
19
15-6041
Чашка верхней подушки бокового и заднего крепления кабины к раме
В узле: 4
20
51-6035
Втулка распорная подушек опоры двигателя
В узле: 4
21
64-6039
Подушка бокового и заднего крепления кабины к раме нижняя в сборе
В узле: 4
22
250977-П8
Гайка 1М12х1,26
В узле: 4
23
81-5101094-Б
Крышка люка в полу для аккумуляторной батареи
В узле: 1
24
81-5101096-Б
Прокладка крышки люка в полу для аккумуляторной батареи
В узле: 1
25
81-5107024-26
Крышка трансмиссии задняя
В узле: 1
26
81-5107028
Прокладка крышки трансмиссии
В узле: 1
27
81-5301092
Пластина педалей защитная правая в сборе
В узле: 1
28
81-5301093
Пластина педалей защитная левая в сборе
В узле: 1
29
81-5301096
Прокладка защитной пластины педалей
В узле: 1
30
81-5301098
Прокладка защитной пластины педалей средняя
В узле: 1
31
290924-П8
Болт 1М12х1,25х92 бокового, крепления кабины к раме
В узле: 2
32
81Д-5001016
Чашка верхней подушки левого бокового крепления кабины к раме верхняя
В узле: 1
33
81-5001014
Подушка левого бокового крепления кузова к раме верхняя
В узле: 1
34
М-702340
Защелка замка двери
В узле: 2
35
М-46412
Гнездо направляющего шипа двери в сборе
В узле: 2
Содержащиеся в справочниках-каталогах запасные части и детали не предлагаются к продаже, а носят исключительно информационный характер

Ваша заявка была отправлена. В ближайшее время наши специалисты с Вами свяжутся по указанному Вами телефону.

Представьтесь
Поле обязательно для заполнения
Ваш телефон
Введите правильный номер телефона
E-mail
Введите правильный e-mail
Тема
Тема
применяемость финансирование доставка цена, наличие другое сервис и гарантия
Время для звонка
08:00
08:00 09:00 10:00 11:00 12:00 13:00 14:00 15:00 16:00 17:00 18:00 19:00
19:00
08:00 09:00 10:00 11:00 12:00 13:00 14:00 15:00 16:00 17:00 18:00 19:00

Мы постараемся перезвонить в указанное время

Если вы не хотите ждать, то звоните нашим вежливым консультантам:

8 800 100-2-700
Подтвердите, что вы не робот
Подтвердите, что вы не робот
Спасибо!

Ваше сообщение успешно отправлено!

ЗакрытьПовторить попытку