Каталог запасных частей к технике: ГАЗ-51 (63, 63А). Ветровое окно

zoom-in zoom-out enlarge shrink circle-right circle-left file-text2 info cart arraw right arraw left zoom out zoom in arraw maximize arraw minimize
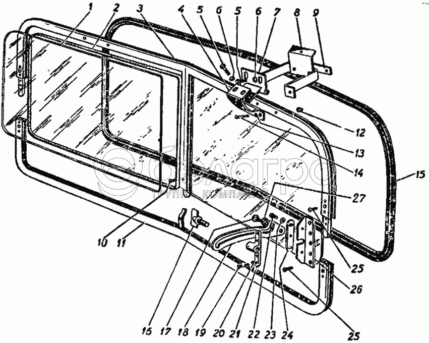
1
1
2
2
3
4
5
5
6
6
7
8
9
10
11
12
13
14
15
16
17
18
19
20
21
22
23
24
25
25
26
27
81-5202033
Кронштейн петли ветрового окна в сборе левый
В узле: 1
221552-П8
Винт М4x0,7х12 крепления бокового вкладыша рамы ветрового окна
В узле: 2
81-5204023-В
Угольник кронштейна кулисы ветрового окна левый
В узле: 1
81-5201012
Рама ветрового окна в сборе
В узле: 1
81-5202023
Кронштейн рамы ветрового окна левый
В узле: 1
1
81-5206010-А
Стекло ветрового окна (сталинит)
В узле: 2
1
81-5206010
Стекло ветрового окна (триплекс)
В узле: 2
2
81-5206020
Прокладка стекла ветрового окна толстая
В узле: 2
2
81-5206020-Б
Прокладка стекла ветрового окна тонкая
В узле: 2
3
81-5201022
Рама ветрового окна, верхняя часть в сборе
В узле: 1
4
81-5202022
Кронштейн рамы ветрового окна правый
В узле: 1
5
201416-П8
Болт М6-6gх12
В узле: 4
5
201418-П8
Болт М6-6gх16
В узле: 4
6
252004-П8
Шайба 6
В узле: 4
7
81-5202012
Петля ветрового окна в сборе
В узле: 2
8
81-5202032
Кронштейн петли ветрового окна в сборе правый
В узле: 1
9
81-5202014
Планка крепления петли ветрового окна
В узле: 2
10
220051-П8
Винт М4х10
В узле: 1
11
81-5201014
Рама ветрового окна, нижняя часть в сборе
В узле: 1
12
292679-П8
Гайка М5
В узле: 4
13
293196-П
Шайба 5,5 ГОСТ 11371-78
В узле: 4
14
223044-П8
Винт М5х25
В узле: 4
15
81-5206050
Уплотнитель ветрового окна
В узле: 1
16
81-5204032
Барашек кулисы ветрового окна
В узле: 2
17
81-5204014
Винт крепления кулисы ветрового окна
В узле: 2
18
81-5204012
Кулиса ветрового окна
В узле: 2
19
224600-П8
Винт М5х16
В узле: 8
20
252133-П2
Шайба 5Т ОСТ 37.001.115-75
В узле: 8
21
81-5204036
Кронштейн барашка кулисы ветрового окна
В узле: 2
22
224597-П8
Винт М5х0,8х10
В узле: 4
23
252003-П2
Шайба диам 5,5 плоская
В узле: 4
24
81-5204018
Кронштейн кулисы ветрового окна
В узле: 2
25
221552-П8
Винт М4x0,7х12 крепления бокового вкладыша рамы ветрового окна
В узле: 2
25
223014-П8
Винт М4х0,7х16 крепления угольника
В узле: 8
26
81-5204022-В
Угольник кронштейна кулисы ветрового окна правый
В узле: 1
27
293334-П8
Шайба 11,5
В узле: 2
Содержащиеся в справочниках-каталогах запасные части и детали не предлагаются к продаже, а носят исключительно информационный характер

Ваша заявка была отправлена. В ближайшее время наши специалисты с Вами свяжутся по указанному Вами телефону.

Представьтесь
Поле обязательно для заполнения
Ваш телефон
Введите правильный номер телефона
E-mail
Введите правильный e-mail
Тема
Тема
применяемость финансирование доставка цена, наличие другое сервис и гарантия
Время для звонка
08:00
08:00 09:00 10:00 11:00 12:00 13:00 14:00 15:00 16:00 17:00 18:00 19:00
19:00
08:00 09:00 10:00 11:00 12:00 13:00 14:00 15:00 16:00 17:00 18:00 19:00

Мы постараемся перезвонить в указанное время

Если вы не хотите ждать, то звоните нашим вежливым консультантам:

8 800 100-2-700
Подтвердите, что вы не робот
Подтвердите, что вы не робот
Спасибо!

Ваше сообщение успешно отправлено!

ЗакрытьПовторить попытку