Каталог запасных частей к технике: ГАЗ-51 (63, 63А). Реле-регулятор

zoom-in zoom-out enlarge shrink circle-right circle-left file-text2 info cart arraw right arraw left zoom out zoom in arraw maximize arraw minimize
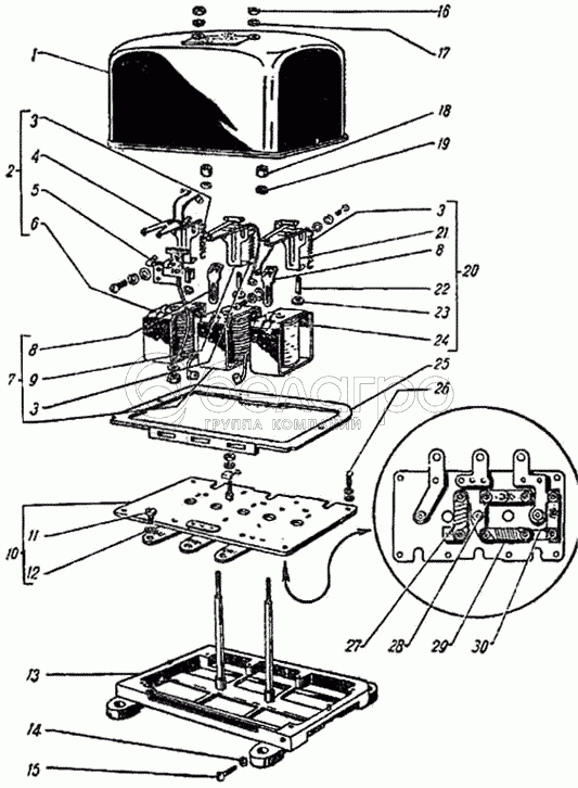
1
2
3
3
3
4
5
6
7
8
8
9
10
11
12
13
14
15
16
17
18
19
20
21
22
23
24
25
26
27
28
29
30
8Х-1497
Шайба 5
В узле: 7
1
РР12-3702003
Крышка реле-регулятора в сборе
В узле: 1
2
РР12-3702200
Реле обратного тока в сборе
В узле: 1
3
РР11-3702418
Пружина якоря регулятора напряжения ограничителя тока и реле обратного тока
В узле: 3
4
РР11-3702205
Якорь реле в сборе
В узле: 1
5
РР11-3702217
Держатель контактов в сборе
В узле: 1
6
РР15-3702201
Катушка реле в сборе
В узле: 1
7
РР12-3702300
Ограничитель тока в сборе
В узле: 1
8
РР11-3702319
Ограничитель хода контактов регулятора напряжения и ограничителя тока в сборе
В узле: 2
9
РР11-3702305
Якорь ограничителя тока в сборе
В узле: 1
10
РР12-3702510
Панель с клеммами в сборе
В узле: 1
11
МХ-0098
Винт контактный
В узле: 3
12
МХ-0246
Шайба 8 пружинная
В узле: 3
13
РР15-3702100
Основание реле-регулятора в сборе
В узле: 1
14
Х-4001
Шайба 5Т пружинная
В узле: 7
15
7Х-1548
Винт крепления провода «на массу»
В узле: 1
16
8Х-1533
Гайка М6-6Н
В узле: 2
17
Х-1482
Шайба 6Т пружинная
В узле: 2
18
РР11-3702006
Втулка шпильки крышки
В узле: 2
19
МХ-0094
Шайба плоская
В узле: 2
20
РР12-3702400
Регулятор напряжения в сборе
В узле: 1
21
РР12-3702420-А
Якорь регулятора напряжения в сборе
В узле: 1
22
РР11-3702215
Штифт регулировочный для натяжения пружины якоря
В узле: 3
23
РР11-3702214
Гайка фасонная специальная
В узле: 3
24
РР12-3702401
Катушка магнитная регулятора напряжения в сборе
В узле: 1
25
РР15-3702008
Прокладка крышки реле-регулятора
В узле: 1
26
МХ-0097
Винт М5-8gх12
В узле: 6
27
РР12-3702547
Сопротивление 15 ом
В узле: 1
28
РР12-3702541
Сопротивление 30 ом
В узле: 1
29
РР12-3702550
Сопротивление 1 ом
В узле: 1
30
РР12-3702542
Сопротивление 80 ом
В узле: 1
Содержащиеся в справочниках-каталогах запасные части и детали не предлагаются к продаже, а носят исключительно информационный характер

Ваша заявка была отправлена. В ближайшее время наши специалисты с Вами свяжутся по указанному Вами телефону.

Представьтесь
Поле обязательно для заполнения
Ваш телефон
Введите правильный номер телефона
E-mail
Введите правильный e-mail
Тема
Тема
применяемость финансирование доставка цена, наличие другое сервис и гарантия
Время для звонка
08:00
08:00 09:00 10:00 11:00 12:00 13:00 14:00 15:00 16:00 17:00 18:00 19:00
19:00
08:00 09:00 10:00 11:00 12:00 13:00 14:00 15:00 16:00 17:00 18:00 19:00

Мы постараемся перезвонить в указанное время

Если вы не хотите ждать, то звоните нашим вежливым консультантам:

8 800 100-2-700
Подтвердите, что вы не робот
Подтвердите, что вы не робот
Спасибо!

Ваше сообщение успешно отправлено!

ЗакрытьПовторить попытку