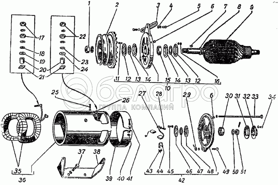
Каталог запасных частей к технике: ГАЗ-51 (63, 63А). Генератор

zoom-in zoom-out enlarge shrink circle-right circle-left file-text2 info cart arraw right arraw left zoom out zoom in arraw maximize arraw minimize
1
2
3
4
5
6
6
7
8
9
10
11
12
12
13
13
14
14
15
16
17
18
19
20
20
21
22
23
24
25
26
27
28
29
30
31
32
33
34
35
36
37
38
39
40
41
42
43
44
45
46
47
48
49
50
51
252136-П2
Шайба 10 ОТ ОСТ 37.001.115-75
В узле: 2
201457-П8
Болт М8-6gх22
В узле: 1
М11-40077
Шплинт
В узле: 1
258025-П2
Шплинт 2,5х20
В узле: 2
Х-4069
Шайба 8 пружинная
В узле: 2
Х-4001
Шайба 5Т пружинная
В узле: 4
Х-1012
Шайба 4 пружинная
В узле: 3
М11-41081
Шайба 5Т пружинная
В узле: 2
М11-40076
Шайба пружинная
В узле: 2
252155-П2
Шайба 8Л ОСТ 37.001.115-75
В узле: 2
252135-П2
Шайба 8Т ОСТ 37.001.115-75
В узле: 1
МХ-0234
Шайба 16Л пружинная
В узле: 1
1
МХ-0235
Гайка М16х1,5-6Н
В узле: 1
2
Г21-3701051
Шкив генератора
В узле: 1
3
20Е-3701035
Планка установочная генератора
В узле: 1
4
252038-П8
Шайба 8 плоская
В узле: 1
5
201457-П8
Болт М8-6gх22
В узле: 1
6
ГБФ-1561
Масленка подшипника генератора
В узле: 2
7
Б-16
Шпонка сегментная шкива генератора
В узле: 1
8
Г21-3701005
Чашка переднего подшипника генератора опорная
В узле: 1
9
Г21-3701200
Якорь в сборе
В узле: 1
10
Г21-3701400-Б
Крышка со стороны привода в сборе
В узле: 1
11
7Х-4066
Винт крепления держателя сальника переднего подшипника якоря генератора
В узле: 4
12
Г21-3701402-Б
Держатель сальника переднего подшипника якоря генератора наружный (шайба)
В узле: 2
13
МХ-0326
Сальник переднего подшипника якоря генератора
В узле: 2
14
Г21-3701403-Б
Держатель сальника переднего подшипника якоря генератора внутренний (шайба)
В узле: 2
15
303
Подшипник якоря генератора шариковый передний
В узле: 1
16
М11-90118
Гайка М5
В узле: 4
17
8Х-1532
Гайка вывода Ш
В узле: 2
18
8Х-1497
Шайба 5
В узле: 1
19
Х-4489
Шайба изоляционная шунтового вывода
В узле: 1
20
Г21-3701104-А
Втулка изоляционная
В узле: 1
20
Г21-3701104-А
Втулка изоляционная
В узле: 1
21
Г21-3701106
Шайба изоляционная шунтового и щеточного выводов
В узле: 1
22
8Х-1533
Гайка М6-6Н
В узле: 2
23
МХ-0276
Шайба 6
В узле: 1
24
Х-4490
Шайба изоляционная щеточного вывода
В узле: 1
25
7Х-1598
Винт М5-8hх12
В узле: 1
26
Г21-3701180
Вывод щеточный в сборе (клемма Я)
В узле: 1
27
Г21-3701020
Щетка генератора в сборе
В узле: 2
28
7Х-1598
Винт М5-8hх12
В узле: 2
29
250867-П8
Гайка М8х1
В узле: 2
30
202
Подшипник якоря генератора задний шариковый
В узле: 1
31
СБА-25-33Д
Прокладка крышки заднего подшипника генератора
В узле: 1
32
СБА-25-22Д
Крышка заднего подшипника генератора
В узле: 1
33
Г21-3701080
Болт стяжной генератора
В узле: 2
34
8Х-1541
Винт
В узле: 3
35
Г21-3701110
Катушка возбуждения в сборе
В узле: 1
36
Г21-3701100
Корпус генератора в сборе
В узле: 1
37
201497-П8
Болт М10х25
В узле: 2
38
51-3701030-Б
Кронштейн крепления генератора к блоку цилиндров двигателя
В узле: 1
39
Г21-3701041
Лента защитная коллектора генератора
В узле: 1
40
8Х-1531
Гайка М5
В узле: 1
41
МХ-0139
Винт М5
В узле: 1
42
Г21-3701300
Крышка со стороны коллектора в сборе
В узле: 1
43
Г21-3701304
Пружина щетки генератора
В узле: 2
44
Г21-3701305
Рычаг прижимной щетки генератора
В узле: 2
45
8Х-1541
Винт
В узле: 3
46
Г21-3701313
Держатель сальника заднего подшипника генератора наружный (шайба)
В узле: 1
47
Х5-9268
Сальник заднего подшипника генератора
В узле: 1
48
Г21-3701314
Держатель сальника заднего подшипника генератора внутренний (шайба)
В узле: 1
49
290667-П8
Болт 1М8х1х30
В узле: 2
50
Х3-9411
Шайба упорная якоря стартера передняя
В узле: 1
51
Х2-1083Д
Гайка крепления заднего конца якоря генератора
В узле: 1
Содержащиеся в справочниках-каталогах запасные части и детали не предлагаются к продаже, а носят исключительно информационный характер

Ваша заявка была отправлена. В ближайшее время наши специалисты с Вами свяжутся по указанному Вами телефону.

Представьтесь
Поле обязательно для заполнения
Ваш телефон
Введите правильный номер телефона
E-mail
Введите правильный e-mail
Тема
Тема
применяемость финансирование доставка цена, наличие другое сервис и гарантия
Время для звонка
08:00
08:00 09:00 10:00 11:00 12:00 13:00 14:00 15:00 16:00 17:00 18:00 19:00
19:00
08:00 09:00 10:00 11:00 12:00 13:00 14:00 15:00 16:00 17:00 18:00 19:00

Мы постараемся перезвонить в указанное время

Если вы не хотите ждать, то звоните нашим вежливым консультантам:

8 800 100-2-700
Подтвердите, что вы не робот
Подтвердите, что вы не робот
Спасибо!

Ваше сообщение успешно отправлено!

ЗакрытьПовторить попытку