Каталог запасных частей к технике: ГАЗ-51 (63, 63А). Ручной тормоз

zoom-in zoom-out enlarge shrink circle-right circle-left file-text2 info cart arraw right arraw left zoom out zoom in arraw maximize arraw minimize
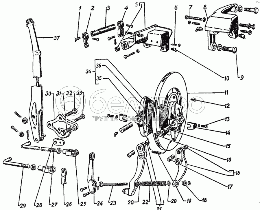
1
2
3
4
5
6
7
8
9
10
10
11
12
13
14
15
16
17
18
19
20
20
21
22
23
24
25
26
27
28
29
30
31
32
33
34
35
36
37
264040-П8
Пресс-масленка К 1/8"
В узле: 1
264040-П8* Масленка М10х1 90 градусов >10 шт. 5.11 р.
201285-П8
Болт М10-4hх32
В узле: 4
А-23637
Штифт головки тяги собачки рычага центрального тормоза
В узле: 1
258025-П
Шплинт 2,5х20
В узле: 1
258039-П
Шплинт 3,2х20 ОСТ 37.001.171-93
В узле: 2
А-2794-А
Шляпка рычага
В узле: 1
252135-П2
Шайба 8Т ОСТ 37.001.115-75
В узле: 2
252137-П2
Шайба 12.ОТ ОСТ 37.001.115-75
В узле: 3
252136-П2
Шайба 10 ОТ ОСТ 37.001.115-75
В узле: 4
51-3508028
Тяга собачки рычага центрального тормоза
В узле: 1
А-2793-В
Пружина тяги собачки рычага центрального тормоза
В узле: 1
260087-П8
Палец рычага стяжки колодок ручного тормоза
В узле: 2
260057-П8
Палец 10х28
В узле: 1
250512-П8
Гайка М10-6Н
В узле: 4
А-7508-В
Втулка кронштейна педалей
В узле: 2
51-3507029
Втулка рычага колодки ручного тормоза
В узле: 4
250976-П8
Гайка М10х1
В узле: 1
250867-П8
Гайка М8х1
В узле: 1
51-3507005
Кронштейн ручного тормоза с колодками и рычагами в сборе
В узле: 1
А-2788
Гильза пружины рычага ручного тормоза
В узле: 1
А-2791-С
Головка тяги собачки рычага центрального тормоза
В узле: 1
252814-П
Заклепка рычага валика привода ручного тормоза
В узле: 2
250515-П8
Гайка М12х1,25
В узле: 1
250612-П8
Гайка М10
В узле: 1
250602-П8
Контргайка винта 242246-П8
В узле: 2
1
264030-П8
Пресс-масленка 2.3.45.Ц6
В узле: 1
2
63-3508070
Рычаг привода ручного тормоза
В узле: 1
3
63-3508062
Валик привода ручного тормоза с заглушкой в сборе
В узле: 1
4
63-3508065
Рычаг валика ручного тормоза
В узле: 1
5
63-3507010
Кронштейн колодок ручного тормоза в сборе
В узле: 1
6
290653-П8
Болт М12х1,25х38
В узле: 2
7
290676-П8
Болт М8Х1,25х58 колодки ручного тормоза регулировочный
В узле: 2
8
51-3507010
Кронштейн ручного тормоза
В узле: 1
9
201542-П8
Болт М12х35
В узле: 3
10
264035-П8
Пресс-масленка К1/8"
В узле: 2
11
51-3507052-В
Диск ручного тормоза
В узле: 1
12
224682-П8
Винт М8-6gх16
В узле: 2
13
201452-П8
Болт М8х1,25х12
В узле: 2
14
51-3507024
Стопор оси колодки ручного тормоза
В узле: 2
15
51-3507022-А
Ось колодки ручного тормоза
В узле: 2
16
51-3507034
Рычаг колодки ручного тормоза задний в сборе
В узле: 1
17
51-3507030
Ось рычага колодки ручного тормоза
В узле: 2
18
292830-П8
Гайка 1М12х1,25 стяжки рычага ручного тормоза
В узле: 1
19
51-3507048
Пружина замка багажника
В узле: 1
20
252045-П8
Шайба 12 верхняя
В узле: 2
21
51-3507026
Рычаг колодки ручного тормоза передний в сборе
В узле: 1
22
51-3507043
Пружина стяжки рычагов колодок ручного тормоза
В узле: 1
23
51-3507040
Стяжка рычагов колодок ручного тормоза
В узле: 1
24
63-3507045
Рычаг стяжки колодок ручного тормоза
В узле: 1
25
060-142642
Вилка привода ручного тормоза регулировочная
В узле: 1
26
51-3507045
Рычаг стяжки колодок ручного тормоза
В узле: 1
27
63-3508043
Тяга привода ручного тормоза
В узле: 1
28
51-3508030
Собачка рычага центрального тормоза
В узле: 1
29
51-3508043
Тяга привода ручного тормоза
В узле: 1
30
51-3508048
Сектор рычага центрального тормоза
В узле: 1
31
201540-П8
Болт М12х1,75х30
В узле: 2
32
205442-П8
Болт 1М10Х1Х40 крепления рычага ручного тормоза к сектору
В узле: 1
33
205424-П8
Болт М8х1х35
В узле: 1
34
51-3507015
Колодка ручного тормоза в сборе
В узле: 2
35
255872-П
Заклепка
В узле: 16
36
51-3507020
Накладка колодки ручного тормоза
В узле: 2
37
51-3508015
Рычаг центрального тормоза в сборе
В узле: 1
Содержащиеся в справочниках-каталогах запасные части и детали не предлагаются к продаже, а носят исключительно информационный характер

Ваша заявка была отправлена. В ближайшее время наши специалисты с Вами свяжутся по указанному Вами телефону.

Представьтесь
Поле обязательно для заполнения
Ваш телефон
Введите правильный номер телефона
E-mail
Введите правильный e-mail
Тема
Тема
применяемость финансирование доставка цена, наличие другое сервис и гарантия
Время для звонка
08:00
08:00 09:00 10:00 11:00 12:00 13:00 14:00 15:00 16:00 17:00 18:00 19:00
19:00
08:00 09:00 10:00 11:00 12:00 13:00 14:00 15:00 16:00 17:00 18:00 19:00

Мы постараемся перезвонить в указанное время

Если вы не хотите ждать, то звоните нашим вежливым консультантам:

8 800 100-2-700
Подтвердите, что вы не робот
Подтвердите, что вы не робот
Спасибо!

Ваше сообщение успешно отправлено!

ЗакрытьПовторить попытку