Каталог запасных частей к технике: ГАЗ-51 (63, 93). Амортизаторы передней подвески

zoom-in zoom-out enlarge shrink circle-right circle-left file-text2 info cart arraw right arraw left zoom out zoom in arraw maximize arraw minimize
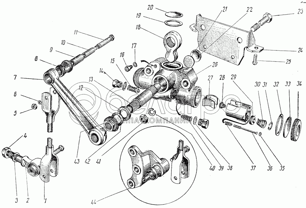
51-2905006-Б1
1
2
3
4
5
5
6
6
7
7
8
8
8
8
9
9
9
9
10
10
10
10
11
11
12
12
13
13
14
14
15
15
16
16
17
17
18
18
19
19
20
20
21
21
22
22
23
23
24
24
25
25
26
27
27
28
28
29
29
30
30
31
31
32
32
33
33
34
34
35
35
36
36
37
37
38
38
39
39
40
40
41
41
42
42
43
43
44
51-2905006-Б1
Амортизатор передней подвески правый в сборе
В узле: 1
51-2905007-Б1
Амортизатор передней подвески левый в сборе
В узле: 1
11-18017-Б
Втулка валика амортизатора - большая
В узле: 2
11-18018-Б
Втулка валика амортизатора - малая
В узле: 2
20-2915320-А
Скоба стопорная амортизатора задней подвески
В узле: 2
51-2905540
Кронштейн амортизатора передней подвески
В узле: 1
ВК-51-2905402
Амортизаторы со скобами в сборе
В узле: 1
51-2905006-Б1
Амортизатор передней подвески правый в сборе
В узле: 1
51-2905007-Б1
Амортизатор передней подвески левый в сборе
В узле: 1
11-18017-Б
Втулка валика амортизатора - большая
В узле: 2
11-18018-Б
Втулка валика амортизатора - малая
В узле: 2
20-2915320-А
Скоба стопорная амортизатора задней подвески
В узле: 2
51-2905430-В1
Стойка амортизатора передней подвески
В узле: 2
51-2905540
Кронштейн амортизатора передней подвески
В узле: 1
ВК-51-2905402
Амортизаторы со скобами в сборе
В узле: 1
1
51-2905430-В2
Стойка амортизатора передней подвески
В узле: 2
2
51-2905472
Проушина стойки амортизатора передней подвески
В узле: 2
3
252139-П2
Шайба 16.ОТ ОСТ 37.001.115-75
В узле: 2
4
250561-П8
Гайка М16х1,5
В узле: 2
5
250789-П8
Гайка 1М8х1
В узле: 4
5
250789-П8
Гайка 1М8х1
В узле: 4
6
252155-П2
Шайба 8Л ОСТ 37.001.115-75
В узле: 4
6
252155-П2
Шайба 8Л ОСТ 37.001.115-75
В узле: 4
7
51-2905126-В
Рычаг амортизатора передней подвески
В узле: 2
7
51-2905126-В
Рычаг амортизатора передней подвески
В узле: 2
8
11-18078
Втулка рычага и проушины стойки амортизатора задней подвески резиновая
В узле: 2
8
11-18078
Втулка рычага и проушины стойки амортизатора задней подвески резиновая
В узле: 2
8
11-18078
Втулка рычага и проушины стойки амортизатора задней подвески резиновая
В узле: 2
8
11-18078
Втулка рычага и проушины стойки амортизатора задней подвески резиновая
В узле: 2
9
11-18080
Втулка (бронзовая) головки рычага амортизатора
В узле: 2
9
11-18080
Втулка (бронзовая) головки рычага амортизатора
В узле: 2
9
11-18080
Втулка (бронзовая) головки рычага амортизатора
В узле: 2
9
11-18080
Втулка (бронзовая) головки рычага амортизатора
В узле: 2
10
11-18079
Втулка рычага и проушины стойки амортизатора задней подвески стальная
В узле: 2
10
11-18079
Втулка рычага и проушины стойки амортизатора задней подвески стальная
В узле: 2
10
11-18079
Втулка рычага и проушины стойки амортизатора задней подвески стальная
В узле: 2
10
11-18079
Втулка рычага и проушины стойки амортизатора задней подвески стальная
В узле: 2
11
20-2915418
Палец стойки амортизатора задней подвески
В узле: 4
11
20-2915418
Палец стойки амортизатора задней подвески
В узле: 4
12
20-2915150-Б
Кольцо уплотнительное сальника амортизатора задней подвески (резиновое)
В узле: 2
12
20-2915150-Б
Кольцо уплотнительное сальника амортизатора задней подвески (резиновое)
В узле: 2
13
20-2915142
Клапан рабочий хода сжатия амортизатора задней подвески в сборе
В узле: 2
13
20-2915142
Клапан рабочий хода сжатия амортизатора задней подвески в сборе
В узле: 2
14
11-2905054
Пробка рабочего клапана амортизатора
В узле: 4
14
11-2905054
Пробка рабочего клапана амортизатора
В узле: 4
15
51-2905240
Клапан рабочий хода отдачи амортизатора задней подвески в сборе
В узле: 2
15
51-2905240
Клапан рабочий хода отдачи амортизатора задней подвески в сборе
В узле: 2
16
11-18023
Пробка наливного отверстия картера амортизатора
В узле: 2
16
11-18023
Пробка наливного отверстия картера амортизатора
В узле: 2
17
11-18024
Прокладка пробки наливного отверстия картера амортизатора
В узле: 2
17
11-18024
Прокладка пробки наливного отверстия картера амортизатора
В узле: 2
18
20-2915110
Кулачок амортизатора задней подвески
В узле: 2
18
20-2915110
Кулачок амортизатора задней подвески
В узле: 2
19
11-18026
Прокладка заглушки верхнего отверстия картера амортизатора
В узле: 2
19
11-18026
Прокладка заглушки верхнего отверстия картера амортизатора
В узле: 2
20
296995-П
Заглушка 52
В узле: 2
20
296995-П
Заглушка 52
В узле: 2
21
11-18025
Прокладка заглушки заднего отверстия картера амортизатора
В узле: 2
21
11-18025
Прокладка заглушки заднего отверстия картера амортизатора
В узле: 2
22
296986-П
Заглушка 30
В узле: 2
22
296986-П
Заглушка 30
В узле: 2
23
291055-П8
Болт М14х1,5х75
В узле: 4
23
291055-П8
Болт М14х1,5х75
В узле: 4
24
51-2905541
Кронштейн амортизатора передней подвески левый
В узле: 1
24
51-2905541
Кронштейн амортизатора передней подвески левый
В узле: 1
25
252805-П
Заклепка крепления поперечины № 6 к лонжерону
В узле: 8
25
252805-П
Заклепка крепления поперечины № 6 к лонжерону
В узле: 8
26
20-2915024
Картер амортизатора передней подвески
В узле: 2
27
11-18035
Пластина пружинная поршня амортизатора
В узле: 2
27
11-18035
Пластина пружинная поршня амортизатора
В узле: 2
28
20-2915170
Головка упорная поршня амортизатора
В узле: 4
28
20-2915170
Головка упорная поршня амортизатора
В узле: 4
29
11-18038
Тарелка впускного клапана амортизатора в сборе
В узле: 4
29
11-18038
Тарелка впускного клапана амортизатора в сборе
В узле: 4
30
11-18044
Пружина впускного клапана амортизатора
В узле: 4
30
11-18044
Пружина впускного клапана амортизатора
В узле: 4
31
11-18045
Кольцо стопорное пружины впускного клапана амортизатора
В узле: 4
31
11-18045
Кольцо стопорное пружины впускного клапана амортизатора
В узле: 4
32
11-18022
Прокладка крышки днища картера амортизатора
В узле: 4
32
11-18022
Прокладка крышки днища картера амортизатора
В узле: 4
33
11-18021
Пластина крышки днища картера амортизатора
В узле: 4
33
11-18021
Пластина крышки днища картера амортизатора
В узле: 4
34
11-18020-А
Крышка днища цилиндра картера амортизатора передней подвески
В узле: 4
34
11-18020-А
Крышка днища цилиндра картера амортизатора передней подвески
В узле: 4
35
296906-П
Заглушка 9
В узле: 4
35
296906-П
Заглушка 9
В узле: 4
36
290325-П
Винт М4х0,7х62
В узле: 4
36
290325-П
Винт М4х0,7х62
В узле: 4
37
11-18037
Пружина стяжного винта поршня амортизатора
В узле: 4
37
11-18037
Пружина стяжного винта поршня амортизатора
В узле: 4
38
11-2905092
Прокладка пробки рабочего клапана амортизатора
В узле: 4
38
11-2905092
Прокладка пробки рабочего клапана амортизатора
В узле: 4
39
51-2905241
Клапан хода сжатия амортизатора передней подвески рабочий в сборе
В узле: 2
39
51-2905241
Клапан хода сжатия амортизатора передней подвески рабочий в сборе
В узле: 2
40
252138-П2
Шайба 14.ОТ ОСТ 37.001.115-75
В узле: 4
40
252138-П2
Шайба 14.ОТ ОСТ 37.001.115-75
В узле: 4
41
250559-П8
Гайка М14х1,5
В узле: 4
41
250559-П8
Гайка М14х1,5
В узле: 4
42
20-2915156
Шайба сальника амортизатора задней подвески
В узле: 2
42
20-2915156
Шайба сальника амортизатора задней подвески
В узле: 2
43
20-2915310
Гайка сальника амортизатора задней подвески
В узле: 2
43
20-2915310
Гайка сальника амортизатора задней подвески
В узле: 2
44
63-2905510-В
Кронштейн стойки амортизатора передней подвески
В узле: 2
Содержащиеся в справочниках-каталогах запасные части и детали не предлагаются к продаже, а носят исключительно информационный характер

Ваша заявка была отправлена. В ближайшее время наши специалисты с Вами свяжутся по указанному Вами телефону.

Представьтесь
Поле обязательно для заполнения
Ваш телефон
Введите правильный номер телефона
E-mail
Введите правильный e-mail
Тема
Тема
применяемость финансирование доставка цена, наличие другое сервис и гарантия
Время для звонка
08:00
08:00 09:00 10:00 11:00 12:00 13:00 14:00 15:00 16:00 17:00 18:00 19:00
19:00
08:00 09:00 10:00 11:00 12:00 13:00 14:00 15:00 16:00 17:00 18:00 19:00

Мы постараемся перезвонить в указанное время

Если вы не хотите ждать, то звоните нашим вежливым консультантам:

8 800 100-2-700
Подтвердите, что вы не робот
Подтвердите, что вы не робот
Спасибо!

Ваше сообщение успешно отправлено!

ЗакрытьПовторить попытку