Каталог запасных частей к технике: ГАЗ-51 (63, 93). Передние рессоры

zoom-in zoom-out enlarge shrink circle-right circle-left file-text2 info cart arraw right arraw left zoom out zoom in arraw maximize arraw minimize
51-2902012-Г
63А-2902012-Б
1
1
1
2
2
2
3
3
3
4
4
4
5
5
5
6
6
6
7
7
7
8
8
8
9
9
9
10
10
10
11
11
12
12
12
13
13
14
15
15
15
16
17
18
19
19
19
20
20
20
21
21
21
22
22
22
23
23
23
24
24
24
25
25
25
26
26
26
27
27
27
28
28
28
29
29
29
30
30
30
31
31
31
32
32
33
33
34
34
34
35
35
35
36
36
37
37
38
38
38
39
39
40
40
41
41
42
42
43
43
44
44
44
51-2902012-Г
Рессора передняя в сборе
В узле: 2
253691-П
Заклепка крепления хомута
В узле: 4
253691-П
Заклепка крепления хомута
В узле: 2
253691-П
Заклепка крепления хомута
В узле: 2
253691-П
Заклепка крепления хомута
В узле: 2
252806-П
Заклепка крепления угольника
В узле: 10
252806-П
Заклепка крепления угольника
В узле: 2
252809-П
Заклепка крепления усилительной пластины
В узле: 6
201521-П8
Болт М10х1-6gх32
В узле: 2
51-2902012-Г
Рессора передняя в сборе
В узле: 2
253691-П
Заклепка крепления хомута
В узле: 4
253691-П
Заклепка крепления хомута
В узле: 2
253691-П
Заклепка крепления хомута
В узле: 2
253691-П
Заклепка крепления хомута
В узле: 2
63-2902412-Б1
Накладка передней рессоры
В узле: 2
63-2902408-Б
Стремянка передней рессоры
В узле: 4
292931-П8
Гайка М20х1,5-4Н5Н
В узле: 8
252141-П2
Шайба 20.ОТ ОСТ 37.001.115-75
В узле: 8
252806-П
Заклепка крепления угольника
В узле: 10
252806-П
Заклепка крепления угольника
В узле: 2
252809-П
Заклепка крепления усилительной пластины
В узле: 6
201521-П8
Болт М10х1-6gх32
В узле: 2
63А-2902012-Б
Рессора передняя в сборе
В узле: 2
253691-П
Заклепка крепления хомута
В узле: 4
63А-2902103-Б
Лист № 3 передней рессоры
В узле: 2
63А-2902104-Б
Лист № 4 передней рессоры
В узле: 2
63А-2902052-Б1
Лист № 5 передней рессоры с хомутами в сборе
В узле: 2
63А-2902062-Б1
Хомут четвертого листа задней рессоры
В узле: 2
253691-П
Заклепка крепления хомута
В узле: 2
63А-2902054
Лист № 6 передней рессоры с хомутом в сборе
В узле: 2
40А-2912062-Б
Хомут листа № 8 передней рессоры
В узле: 2
253691-П
Заклепка крепления хомута
В узле: 2
63А-2902053-Б1
Лист № 8 передней рессоры с хомутами в сборе
В узле: 2
63А-2902063-Б1
Хомут листа № 8 передней рессоры
В узле: 2
253691-П
Заклепка крепления хомута
В узле: 2
209472-П2
Болт М10х1х85 листов задней дополнительной рессоры
В узле: 2
63-2902412-Б1
Накладка передней рессоры
В узле: 2
63-2902408-Б
Стремянка передней рессоры
В узле: 4
292931-П8
Гайка М20х1,5-4Н5Н
В узле: 8
252141-П2
Шайба 20.ОТ ОСТ 37.001.115-75
В узле: 8
252806-П
Заклепка крепления угольника
В узле: 4
252809-П
Заклепка крепления усилительной пластины
В узле: 6
252806-П
Заклепка крепления угольника
В узле: 2
252809-П
Заклепка крепления усилительной пластины
В узле: 6
201521-П8
Болт М10х1-6gх32
В узле: 2
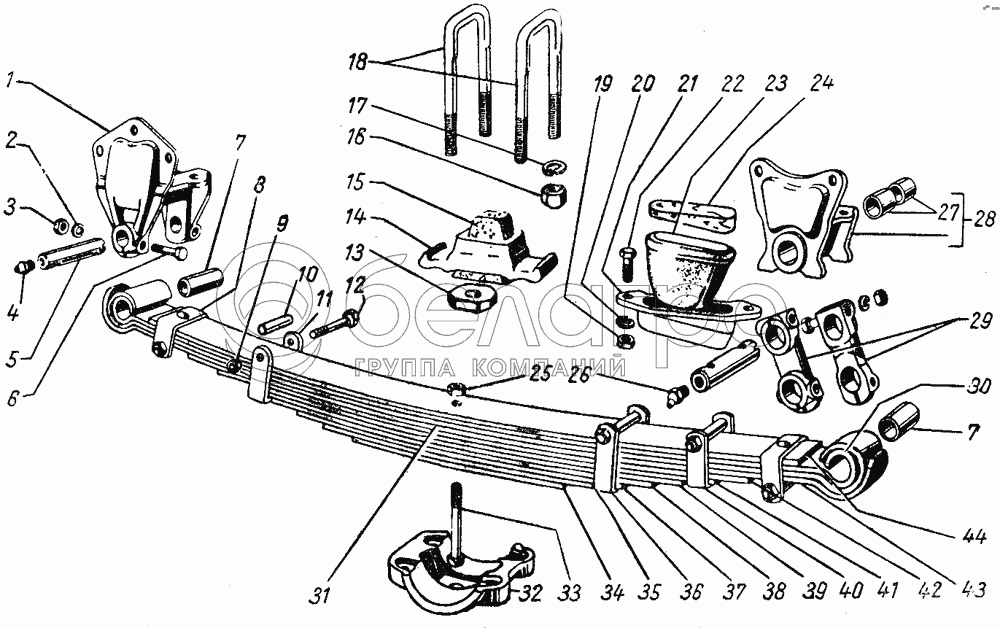
1
51-2902444
Кронштейн передний
В узле: 2
1
51-2902444
Кронштейн передний
В узле: 2
1
51-2902444
Кронштейн передний
В узле: 2
2
252136-П2
Шайба 10 ОТ ОСТ 37.001.115-75
В узле: 12
2
252136-П2
Шайба 10 ОТ ОСТ 37.001.115-75
В узле: 12
2
252136-П2
Шайба 10 ОТ ОСТ 37.001.115-75
В узле: 12
3
250513-П8
Гайка М10х1-6Н
В узле: 12
3
250513-П8
Гайка М10х1-6Н
В узле: 12
3
250513-П8
Гайка М10х1-6Н
В узле: 12
4
264020-П8
Пресс-масленка К 1/8"
В узле: 4
4
264020-П8
Пресс-масленка К 1/8"
В узле: 4
4
264020-П8
Пресс-масленка К 1/8"
В узле: 4
5
51-2902478
Палец
В узле: 6
5
51-2902478
Палец
В узле: 6
5
51-2902478
Палец
В узле: 6
6
290825-П8
Болт М10х1х58
В узле: 12
6
290825-П8
Болт М10х1х58
В узле: 12
6
290825-П8
Болт М10х1х58
В узле: 12
7
51-2902028
Втулка ушка передней рессоры
В узле: 4
7
51-2902028
Втулка ушка передней рессоры
В узле: 4
7
51-2902028
Втулка ушка передней рессоры
В узле: 4
8
51-2902061-Б
Хомут четвертого листа передней рессоры
В узле: 4
8
51-2902061-Б
Хомут четвертого листа передней рессоры
В узле: 4
8
51-2902061-Б
Хомут четвертого листа передней рессоры
В узле: 4
9
250510-П2
Гайка М8-6Н ОСТ 37.001.124-93
В узле: 10
9
250510-П2
Гайка М8-6Н ОСТ 37.001.124-93
В узле: 10
9
250510-П2
Гайка М8-6Н ОСТ 37.001.124-93
В узле: 10
10
51-2902068
Втулка распорная хомута рессоры
В узле: 10
10
51-2902068
Втулка распорная хомута рессоры
В узле: 10
10
51-2902068
Втулка распорная хомута рессоры
В узле: 10
11
51-2902063-Б
Хомут листа № 6 передней рессоры
В узле: 2
11
51-2902063-Б
Хомут листа № 6 передней рессоры
В узле: 2
12
200277-П2
Болт М8-6gх90 ОСТ 37.001.122-96
В узле: 10
12
200277-П2
Болт М8-6gх90 ОСТ 37.001.122-96
В узле: 10
12
200277-П2
Болт М8-6gх90 ОСТ 37.001.122-96
В узле: 10
13
63-2902632
Вкладыш буфера передней рессоры
В узле: 2
13
63-2902632
Вкладыш буфера передней рессоры
В узле: 2
14
51-2902412
Накладка передней рессоры
В узле: 2
15
64-5640
Буфер передней рессоры
В узле: 2
15
64-5640
Буфер передней рессоры
В узле: 2
15
64-5640
Буфер передней рессоры
В узле: 2
16
292873-П8
Гайка М16х1,5
В узле: 8
17
252139-П2
Шайба 16.ОТ ОСТ 37.001.115-75
В узле: 8
18
51-2902408-Б
Стремянка передней рессоры
В узле: 4
19
250513-П8
Гайка М10х1-6Н
В узле: 4
19
250513-П8
Гайка М10х1-6Н
В узле: 4
19
250513-П8
Гайка М10х1-6Н
В узле: 4
20
252136-П2
Шайба 10 ОТ ОСТ 37.001.115-75
В узле: 4
20
252136-П2
Шайба 10 ОТ ОСТ 37.001.115-75
В узле: 4
20
252136-П2
Шайба 10 ОТ ОСТ 37.001.115-75
В узле: 4
21
51-2902674
Обойма дополнительного буфера
В узле: 2
21
51-2902674
Обойма дополнительного буфера
В узле: 2
21
51-2902674
Обойма дополнительного буфера
В узле: 2
22
201519-П8
Болт 1М10х1х28
В узле: 2
22
201519-П8
Болт 1М10х1х28
В узле: 2
22
201519-П8
Болт 1М10х1х28
В узле: 2
23
51-2902684
Буфер дополнительный
В узле: 2
23
51-2902684
Буфер дополнительный
В узле: 2
23
51-2902684
Буфер дополнительный
В узле: 2
24
51-2902690-А
Вкладыш обоймы дополнительного буфера
В узле: 2
24
51-2902690-А
Вкладыш обоймы дополнительного буфера
В узле: 2
24
51-2902690-А
Вкладыш обоймы дополнительного буфера
В узле: 2
25
250513-П2
Гайка М10х1
В узле: 2
25
250513-П2
Гайка М10х1
В узле: 2
25
250513-П2
Гайка М10х1
В узле: 2
26
264030-П8
Пресс-масленка 2.3.45.Ц6
В узле: 2
26
264030-П8
Пресс-масленка 2.3.45.Ц6
В узле: 2
26
264030-П8
Пресс-масленка 2.3.45.Ц6
В узле: 2
27
51-2902504-А
Втулка вертикального ролика троса лебедки
В узле: 4
27
51-2902504-А
Втулка вертикального ролика троса лебедки
В узле: 4
27
51-2902504-А
Втулка вертикального ролика троса лебедки
В узле: 4
28
51-2902442-А
Кронштейн задний с втулками в сборе
В узле: 2
28
51-2902442-А
Кронштейн задний с втулками в сборе
В узле: 2
28
51-2902442-А
Кронштейн задний с втулками в сборе
В узле: 2
29
51-2902466
Серьга
В узле: 4
29
51-2902466
Серьга
В узле: 4
29
51-2902466
Серьга
В узле: 4
30
51-2902015-Б
Лист № 1 с втулками в сборе (По выбору)
В узле: 2
30
51-2902015-Б
Лист № 1 с втулками в сборе (По выбору)
В узле: 2
30
51-2902015-Б
Лист № 1 с втулками в сборе (По выбору)
В узле: 2
31
51-2902102-Г
Лист № 2 передней рессоры
В узле: 2
31
51-2902102-Г
Лист № 2 передней рессоры
В узле: 2
31
51-2902102-Г
Лист № 2 передней рессоры
В узле: 2
32
51-2912418-А
Подкладка передней рессоры
В узле: 1
32
51-2912418-А
Подкладка передней рессоры
В узле: 1
33
209470-П2
Болт 1М 10х1х78 передней рессоры центровой
В узле: 2
33
209470-П2
Болт 1М 10х1х78 передней рессоры центровой
В узле: 2
34
51-2902110-В
Лист № 10 передней рессоры
В узле: 2
34
51-2902110-В
Лист № 10 передней рессоры
В узле: 2
34
51-2902110-В
Лист № 10 передней рессоры
В узле: 2
35
51-2902109-В
Лист № 9 передней рессоры
В узле: 2
35
51-2902109-В
Лист № 9 передней рессоры
В узле: 2
35
51-2902109-В
Лист № 9 передней рессоры
В узле: 2
36
40А-2912062-Б
Хомут листа № 8 передней рессоры
В узле: 2
36
51-2912062-А
Хомут восьмого листа передней рессоры
В узле: 2
37
51-2902053-В1
Лист № 8 передней рессоры с хомутами в сборе
В узле: 2
37
51-2902053-В1
Лист № 8 передней рессоры с хомутами в сборе
В узле: 2
38
51-2902107-В
Лист № 7 передней рессоры
В узле: 2
38
51-2902107-В
Лист № 7 передней рессоры
В узле: 2
38
51-2902107-В
Лист № 7 передней рессоры
В узле: 2
39
51-2902054
Лист № 6 передней рессоры с хомутом в сборе
В узле: 2
39
51-2902054
Лист № 6 передней рессоры с хомутом в сборе
В узле: 2
40
51-2902062-В1
Хомут листа № 5 передней рессоры
В узле: 2
40
51-2902062-В1
Хомут листа № 5 передней рессоры
В узле: 2
41
51-2902052-Г1
Лист №5 передней рессоры с хомутом в сборе
В узле: 2
41
63-2902052
Лист № 5 передней рессоры с хомутом в сборе
В узле: 2
42
51-2902104-В1
Лист № 4 передней рессоры
В узле: 2
42
51-2902104-В
Лист № 4 передней рессоры
В узле: 2
43
51-2902103-В
Лист № 3 передней рессоры
В узле: 2
43
51-2902103-В
Лист № 3 передней рессоры
В узле: 2
44
51-2902051-В2
Лист обратный передней рессоры с хомутами в сборе
В узле: 2
44
51-2902051-В1
Лист передней рессоры обратный с хомутами в сборе
В узле: 2
44
51-2902051-В1
Лист передней рессоры обратный с хомутами в сборе
В узле: 2
Содержащиеся в справочниках-каталогах запасные части и детали не предлагаются к продаже, а носят исключительно информационный характер

Ваша заявка была отправлена. В ближайшее время наши специалисты с Вами свяжутся по указанному Вами телефону.

Представьтесь
Поле обязательно для заполнения
Ваш телефон
Введите правильный номер телефона
E-mail
Введите правильный e-mail
Тема
Тема
применяемость финансирование доставка цена, наличие другое сервис и гарантия
Время для звонка
08:00
08:00 09:00 10:00 11:00 12:00 13:00 14:00 15:00 16:00 17:00 18:00 19:00
19:00
08:00 09:00 10:00 11:00 12:00 13:00 14:00 15:00 16:00 17:00 18:00 19:00

Мы постараемся перезвонить в указанное время

Если вы не хотите ждать, то звоните нашим вежливым консультантам:

8 800 100-2-700
Подтвердите, что вы не робот
Подтвердите, что вы не робот
Спасибо!

Ваше сообщение успешно отправлено!

ЗакрытьПовторить попытку