Каталог запасных частей к технике: ГАЗ-51 (63, 93). Газовое оборудование

zoom-in zoom-out enlarge shrink circle-right circle-left file-text2 info cart arraw right arraw left zoom out zoom in arraw maximize arraw minimize
1
2
3
3
3
4
5
6
7
8
8
8
9
9
10
11
12
13
14
15
16
17
18
19
20
21
22
23
24
25
25
25
26
27
27
28
29
30
31
32
33
34
34
34
34
34
35
35
35
35
35
36
37
38
39
40
41
42
43
44
46
46
47
48
49
50
51
51
52
52
52
53
53
54
54
54
55
56
57
58
59
60
60
61
61
62
63
64
65
66
67
68
69
250512-П8
Гайка М10-6Н
В узле: 15
252136-П2
Шайба 10 ОТ ОСТ 37.001.115-75
В узле: 15
252136-П8
Шайба
В узле: 6
250512-П8
Гайка М10-6Н
В узле: 6
51Ж-4402100
Вентиль наполнительный в сборе
В узле: 1
250763-П8
Гайка М5х0,8
В узле: 1
252153-П8
Шайба пружинная диаметром 5
В узле: 1
51Ж-4402200
Вентиль расходный в сборе
В узле: 1
250763-П8
Гайка М5х0,8
В узле: 1
252153-П8
Шайба пружинная диаметром 5
В узле: 1
51Ж-4402500
Вентиль паровой в сборе
В узле: 1
250763-П8
Гайка М5х0,8
В узле: 1
252153-П8
Шайба пружинная диаметром 5
В узле: 1
200271-П8
Болт М8х60 крепления газового редуктора к кронштейну
В узле: 4
250510-П8
Гайка М8х1,25
В узле: 4
252135-П2
Шайба 8Т ОСТ 37.001.115-75
В узле: 4
250510-П8
Гайка М8х1,25
В узле: 4
252135-П
Шайба диам 8 пружинная
В узле: 4
120Д-4404020-Б
Корпус газового редуктора
В узле: 1
120Е-4404042
Крышка
В узле: 1
120Е-4404044
Прокладка крышки
В узле: 1
224600-П8
Винт М5х16
В узле: 3
252133-П
Шайба пружинная 5
В узле: 3
304049-П8
Шпилька М6х27
В узле: 6
250508-П8
Гайка М6-6Н
В узле: 12
120Д-4404032
Крышка корпуса нижняя
В узле: 1
120Е-4404025
Крышка верхняя в сборе
В узле: 1
201423-П8
Болт М6 х28 крепления верхней крышки
В узле: 4
200213-П8
Болт М6х35
В узле: 6
120Д-4404040
Прокладка крышки смотрового люка
В узле: 1
201418-П8
Болт М6-6gх16
В узле: 4
120Д-4404050
Диафрагма высокого давления в сборе
В узле: 1
120Е-4404060
Пружина диафрагмы высокого давления
В узле: 1
120Д-4404062
Седло пружины диафрагмы высокого давления
В узле: 1
120Д-4404064
Контргайка седла пружины
В узле: 2
120Д-4404068
Ось рычажка диафрагмы в сборе
В узле: 2
120Д-4404072
Пркладка оси рычажка
В узле: 2
120Е-4404080
Клапан высокого давления в сборе
В узле: 1
120Д-4404090
Штуцер подводящий в сборе
В узле: 1
120Д-4404098
Прокладка подводящего штуцера
В узле: 1
120Д-4404095
Прокладка соединительной трубы
В узле: 1
120Е-4404100
Седло клапана высокого давления
В узле: 1
120Д-4404103
Прокладка клапана высокого давления
В узле: 1
120Д-4404104
Прокладка клапана высокого давления
В узле: 1
120Д-4404110
Диафрагма низкого давления в сборе
В узле: 1
120Д-4404124
Пружина диафрагмы низкого давления
В узле: 1
120Д-4404126
Седло пружины диафрагмы низкого давления
В узле: 1
120Д-4404128
Шайба упорная пружины диафрагмы низкого давления
В узле: 1
258024-П8
Шплинт 2,3х16
В узле: 1
222468-П8
Винт М4х0,7х6
В узле: 1
120Д-4404130
Крышка седла пружины диафрагмы низкого давления
В узле: 1
120Д-4404140
Рычажок диафрагмы низкого давления в сборе
В узле: 1
120Д-4404150
Клапан низкого давления в сборе
В узле: 1
120Д-4404160
Седло клапана низкого давления
В узле: 1
120Д-4404162
Прокладка седла клапана низкого давления
В узле: 1
120Д-4404164
Винт регулировочный клапана низкого давления в сборе
В узле: 1
120Д-4404169
Контргайка регулировочного винта
В узле: 1
120Д-4404178
Диафрагма разгрузочная с корпусом и крышкой в сборе
В узле: 1
120Д-4404216
Штуцер отбора газа
В узле: 1
120А-4404218
Сальник штуцера
В узле: 1
120Д-4404219
Шайба штуцера отбора газа
В узле: 1
120Е-4404232
Корпус регулятора газа в сборе
В узле: 1
120Д-4404028
Штуцер к манометру
В узле: 1
120Д-4404320
Клапан предохранительный к седлам и штуцерам в сборе
В узле: 1
120Д-4404400
Фильтр газового редуктора в сборе
В узле: 1
297586-П8
Лента стяжная хомутиков для шлангов
В узле: 2
297575-П8
Шплинт хомутика
В узле: 2
297580-П8
Пряжка хомута
В узле: 2
297575-П8
Шплинт хомутика
В узле: 2
297580-П8
Пряжка хомута
В узле: 2
297575-П8
Шплинт хомутика
В узле: 2
297580-П8
Пряжка хомута
В узле: 2
297575-П8
Шплинт хомутика
В узле: 2
297580-П8
Пряжка хомута
В узле: 2
297575-П8
Шплинт хомутика
В узле: 2
297580-П8
Пряжка хомута
В узле: 2
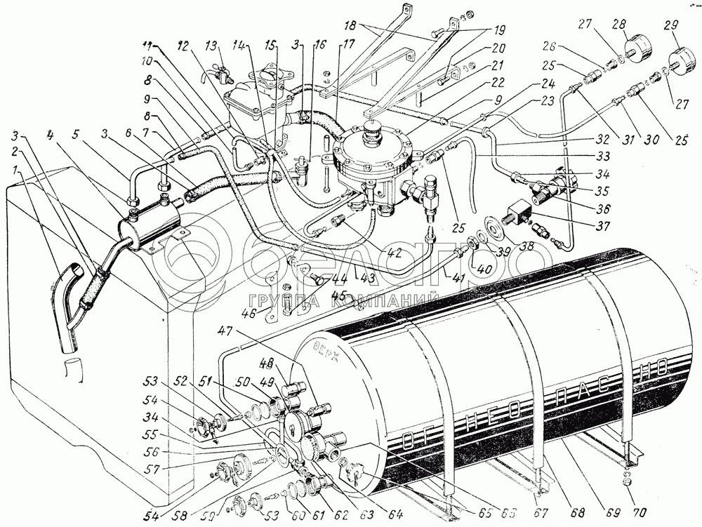
1
51Ж-1303018-Б
Труба радиатора отводящая в сборе
В узле: 1
2
30-8101038
Шланг впускной трубы отопителя - длинный
В узле: 1
3
297586-П8
Лента стяжная хомутиков для шлангов
В узле: 2
3
297586-П8
Лента стяжная хомутиков для шлангов
В узле: 2
4
51Ж-4409010-Б
Испаритель газа в сборе
В узле: 1
5
51Ж-4408171
Трубка соединительная от испарителя к газовому редуктору
В узле: 1
6
69-1014075
Шланг соединительный вентиляции картера
В узле: 1
7
51Ж-4408156
Трубка соединительная от испарителя к магистральному вентилю
В узле: 1
8
297582-П8
Лента 10х180
В узле: 2
8
297582-П8
Лента 10х180
В узле: 2
9
51Ж-4408200
Шланг от магистрального вентиля к испарителю
В узле: 1
9
51Ж-4408200
Шланг от магистрального вентиля к испарителю
В узле: 1
10
51Б-4408246
Трубка соединительная от всасывающего трубопровода двигателя к газовому редуктору в сборе
В узле: 1
11
51Б-4408245-Б
Трубка от всасывающего трубопровода двигателя к газовому редуктору
В узле: 1
12
МКБ-1013298
Штуцер двойной
В узле: 1
13
51-1013140
Краник запорный масляного радиатора в сборе
В узле: 1
14
51Ж-4408245
Трубка соединительная от газового редуктора к карбюратору
В узле: 1
15
297507-П8
Скоба крепления выпускной трубы отопителя
В узле: 2
16
258038-П
Шплинт 2,7х15
В узле: 2
17
51Ж-4408234
Шланг от газового редуктора к карбюратору
В узле: 1
18
51Б-4404464
Усилитель кронштейна крепления газового редуктора
В узле: 2
19
201456-П8
Болт М8х1,25х20
В узле: 4
20
51Б-4404462
Кронштейн крепления газового редуктора к щитку кабины
В узле: 2
21
51Б-4404468
Трубка распорная крепления газового редуктора к кронштейну
В узле: 4
22
51Ж-4404010
Газовый редуктор в сборе
В узле: 1
23
51-3802035
Втулка уплотнительная
В узле: 1
24
М-14570
Втулка
В узле: 1
25
51Б-4408336
Штуцер переходный
В узле: 1
25
51Б-4408336
Штуцер переходный
В узле: 2
26
51Б-4408338
Прокладка штуцера переходного
В узле: 1
27
20-1101108
Прокладка головки указателя уровня бензина
В узле: 2
28
51Ж-3816060
Манометр газовый высокого давления в сборе
В узле: 1
29
51Б-3816110-Б
Манометр газовый низкого давления в сборе
В узле: 1
30
51Ж-4408220
Трубка соединительная от газового редуктора к манометру низкого давления в сборе
В узле: 1
31
51Б-4408202
Трубка соединительная от магистрального вентиля к манометру высокого давления в сборе
В узле: 1
32
51Ж-4408153
Трубка соединительная от магистрального вентиля к испарителю
В узле: 1
33
51Б-4408240
Трубка соединительная предохранительного клапана с атмосферой в сборе
В узле: 1
34
51Б-4408016
Гайка накидная уплотнителыюго кольца
В узле: 2
34
51Б-4408016
Гайка накидная уплотнителыюго кольца
В узле: 2
34
51Б-4408016
Гайка накидная уплотнителыюго кольца
В узле: 2
34
51Б-4408016
Гайка накидная уплотнителыюго кольца
В узле: 1
34
51Б-4408016
Гайка накидная уплотнителыюго кольца
В узле: 1
35
51Б-4408014
Кольцо уплотнительное соединительной трубки от газового баллона к магистральному вентилю
В узле: 2
35
51Б-4408014
Кольцо уплотнительное соединительной трубки от газового баллона к магистральному вентилю
В узле: 2
35
51Б-4408014
Кольцо уплотнительное соединительной трубки от газового баллона к магистральному вентилю
В узле: 2
35
51Б-4408014
Кольцо уплотнительное соединительной трубки от газового баллона к магистральному вентилю
В узле: 1
35
51Б-4408014
Кольцо уплотнительное соединительной трубки от газового баллона к магистральному вентилю
В узле: 1
36
51Б-4402008
Вентиль магистральный со штуцером в сборе
В узле: 1
37
51Б-4408322
Штуцер переходный магистрального вентиля в сборе
В узле: 1
38
51Б-4402013
Шайба опорная магистрального вентиля
В узле: 1
39
252018-П8
Шайба диаметром 34 крепления магистрального вентиля
В узле: 1
40
250638-П8
Гайка 1М18 крепления магистрального вентиля
В узле: 1
41
51Ж-4408053-А
Трубка соединительная от газового баллона к магистральному вентилю
В узле: 1
42
280073-П8
Штуцер для соединения редуктора с манометром низкого давления
В узле: 1
43
51Ж-4408175
Трубка соединительная от газового редуктора к испарителю
В узле: 1
44
201497-П8
Болт М10х25
В узле: 15
46
51-1102105
Усилитель кронштейна крепления дополнительного бензинового бака
В узле: 6
47
51Ж-4402300
Вентиль контрольный в сборе
В узле: 1
48
51Ж-4402400
Клапан предохранительный в сборе
В узле: 1
49
51Ж-4410010
Указатель уровня сжиженного газа в сборе
В узле: 1
50
51Ж-4402520
Корпус парового вентиля
В узле: 1
51
51Ж-4402240
Диафрагма расходного вентиля
В узле: 1
51
51Ж-4402240
Диафрагма расходного вентиля
В узле: 1
52
51Ж-4402254
Шток наполнительного вентиля
В узле: 1
52
51Ж-4402254
Шток наполнительного вентиля
В узле: 1
52
51Ж-4402254
Шток наполнительного вентиля
В узле: 1
53
51Ж-4402258-А
Крышка расходного вентиля
В узле: 1
53
51Ж-4402258-Л
Крышка парового вентиля
В узле: 1
54
51Ж-4402270
Маховичок наполнительного вентиля
В узле: 1
54
51Ж-4402270
Маховичок наполнительного вентиля
В узле: 1
54
51Ж-4402270
Маховичок наполнительного вентиля
В узле: 1
55
51Ж-4408075-Б
Трубка соединительная от расходного вентиля к паровому вентилю
В узле: 1
56
51Ж-4402144
Шайба нажимная диафрагмы наполнительного вентиля
В узле: 1
57
51Ж-4402158-А
Крышка наполнительного вентиля
В узле: 1
58
51Ж-4402134
Клапан наполнительного вентиля
В узле: 1
59
51Ж-4408340
Тройник расходного вентиля
В узле: 1
60
51Ж-4402234
Клапан расходного вентиля
В узле: 1
60
51Ж-4402234
Клапан расходного вентиля
В узле: 1
61
51Ж-4402244
Прокладка нажимная диафрагмы расходного вентиля
В узле: 1
61
51Ж-4402244
Прокладка нажимная диафрагмы расходного вентиля
В узле: 1
62
51Ж-4402220
Корпус расходного вентиля
В узле: 1
63
51Ж-4402140
Диафрагма наполнительного вентиля
В узле: 1
64
51Ж-4402164
Кольцо уплотнительное наполнительного вентиля
В узле: 1
65
51Ж-4402162
Пробка наполнительного вентиля
В узле: 1
66
51Ж-4402120
Корпус наполнительного вентиля
В узле: 1
67
51Ж-4401072
Кронштейн крепления газового баллона высокого давления
В узле: 3
68
51Ж-4401060
Хомут крепления газового баллона высокого давления в сборе
В узле: 3
69
51Ж-4401015
Баллон газовый высокого давления в сборе
В узле: 1
Содержащиеся в справочниках-каталогах запасные части и детали не предлагаются к продаже, а носят исключительно информационный характер

Ваша заявка была отправлена. В ближайшее время наши специалисты с Вами свяжутся по указанному Вами телефону.

Представьтесь
Поле обязательно для заполнения
Ваш телефон
Введите правильный номер телефона
E-mail
Введите правильный e-mail
Тема
Тема
применяемость финансирование доставка цена, наличие другое сервис и гарантия
Время для звонка
08:00
08:00 09:00 10:00 11:00 12:00 13:00 14:00 15:00 16:00 17:00 18:00 19:00
19:00
08:00 09:00 10:00 11:00 12:00 13:00 14:00 15:00 16:00 17:00 18:00 19:00

Мы постараемся перезвонить в указанное время

Если вы не хотите ждать, то звоните нашим вежливым консультантам:

8 800 100-2-700
Подтвердите, что вы не робот
Подтвердите, что вы не робот
Спасибо!

Ваше сообщение успешно отправлено!

ЗакрытьПовторить попытку