Каталог запасных частей к технике: ГАЗ-51 (63, 93). Коробка отбора мощности

zoom-in zoom-out enlarge shrink circle-right circle-left file-text2 info cart arraw right arraw left zoom out zoom in arraw maximize arraw minimize
63А-4207010-Б
63Д-4207010
1
1
2
2
3
3
3
4
4
5
5
6
6
7
7
8
8
9
9
10
10
11
11
12
12
13
13
14
14
15
15
16
16
17
17
18
18
19
19
20
20
21
21
22
22
23
23
24
24
25
25
26
26
27
27
28
28
29
29
30
30
31
31
32
32
33
33
34
34
35
35
36
36
37
37
38
39
39
40
40
41
41
63А-4207010-Б
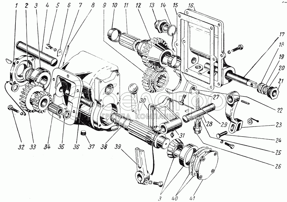
Коробка отбора мощности в сборе
В узле: 1
252154-П2
Шайба 6Л ОСТ 37.001.115-75
В узле: 1
201243-П8
Болт М8х25 крепления нагнетательной трубки к блоку
В узле: 4
252135-П2
Шайба 8Т ОСТ 37.001.115-75
В узле: 4
63А-4207100
Прокладка крышки подшипника вторичного вала
В узле: ---
260444-П
Шпонка 8х14 вторичного вала
В узле: 1
252135-П2
Шайба 8Т ОСТ 37.001.115-75
В узле: 4
206555-П
Болт М10Х1Х25 крепления вилки включения передач
В узле: 1
257879-П
Проволока болта вилки включения передач шплинтовая
В узле: 1
201497-П8
Болт М10х25
В узле: 4
201509-П8
Болт М10-6gх60
В узле: 2
252136-П2
Шайба 10 ОТ ОСТ 37.001.115-75
В узле: 6
258978-П8
Штифт 8х40 конический
В узле: 1
260411-П
Шпонка сегментная 3х16
В узле: 1
201501-П8
Болт М10-6gх35
В узле: 1
252136-П2
Шайба 10 ОТ ОСТ 37.001.115-75
В узле: 1
264020-П8
Пресс-масленка К 1/8"
В узле: 1
201456-П8
Болт М8х1,25х20
В узле: 4
252135-П2
Шайба 8Т ОСТ 37.001.115-75
В узле: 4
293304-П8
Шайба 10 плоская
В узле: 1
258025-П
Шплинт 2,5х20
В узле: 1
АА-7166-А
Прокладка крышки люка
В узле: 1
216257-П8
Шпилька М10х1-4hх22
В узле: 6
292779-П8
Гайка М10х1-4Н5Н
В узле: 6
252136-П2
Шайба 10 ОТ ОСТ 37.001.115-75
В узле: 6
201418-П8
Болт М6-6gх16
В узле: 2
250764-П8
Гайка М6х1
В узле: 2
252134-П2
Шайба 6Т ОСТ 37.001.115-75
В узле: 2
252004-П8
Шайба 6
В узле: 2
63Д-4207010
Коробка отбора мощности в сборе
В узле: 1
63А-4207100
Прокладка крышки подшипника вторичного вала
В узле: 1
201243-П8
Болт М8х25 крепления нагнетательной трубки к блоку
В узле: 4
252135-П2
Шайба 8Т ОСТ 37.001.115-75
В узле: 4
63А-4207100
Прокладка крышки подшипника вторичного вала
В узле: ---
252135-П2
Шайба 8Т ОСТ 37.001.115-75
В узле: 4
206555-П
Болт М10Х1Х25 крепления вилки включения передач
В узле: 1
257879-П
Проволока болта вилки включения передач шплинтовая
В узле: 1
201497-П8
Болт М10х25
В узле: 4
201509-П8
Болт М10-6gх60
В узле: 2
252136-П2
Шайба 10 ОТ ОСТ 37.001.115-75
В узле: 6
258978-П8
Штифт 8х40 конический
В узле: 1
260411-П
Шпонка сегментная 3х16
В узле: 1
201501-П8
Болт М10-6gх35
В узле: 1
252136-П2
Шайба 10 ОТ ОСТ 37.001.115-75
В узле: 1
264020-П8
Пресс-масленка К 1/8"
В узле: 1
201456-П8
Болт М8х1,25х20
В узле: 4
252135-П2
Шайба 8Т ОСТ 37.001.115-75
В узле: 4
293304-П8
Шайба 10 плоская
В узле: 1
258025-П
Шплинт 2,5х20
В узле: 1
АА-7166-А
Прокладка крышки люка
В узле: 1
216257-П8
Шпилька М10х1-4hх22
В узле: 6
292779-П8
Гайка М10х1-4Н5Н
В узле: 6
252136-П2
Шайба 10 ОТ ОСТ 37.001.115-75
В узле: 6
201418-П8
Болт М6-6gх16
В узле: 2
250764-П8
Гайка М6х1
В узле: 2
252134-П2
Шайба 6Т ОСТ 37.001.115-75
В узле: 2
252004-П8
Шайба 6
В узле: 2
252154-П2
Шайба 6Л ОСТ 37.001.115-75
В узле: 1
63Д-4207070
Вал вторичный коробки отбора мощности
В узле: 1
1
63А-4207084-Б
Крышка подшипника вторичного вала коробки отбора мощности передняя
В узле: 1
1
63А-4207084-Б
Крышка подшипника вторичного вала коробки отбора мощности передняя
В узле: 1
2
20-3401023-Б
Манжета в сборе
В узле: 1
2
20-3401023-Б
Манжета в сборе
В узле: 1
3
63А-4207075
Подшипник роликовый конический ведомого вала раздаточной коробки в сборе
В узле: 2
3
63А-4207075
Подшипник роликовый конический ведомого вала раздаточной коробки в сборе
В узле: 2
4
63А-4207050-Б
Вал коробки отбора мощности промежуточный
В узле: 1
4
63А-4207050-Б
Вал коробки отбора мощности промежуточный
В узле: 1
5
290489-П8
Болт М6х12
В узле: 1
5
290489-П8
Болт М6х12
В узле: 1
6
51-3802031
Стопор
В узле: 1
6
51-3802031
Стопор
В узле: 1
7
63А-4207015-Б
Картер коробки отбора мощности
В узле: 1
7
63А-4207015-Б
Картер коробки отбора мощности
В узле: 1
8
258951-П
Штифт стопорный 5х36 оси ведущей шестерни
В узле: 1
8
258951-П
Штифт стопорный 5х36 оси ведущей шестерни
В узле: 1
9
63А-4207064
Шестерня коробки отбора мощности скользящая
В узле: 1
9
63А-4207064
Шестерня коробки отбора мощности скользящая
В узле: 1
10
63А-4207033
Кольцо подшипника промежуточного вала распорное
В узле: 2
10
63А-4207033
Кольцо подшипника промежуточного вала распорное
В узле: 2
11
АА-7118-А2
Подшипник промежуточного вала коробки передач роликовый
В узле: 1
11
АА-7118-А2
Подшипник промежуточного вала коробки передач роликовый
В узле: 1
12
63А-4207038-Б
Шестерня коробки отбора мощности промежуточная
В узле: 1
12
63А-4207038-Б
Шестерня коробки отбора мощности промежуточная
В узле: 1
13
63А-4207128-В
Гайка штока включения передачи коробки передач
В узле: 1
13
63А-4207128-В
Гайка штока включения передачи коробки передач
В узле: 1
14
297365-П
Прокладка гайки штока включения передач коробки отбора мощности
В узле: 1
14
297365-П
Прокладка гайки штока включения передач коробки отбора мощности
В узле: 1
15
63А-4207140
Прокладка между картером и крышкой картера коробки отбора мощности
В узле: 1
15
63А-4207140
Прокладка между картером и крышкой картера коробки отбора мощности
В узле: 1
16
63А-4207112-Б
Крышка картера коробки отбора мощности
В узле: 1
16
63А-4207112-Б
Крышка картера коробки отбора мощности
В узле: 1
17
63А-4207122-Б
Шток вилки включения передач коробки отбора мощности
В узле: 1
17
63А-4207122-Б
Шток вилки включения передач коробки отбора мощности
В узле: 1
18
63-1802160
Сальник штоков переключения раздаточной коробки
В узле: 1
18
63-1802160
Сальник штоков переключения раздаточной коробки
В узле: 1
19
293510-П
Шайба диаметром 20,5 мм сальника штоков переключения раздаточной коробки
В узле: 1
19
293510-П
Шайба диаметром 20,5 мм сальника штоков переключения раздаточной коробки
В узле: 1
20
63-1802157-Б
Кольцо уплотнительное
В узле: 1
20
63-1802157-Б
Кольцо уплотнительное
В узле: 1
21
63-1802158-Б
Гайка сальника штоков переключения раздаточной коробки
В узле: 1
21
63-1802158-Б
Гайка сальника штоков переключения раздаточной коробки
В узле: 1
22
63А-4207126
Вилка включения передач коробки отбора мощности
В узле: 1
22
63А-4207126
Вилка включения передач коробки отбора мощности
В узле: 1
23
63А-4207165
Рычаг штока включения передач коробки отбора мощности
В узле: 1
23
63А-4207165
Рычаг штока включения передач коробки отбора мощности
В узле: 1
24
260057-П8
Палец 10х28
В узле: 1
24
260057-П8
Палец 10х28
В узле: 1
25
51-1015064
Прокладка пробки наливной трубы пускового подогревателя
В узле: 2
25
51-1015064
Прокладка пробки наливной трубы пускового подогревателя
В узле: 2
26
63А-4207130
Штуцер фиксатора передач коробки отбора мощности
В узле: 2
26
63А-4207130
Штуцер фиксатора передач коробки отбора мощности
В узле: 2
27
353087-5
Шарик ГОСТ 3722-81 Б11,906-60
В узле: 2
27
353087-S
Шарик диаметром 11,9 мм
В узле: 2
28
63А-4207162
Вал рычага включения передач коробки отбора мощности
В узле: 1
28
63А-4207162
Вал рычага включения передач коробки отбора мощности
В узле: 1
29
63А-4207132
Пружина
В узле: 2
29
63А-4207132
Пружина
В узле: 2
30
63А-4207175
Прокладка кронштейна вала рычага включения передач
В узле: 1
30
63А-4207175
Прокладка кронштейна вала рычага включения передач
В узле: 1
31
63А-4207155
Кронштейн вала рычага включения передач коробки отбора мощности
В узле: 1
31
63А-4207155
Кронштейн вала рычага включения передач коробки отбора мощности
В узле: 1
32
201243-П8
Болт М8х25 крепления нагнетательной трубки к блоку
В узле: 4
32
201243-П8
Болт М8х25 крепления нагнетательной трубки к блоку
В узле: 4
33
63А-4207020-А
Блок шестерен ведущий коробки отбора мощности
В узле: 1
33
63А-4207020-А
Блок шестерен ведущий коробки отбора мощности
В узле: 1
34
М-7121
Подшипник роликовый блока шестерен промежуточного вала коробки передач длинный (ГПЗ-64904)
В узле: 2
34
М-7121
Подшипник роликовый блока шестерен промежуточного вала коробки передач длинный (ГПЗ-64904)
В узле: 1
35
63А-4207026
Кольцо роликового подшипника распорное
В узле: 1
35
63А-4207026
Кольцо роликового подшипника распорное
В узле: 2
36
63А-4207030
Ось блока ведущих шестерен коробки отбора мощности
В узле: 1
36
63А-4207030
Ось блока ведущих шестерен коробки отбора мощности
В узле: 1
37
А-24457
Пробка КГ1/2"
В узле: 1
37
А-24457
Пробка КГ1/2"
В узле: 1
38
63А-4207070-Б
Вал коробки, отбора мощности вторичный
В узле: 1
39
63-1803020
Рычаг включения переднего моста раздаточной коробки
В узле: 1
39
63-1803020-А
Рычаг включения переднего моста раздаточной коробки
В узле: 1
40
63А-4207101
Прокладка крышки подшипника вторичного вала коробки отбора мощности
В узле: ---
40
63А-4207101
Прокладка крышки подшипника вторичного вала коробки отбора мощности
В узле: ---
41
63А-4207085
Крышка подшипника вторичного вала задняя
В узле: 1
41
63А-4207085
Крышка подшипника вторичного вала задняя
В узле: 1
Содержащиеся в справочниках-каталогах запасные части и детали не предлагаются к продаже, а носят исключительно информационный характер

Ваша заявка была отправлена. В ближайшее время наши специалисты с Вами свяжутся по указанному Вами телефону.

Представьтесь
Поле обязательно для заполнения
Ваш телефон
Введите правильный номер телефона
E-mail
Введите правильный e-mail
Тема
Тема
применяемость финансирование доставка цена, наличие другое сервис и гарантия
Время для звонка
08:00
08:00 09:00 10:00 11:00 12:00 13:00 14:00 15:00 16:00 17:00 18:00 19:00
19:00
08:00 09:00 10:00 11:00 12:00 13:00 14:00 15:00 16:00 17:00 18:00 19:00

Мы постараемся перезвонить в указанное время

Если вы не хотите ждать, то звоните нашим вежливым консультантам:

8 800 100-2-700
Подтвердите, что вы не робот
Подтвердите, что вы не робот
Спасибо!

Ваше сообщение успешно отправлено!

ЗакрытьПовторить попытку