Каталог запасных частей к технике: ГАЗ-52-02. Кабина

zoom-in zoom-out enlarge shrink circle-right circle-left file-text2 info cart arraw right arraw left zoom out zoom in arraw maximize arraw minimize
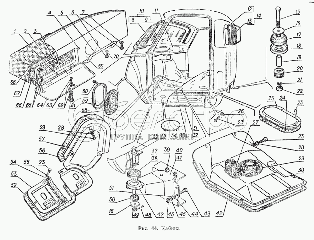
1
2
3
4
5
6
6
7
8
9
10
11
12
13
14
15
16
16
17
18
19
20
21
22
23
23
23
23
23
23
24
25
26
27
28
28
29
30
31
32
33
34
34
35
36
37
38
39
40
41
42
43
44
45
46
47
48
49
50
51
52
53
54
55
56
57
58
59
60
61
62
63
64
65
65
66
67
68
68
68
69
70
53-5000016
Кабина в сборе бондеризованная грунтованная с обмазкой
В узле: 1
52-5302102-Б
Изоляция щитка передка в сборе
В узле: 1
52-5206010-А
Стекло ветрового окна, либо 52-5206010
В узле: 1
52-5603016-А
Стекло окна задка, либо 52-5603016
В узле: 1
353126-S
Пистон крепления средней обивки задка в сборе
В узле: 4
353126-S
Пистон крепления средней обивки задка в сборе
В узле: 13
81Б-5302250
Пистон крепления изоляции щитка передка
В узле: 8
52-5702010
Обивка крыши в сборе
В узле: 1
53А-5602010
Обивка задка средняя в сборе
В узле: 1
52-5602015
Обивка задка левая
В узле: 1
52-5602014
Обивка задка правая
В узле: 1
52-04-5000012
Кабина в сборе окрашенная и обитая
В узле: 1
52-04-5000010
Кабина в сборе (для запасных частей)
В узле: 1
52-5602013
Обивка задка левая в сборе
В узле: 1
52-5602012
Обивка задка правая в сборе
В узле: 1
52-04-5109014
Коврик пола
В узле: 1
1
240820-П29
Винт М4х18 ОСТ 37.001.188-81
В узле: 2
2
252232-П29
Шайба 4
В узле: 2
3
52-5303074
Упор замка вещевого ящика
В узле: 1
4
30-5303045
Буфер
В узле: 2
5
53-5301144
Поручень передка
В узле: 1
6
201455-П8
Болт М8-6gх18
В узле: 4
6
201455-П8
Болт М8-6gх18
В узле: 2
7
293270-П29
Шайба 8,2
В узле: 4
8
52-5206010
Стекло ветрового окна, либо 52-5206010-А
В узле: 1
9
52-5206050
Уплотнитель ветрового окна
В узле: 1
10
52-5206008
Стекло ветрового окна в сборе
В узле: 1
11
52-5303008
Дверца вещевого ящика с ручкой в сборе
В узле: 1
12
52-5603018
Уплотнитель стекла окна задка
В узле: 1
13
52-5603016
Стекло окна задка, либо 52-5603016-А
В узле: 1
14
52-5603014
Стекло окна задка в сборе
В узле: 1
15
200375-П29
Болт М12-6gх80
В узле: 2
16
293353-П29
Шайба 12,5
В узле: 2
16
293353-П29
Шайба 12,5
В узле: 2
17
64-6025-В
Подушка крепления кабины верхняя задняя в сборе
В узле: 2
18
51-6041-Б
Гнездо верхней подушки опоры двигателя
В узле: 2
19
52-04-5001086
Втулка распорная заднего крепления кабины
В узле: 2
20
64-6039-А
Подушка нижняя задней опоры двигателя в сборе
В узле: 2
21
252137-П29
Шайба 12
В узле: 2
22
250514-П29
Гайка М12-6Н ОСТ 37.001.124-93
В узле: 2
23
290513-П29
Болт М8-6gх20
В узле: 6
23
290513-П29
Болт М8-6gх20
В узле: 4
23
290513-П29
Болт М8-6gх20
В узле: 6
23
290513-П29
Болт М8-6gх20
В узле: 7
23
290513-П29
Болт М8-6gх20
В узле: 16
24
21-5101368-А
Прокладка крышки
В узле: 1
25
21-5101136
Крышка люка пола над реостатом указателя уровня бензина
В узле: 1
26
252174-П29
Шайба 2-6 ОСТ 37.001.145-75
В узле: 16
27
52-5107080
Уплотнитель кожуха пола под рычаг ручного тормоза
В узле: 1
28
252004-П8
Шайба 6
В узле: 4
28
252004-П29
Шайба 6 ОСТ 37.001.144-96
В узле: 10
29
52-5107090
Уплотнитель кожуха пола под головку коробки перемены передач
В узле: 1
30
52-04-5107022
Кожух пола
В узле: 1
31
53-5101838
Щиток порога пола правый в сборе
В узле: 1
32
53-5101839
Щиток порога пола левый в сборе
В узле: 1
33
53-5101844
Прокладка щитка порога пола
В узле: 2
34
76-5101102-А
Заглушка отверстия в крышке пола в сборе
В узле: 1
34
76-5101102-А
Заглушка отверстия в крышке пола в сборе
В узле: 1
35
252045-П29
Шайба 12 ОСТ 37.001.144-96
В узле: 2
36
290962-П29
Болт М12х1,25х102 переднего крепления кабины
В узле: 2
37
52-5001036
Прокладка крепления кабины верхняя правая
В узле: 1
38
52-5001037
Прокладка крепления кабины верхняя левая
В узле: 1
39
201499-П29
Болт М10-6gх30 ОСТ 37.001.123-96
В узле: 5
40
53А-5001012
Кронштейн крепления кабины передний правый
В узле: 1
41
53А-5001013
Кронштейн крепления кабины передний левый
В узле: 1
42
52-5107028
Прокладка кожуха пола
В узле: 1
43
201501-П29
Болт М10-6gх35 ОСТ 37.001.123-96
В узле: 3
44
252006-П29
Шайба 10 ОСТ 37.001.144-96
В узле: 5
45
252136-П29
Шайба 10Т
В узле: 8
46
250512-П29
Гайка М10-6Н ОСТ 37.001.124-93
В узле: 8
47
52-5001016
Гнездо прокладки на кронштейне
В узле: 2
48
258040-П29
Шплинт 3,2х25 ОСТ 37.001.171-93
В узле: 2
49
250977-П29
Гайка М12х1,25-6Н ОСТ 37.001.108-93
В узле: 2
50
52-5001010-Б
Прокладка крепления кабины нижняя
В узле: 2
51
52-5001082
Втулка распорная крепления кабины к раме
В узле: 2
52
53-5301096
Прокладка защитной пластины у педалей
В узле: 1
53
52-5301093
Пластина защитная у педалей левая в сборе
В узле: 1
54
81-5301098-Б1
Прокладка защитной пластины у педалей средняя
В узле: 1
55
252037-П8
Шайба 6
В узле: 3
56
53-5301689
Прокладка крышки монтажного люка передка
В узле: 1
57
53-5301681
Крышка монтажного люка передка в сборе
В узле: 1
58
52-5301112
Уплотнитель щитка передка у рулевой колонки
В узле: 1
59
52-5301114
Пластина крепления уплотнителя щитка передка у рулевой колонки
В узле: 1
60
240836-П8
Винт М5х12
В узле: 4
61
53А-5303104
Ручка дверцы вещевого ящика в сборе
В узле: 1
62
252173-П29
Шайба 2-5 ОСТ 37.001.145-75
В узле: 2
63
224596-П29
Винт М5-6gх8
В узле: 1
64
52-5303016
Дверца вещевого ящика в сборе
В узле: 1
65
240818-П29
Винт 4х12 ОСТ 37.001.188-81
В узле: 4
65
240818-П29
Винт 4х12 ОСТ 37.001.188-81
В узле: 3
66
52-5303098
Буфер ограничителя дверцы вещевого ящика
В узле: 1
67
52-5303012
Ящик вещевой в сборе
В узле: 1
68
292647-П29
Гайка специальная
В узле: 2
68
292647-П29
Гайка специальная
В узле: 3
68
292647-П29
Гайка специальная
В узле: 4
69
53-5301126
Панель приборов в сборе
В узле: 1
70
252155-П2
Шайба 8Л ОСТ 37.001.115-75
В узле: 2
Содержащиеся в справочниках-каталогах запасные части и детали не предлагаются к продаже, а носят исключительно информационный характер

Ваша заявка была отправлена. В ближайшее время наши специалисты с Вами свяжутся по указанному Вами телефону.

Представьтесь
Поле обязательно для заполнения
Ваш телефон
Введите правильный номер телефона
E-mail
Введите правильный e-mail
Тема
Тема
применяемость финансирование доставка цена, наличие другое сервис и гарантия
Время для звонка
08:00
08:00 09:00 10:00 11:00 12:00 13:00 14:00 15:00 16:00 17:00 18:00 19:00
19:00
08:00 09:00 10:00 11:00 12:00 13:00 14:00 15:00 16:00 17:00 18:00 19:00

Мы постараемся перезвонить в указанное время

Если вы не хотите ждать, то звоните нашим вежливым консультантам:

8 800 100-2-700
Подтвердите, что вы не робот
Подтвердите, что вы не робот
Спасибо!

Ваше сообщение успешно отправлено!

ЗакрытьПовторить попытку