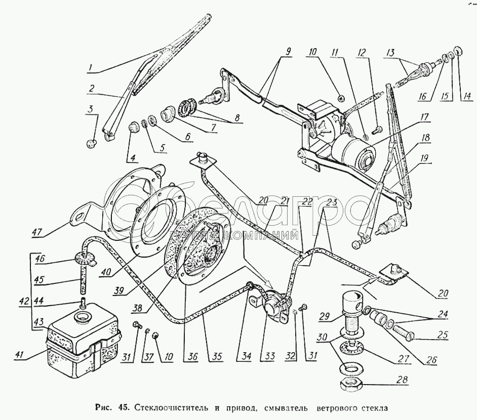
Каталог запасных частей к технике: ГАЗ-52-02. Стеклоочиститель и привод, смыватель ветрового стекла

zoom-in zoom-out enlarge shrink circle-right circle-left file-text2 info cart arraw right arraw left zoom out zoom in arraw maximize arraw minimize
1
2
3
4
5
6
7
8
9
10
10
11
12
13
14
15
16
17
18
19
20
20
21
22
23
24
25
26
27
28
29
30
31
31
31
32
33
34
35
36
37
38
39
40
41
42
43
44
45
46
47
52-5208010-02
Насос омывателя ветрового стекла в сборе
В узле: 1
52-5208009
Детали смывателя ветрового стекла (комплект для запасных частей)
В узле: 1
24-5208190-А
Тройник
В узле: 1
52-5205010
Стеклоочиститель СЛ100
В узле: 1
1
СЛ100-5205900А
Узел щетки (52-5205120)
В узле: 2
2
СЛ100-5205030
Рычаг правый в сборе (52-5205032)
В узле: 1
3
СЛ9-006
Гайка
В узле: 2
4
СЛ45А-007
Гайка сальниковая
В узле: 2
5
СЛ9-5205503
Шайба
В узле: 2
6
СЛ45-005
Гайка
В узле: 2
7
СЛ100-001
Шайба фасонная
В узле: 2
8
СЛ100-007
Прокладка
В узле: 4
9
СЛ100-500
Узел правой тяги
В узле: 1
10
250508-П29
Гайка М6-6Н ОСТ 37.001.124-93
В узле: 2
10
250508-П8
Гайка М6-6Н
В узле: 2
11
293226-П29
Шайба 6,5
В узле: 4
12
290489-П8
Болт М6х12
В узле: 2
13
СЛ100-5205400
Переключатель в сборе
В узле: 1
14
СЛ18А3-708
Гайка
В узле: 1
15
ММ1-28
Шайба
В узле: 1
16
Н24-19
Шайба 10 стопорная
В узле: 1
17
МЭ14А-3730000
Электродвигатель
В узле: 1
18
СЛ100-5205020
Рычаг левый в сборе (52-5205033)
В узле: 1
19
СЛ100-600
Узел левой тяги
В узле: 1
20
13-5208064
Жиклер омывателя ветрового стекла в сборе
В узле: 2
21
21П-5208097-01
Шланг выпускной омывателя ветрового стекла
В узле: 1
22
24-5208190-А
Тройник
В узле: 1
23
24-5208096-01
Шланг
В узле: 2
24
13-5208078
Шайба жиклера омывателя ветрового стекла
В узле: 4
25
13-5208160
Винт специальный
В узле: 2
26
13-5208076
Жиклер омывателя ветрового стекла
В узле: 2
27
51Б-3816158
Шайба 10
В узле: 2
28
250613-П29
Гайка 10х1-6Н
В узле: 2
29
13-5208070
Корпус жиклера омывателя ветрового стекла в сборе
В узле: 2
30
293304-П29
Шайба 10
В узле: 4
31
201416-П29
Болт М6-6gх12 ОСТ 37.001.123-96
В узле: 2
31
201416-П29
Болт М6-6gх12 ОСТ 37.001.123-96
В узле: 2
32
252174-П29
Шайба 2-6 ОСТ 37.001.145-75
В узле: 2
33
52-5208010-02
Насос омывателя ветрового стекла в сборе
В узле: 1
34
21-5208150
Втулка уплотнительная
В узле: 1
35
21-5208094-13
Шланг впускной омывателя ветрового стекла
В узле: 1
36
72-5208032
Кольцо крышки насоса
В узле: 1
37
252134-П2
Шайба 6Т ОСТ 37.001.115-75
В узле: 2
38
220051-П29
Винт М4-6gх10 ОСТ 37.001.127-81
В узле: 6
39
24-5208024-01
Крышка насоса омывателя ветрового стекла
В узле: 1
40
24-5208012-01
Корпус насоса омывателя ветрового стекла в сборе
В узле: 1
41
24-5208170
Держатель бачка омывателя ветрового стекла в сборе
В узле: 1
42
13-5208100-Б2
Бачок смывателя ветрового стекла с шлангом в сборе
В узле: 1
43
13-5208102
Бачок омывателя ветрового стекла в сборе
В узле: 1
44
21-5208087-02
Клапан впускной с фильтром омывателя в сборе
В узле: 1
45
13-5208154-02
Шланг омывателя
В узле: 1
46
13-5208124-Б
Пробка бачка омывателя
В узле: 1
47
52-50-5208036
Кольцо корпуса насоса
В узле: 1
Содержащиеся в справочниках-каталогах запасные части и детали не предлагаются к продаже, а носят исключительно информационный характер

Ваша заявка была отправлена. В ближайшее время наши специалисты с Вами свяжутся по указанному Вами телефону.

Представьтесь
Поле обязательно для заполнения
Ваш телефон
Введите правильный номер телефона
E-mail
Введите правильный e-mail
Тема
Тема
применяемость финансирование доставка цена, наличие другое сервис и гарантия
Время для звонка
08:00
08:00 09:00 10:00 11:00 12:00 13:00 14:00 15:00 16:00 17:00 18:00 19:00
19:00
08:00 09:00 10:00 11:00 12:00 13:00 14:00 15:00 16:00 17:00 18:00 19:00

Мы постараемся перезвонить в указанное время

Если вы не хотите ждать, то звоните нашим вежливым консультантам:

8 800 100-2-700
Подтвердите, что вы не робот
Подтвердите, что вы не робот
Спасибо!

Ваше сообщение успешно отправлено!

ЗакрытьПовторить попытку