Каталог запасных частей к технике: ГАЗ-5312. Держатель запасного колеса

zoom-in zoom-out enlarge shrink circle-right circle-left file-text2 info cart arraw right arraw left zoom out zoom in arraw maximize arraw minimize
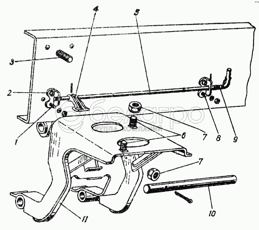
1
2
3
4
5
6
7
7
7
8
9
10
11
250510-П29
Гайка М8-6Н ОСТ 37.001.124-93
В узле: ---
240-508 (8,25-20) мод. ЕХ-20
Шина
В узле: ---
240-508Р (8,25г-20) мод. КИ-63
Шина (53-3106010-А)
В узле: ---
240-508Р (8,25г-20) мод. К-55-А
Шина
В узле: ---
240-508Р (8,25г-20) мод. К-55-А
Шина
В узле: ---
240-508Р (8,25г-20) мод. КИ-63
Шина (53-3106010-А)
В узле: ---
53-3105094
Косынка откидного кронштейна
В узле: ---
252155-П2
Шайба 8Л ОСТ 37.001.115-75
В узле: ---
258937-П
Штифт 4х22
В узле: ---
258070-П29
Шплинт 5х40
В узле: ---
1
201457-П29
Болт М8-6gх22 ОСТ 37.001.123-96
В узле: ---
2
51А-3105090
Кронштейн валика защелки
В узле: ---
3
51-3105015-Д
Болт запорной гайки кронштейна запасного колеса
В узле: ---
4
51А-3105085
Защелка кронштейна
В узле: ---
5
51А-3105080
Валик защелки
В узле: ---
6
51-3105025
Болт откидного кронштейна
В узле: ---
7
250712-П29
Гайка Б М20х1,5-6Н ОСТ 37.001.195-97
В узле: ---
7
250712-П29
Гайка Б М20х1,5-6Н ОСТ 37.001.195-97
В узле: ---
8
201455-П29
Болт М8-6gх18 ОСТ 37.001.123-96
В узле: ---
9
51А-3105087
Пружина валика защелки кронштейна
В узле: ---
10
51-3105074
Ось кронштейна запасного колеса
В узле: ---
11
53-310506
Кронштейн откидной запасного колеса в сборе
В узле: ---
Содержащиеся в справочниках-каталогах запасные части и детали не предлагаются к продаже, а носят исключительно информационный характер

Ваша заявка была отправлена. В ближайшее время наши специалисты с Вами свяжутся по указанному Вами телефону.

Представьтесь
Поле обязательно для заполнения
Ваш телефон
Введите правильный номер телефона
E-mail
Введите правильный e-mail
Тема
Тема
применяемость финансирование доставка цена, наличие другое сервис и гарантия
Время для звонка
08:00
08:00 09:00 10:00 11:00 12:00 13:00 14:00 15:00 16:00 17:00 18:00 19:00
19:00
08:00 09:00 10:00 11:00 12:00 13:00 14:00 15:00 16:00 17:00 18:00 19:00

Мы постараемся перезвонить в указанное время

Если вы не хотите ждать, то звоните нашим вежливым консультантам:

8 800 100-2-700
Подтвердите, что вы не робот
Подтвердите, что вы не робот
Спасибо!

Ваше сообщение успешно отправлено!

ЗакрытьПовторить попытку