Каталог запасных частей к технике: ГАЗ-5312. Рулевое управление и кнопка сигнала

zoom-in zoom-out enlarge shrink circle-right circle-left file-text2 info cart arraw right arraw left zoom out zoom in arraw maximize arraw minimize
1
2
3
4
4
4
5
6
7
8
9
10
10
11
12
13
14
15
16
17
18
19
20
21
22
23
24
25
26
27
28
29
30
31
32
33
34
35
36
37
38
39
40
41
42
43
44
45
46
47
48
49
50
51
52
53
54
55
56
57
58
59
60
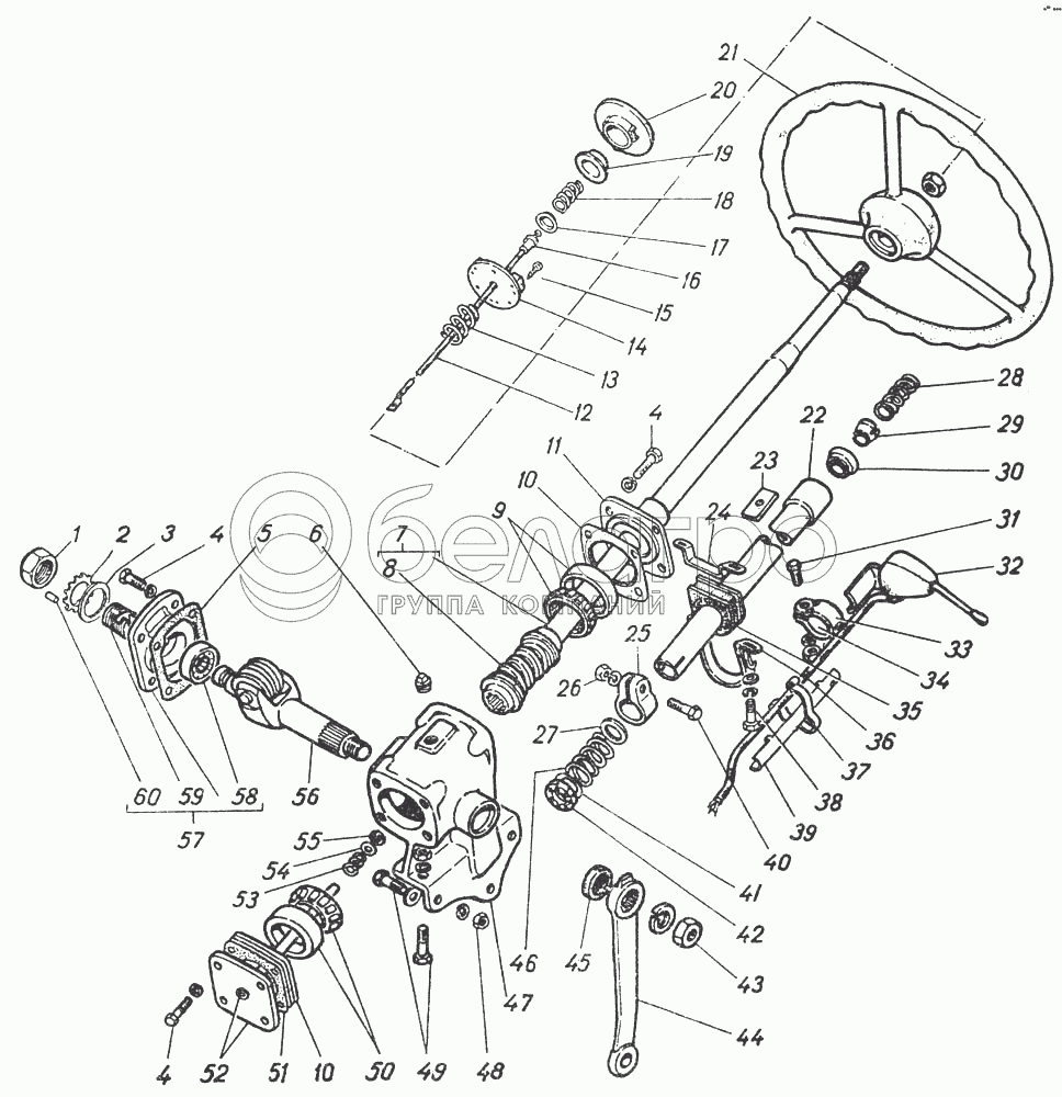
53-3400014-01
Рулевое управление без колонки, рулевого колеса и сошки в сборе
В узле: ---
250508-П8
Гайка М6-6Н
В узле: ---
252134-П2
Шайба 6Т ОСТ 37.001.115-75
В узле: ---
52-3403071
Держатель пластин крепления рулевой колонки
В узле: ---
252005-П29
Шайба 8 ОСТ 37.001.144-96
В узле: ---
252155-П29
Шайба пружинная 8
В узле: ---
250636-П29
Гайка М16х1,5-6Н ОСТ 37.001.124-93
В узле: ---
252163-П2
Шайба 24Л ОСТ 37.001.115-75
В узле: ---
252135-П2
Шайба 8Т ОСТ 37.001.115-75
В узле: ---
М-3506
Хомут в сборе
В узле: ---
52-3401100
Труба колонки рулевого управления с подшипником в сборе
В узле: ---
252136-П2
Шайба 10 ОТ ОСТ 37.001.115-75
В узле: ---
252136-П2
Шайба 10 ОТ ОСТ 37.001.115-75
В узле: ---
776702Х
Подшипник ГОСТ 520-89
В узле: ---
252136-П2
Шайба 10 ОТ ОСТ 37.001.115-75
В узле: ---
53-3400013-01
Рулевое управление без рулевого колеса и сошки в сборе
В узле: ---
40-3401040
Вал рулевого управления
В узле: ---
252137-П29
Шайба 12
В узле: ---
252045-П29
Шайба 12 ОСТ 37.001.144-96
В узле: ---
1
51-3401067
Гайка
В узле: ---
2
51-3401082
Шайба стопорная
В узле: ---
3
51-3401081
Прокладка стопорной шайбы
В узле: ---
4
201280-П8
Болт М10-4hх20
В узле: ---
4
201280-П8
Болт М10-4hх20
В узле: ---
4
201280-П8
Болт М10-4hх20
В узле: ---
5
53А-3401084
Прокладка боковой крышки картера рулевого управления
В узле: ---
6
262512-П
Пробка КГ 1/4"
В узле: ---
7
40-3401035
Вал рулевого управления с червяком в сборе
В узле: ---
8
51-3401038
Червяк рулевого управления
В узле: ---
9
977908К
Подшипник с сепаратором и верхним кольцом в сборе
В узле: ---
10
51-3401055
Прокладка толщиной 0,17 мм
В узле: ---
10
51-3401055
Прокладка толщиной 0,17 мм
В узле: ---
11
51-3401047-А2
Крышка картера рулевого механизма верхняя
В узле: ---
12
52-3724018
Провод кнопки звукового сигнала в сборе
В узле: ---
13
51-3721040
Пружина контактная на массу звукового сигнала
В узле: ---
14
51Ю-3721035-Б
Пластина контактная пускового сигнала в сборе
В узле: ---
15
45 9681 1532
Шуруп 2А 4х16
В узле: ---
16
53А-3721044-А
Изолятор провода кнопки звукового сигнала
В узле: ---
17
51Ю-3721030
Седло пружины кнопки
В узле: ---
18
51Ю-3721028-А
Пружина кнопки звукового сигнала
В узле: ---
19
51Ю-3721025
Чашка кнопки звукового сигнала контактная
В узле: ---
20
51Ю-3721020
Кнопка звукового сигнала
В узле: ---
21
53-3402015-А
Колесо рулевого управления в сборе
В узле: ---
22
52-3401105
Труба колонки рулевого управления
В узле: ---
23
52-3403065
Пластина крепления колонки рулевого управления
В узле: ---
24
53А-3403023
Планка распорная крепления колонки рулевого управления
В узле: ---
25
М-3507
Хомут колонки рулевого управления
В узле: ---
26
250511-П8
Гайка М8х1
В узле: ---
27
51-3401046
Шайба опорная пружины
В узле: ---
28
12-3401130
Пружина
В узле: ---
29
24-3401128
Кольцо разжимное
В узле: ---
30
536905
Подшипник вала рулевого управления (12-3401120)
В узле: ---
31
201420-П8
Болт М6-6gх20
В узле: ---
32
П105-А
Переключатель указателей поворотов в сборе (Г-52-3725110)
В узле: ---
33
53-3726086
Стяжка хомута переключателя верхняя
В узле: ---
34
53-3726087
Стяжка хомута переключателя нижняя
В узле: ---
35
53А-3403021
Прокладка накладки крепления рулевой колонки
В узле: ---
36
53А-3403032
Накладка крепления колонки рулевого управления в сборе
В узле: ---
37
52-3726062
Хомут крепления кожуха
В узле: ---
38
201458-П29
Болт М8-6gх25 ОСТ 37.001.123-96
В узле: ---
39
52-3726057-A
Кожух проводов переключателя указателей поворотов защитный
В узле: ---
40
201488-П8
Болт М8х1х50
В узле: ---
41
51-3401059
Шайба уплотнительного кольца верхней крышки картера рулевого управления
В узле: ---
42
51-3401020
Кольцо верхней крышки картера рулевого управления уплотнительное
В узле: ---
43
292968-П8
Гайка М24х1,5
В узле: ---
44
53-3401090
Сошка рулевого управления
В узле: ---
45
53-3401022
Манжета в сборе
В узле: ---
46
51-3401043
Пружина уплотнительного кольца верхней крышки картера рулевого управления
В узле: ---
47
53Л-3401010
Картер рулевого управления со втулкой в сборе
В узле: ---
48
250506-П29
Гайка М12-4Н5Н
В узле: ---
49
201544-П29
Болт М12-6gх40 ОСТ 37.001.123-96
В узле: ---
50
987910К
Подшипник с сепаратором и нижним кольцом в сборе
В узле: ---
51
51-3401056
Прокладка верхней крышки
В узле: ---
52
51-3401057-Б
Крышка нижняя картера рулевого управления, с трубкой провода сигнала в сборе
В узле: ---
53
51-3401033
Пружина трубки провода сигнала нижней крышки картера
В узле: ---
54
51-3401034-Б
Шайба
В узле: ---
55
51-3401036
Кольцо уплотнительное
В узле: ---
56
53А-3401060
Вал сошки с роликом в сборе
В узле: ---
57
53А-3401063-30
Винт регулировочный вала сошки рулевого управления
В узле: ---
58
922205К
Подшипник в сборе
В узле: ---
59
51-3401063-30
Винт регулировочный
В узле: ---
60
258623-П
Штифт 5х8
В узле: ---
Содержащиеся в справочниках-каталогах запасные части и детали не предлагаются к продаже, а носят исключительно информационный характер

Ваша заявка была отправлена. В ближайшее время наши специалисты с Вами свяжутся по указанному Вами телефону.

Представьтесь
Поле обязательно для заполнения
Ваш телефон
Введите правильный номер телефона
E-mail
Введите правильный e-mail
Тема
Тема
применяемость финансирование доставка цена, наличие другое сервис и гарантия
Время для звонка
08:00
08:00 09:00 10:00 11:00 12:00 13:00 14:00 15:00 16:00 17:00 18:00 19:00
19:00
08:00 09:00 10:00 11:00 12:00 13:00 14:00 15:00 16:00 17:00 18:00 19:00

Мы постараемся перезвонить в указанное время

Если вы не хотите ждать, то звоните нашим вежливым консультантам:

8 800 100-2-700
Подтвердите, что вы не робот
Подтвердите, что вы не робот
Спасибо!

Ваше сообщение успешно отправлено!

ЗакрытьПовторить попытку