Каталог запасных частей к технике: ГАЗ-53 А. Оперение

zoom-in zoom-out enlarge shrink circle-right circle-left file-text2 info cart arraw right arraw left zoom out zoom in arraw maximize arraw minimize
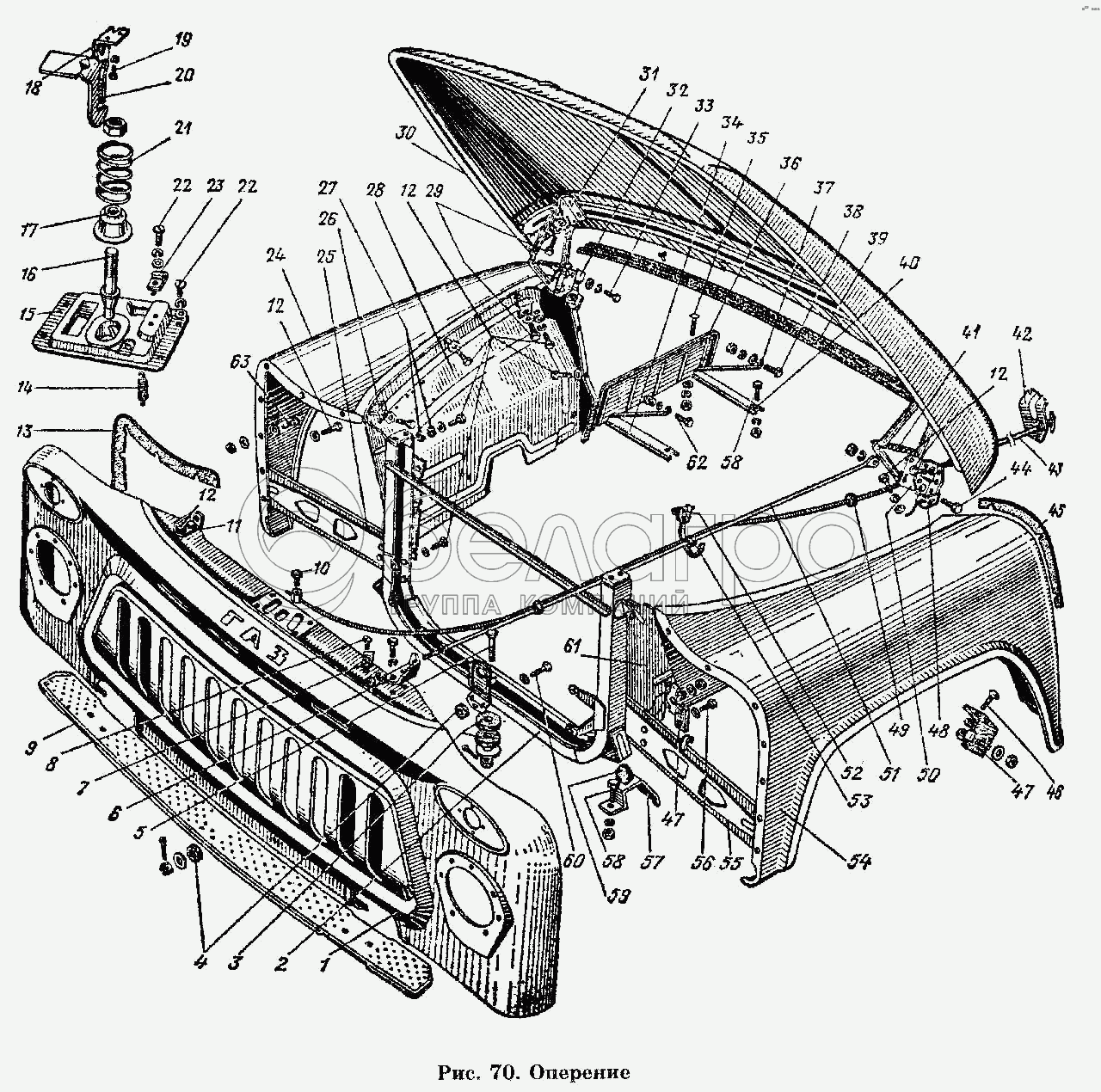
1
2
3
4
5
6
7
8
9
10
11
12
12
12
12
12
12
12
13
14
15
16
17
18
19
20
21
22
22
23
24
25
26
27
28
29
29
30
31
32
33
34
35
36
37
38
39
40
41
42
43
44
45
46
47
47
48
49
50
51
52
53
54
55
56
57
58
58
59
59
60
61
62
63
250512-П29
Гайка М10-6Н ОСТ 37.001.124-93
В узле: 2
250512-П29
Гайка М10-6Н ОСТ 37.001.124-93
В узле: 2
250977-П29
Гайка М12х1,25-6Н ОСТ 37.001.108-93
В узле: 1
250634-П8
Гайка М14х1,5
В узле: 1
250559-П8
Гайка М14х1,5
В узле: 1
292655-П29
Гайка М4-6Н
В узле: 1
250508-П8
Гайка М6-6Н
В узле: 4
250510-П8
Гайка М8х1,25
В узле: 4
250867-П8
Гайка М8х1
В узле: 1
21Ю-8406012-Б
Замок капота в сборе
В узле: 1
52-8402012-10
Капот в сборе
В узле: 1
52-8402010
Капот в сборе (комплект)
В узле: 1
53-8401072-01
Кронштейн рамки радиатора боковой правый
В узле: 1
52-8403013-10
Крыло переднее левое в сборе
В узле: 1
52-8403012-10
Крыло переднее правое в сборе
В узле: 1
297581-П29
Лента 10х160
В узле: 2
53-8401110-01
Облицовка радиатора в сборе
В узле: 1
53-8400010
Оперение в сборе
В узле: 1
298318-П2
Пистон
В узле: 11
53-8405021
Подножка левая
В узле: 1
293334-П29
Шайба 11,5
В узле: 4
252007-П29
Шайба 12 ОСТ 37.001.144-96
В узле: 8
293353-П29
Шайба 12,5
В узле: 1
252037-П29
Шайба 6 ОСТ 37.001.144-96
В узле: 4
252004-П8
Шайба 6
В узле: 1
252005-П29
Шайба 8 ОСТ 37.001.144-96
В узле: 1
252038-П29
Шайба 8 ОСТ 37.001.144-96
В узле: 2
252038-П8
Шайба 8 плоская
В узле: 4
293296-П29
Шайба 9
В узле: 1
252136-П29
Шайба 10Т
В узле: 4
252156-П2
Шайба 10Л ОСТ 37.001.115-75
В узле: 2
252136-П2
Шайба 10 ОТ ОСТ 37.001.115-75
В узле: 2
252178-П8
Шайба 14 пружинная
В узле: 1
252153-П2
Шайба 5Л ОСТ 37.001.115-75
В узле: 2
252154-П2
Шайба 6Л ОСТ 37.001.115-75
В узле: 1
252134-П2
Шайба 6Т ОСТ 37.001.115-75
В узле: 4
293270-П29
Шайба 8,2
В узле: 26
252155-П2
Шайба 8Л ОСТ 37.001.115-75
В узле: 2
252135-П2
Шайба 8Т ОСТ 37.001.115-75
В узле: 4
293270-П29
Шайба 8,2
В узле: 4
258015-П
Шплинт 2х25
В узле: 1
258041-П
Шплинт 3х30
В узле: 1
297575-П8
Шплинт хомутика
В узле: 2
1
53-8401110
Облицовка радиатора в сборе
В узле: 1
2
53-8401050-Б
Рамка радиатора в сборе
В узле: 1
3
53-8401070
Прокладка подвески рамки радиатора
В узле: 2
4
76-8403038
Буфер облицовки радиатора
В узле: 2
5
290941-П29
Болт М12х1,25х50 крепления оперения к раме
В узле: 1
6
52-8401173
Кронштейн облицовки радиатора боковой левый
В узле: 1
7
21-8406190
Скоба
В узле: 1
8
224622-П8
Винт М6х1х10
В узле: 1
9
53-8401412
Брызговик облицовки радиатора
В узле: 1
10
290277-П8
Болт М4х8 крепления тяги к замку капота
В узле: 1
11
52-8401172
Кронштейн облицовки радиатора боковой правый
В узле: 1
12
201456-П8
Болт М8х1,25х20
В узле: 2
12
201456-П8
Болт М8х1,25х20
В узле: 12
12
201456-П8
Болт М8х1,25х20
В узле: 4
12
201456-П8
Болт М8х1,25х20
В узле: 6
12
201456-П8
Болт М8х1,25х20
В узле: 2
12
201456-П8
Болт М8х1,25х20
В узле: 4
12
201456-П8
Болт М8х1,25х20
В узле: 6
13
53-8403034-01
Прокладка переднего крыла передняя
В узле: 2
14
21-8406044
Пружина щеколды замка капота
В узле: 1
15
21Ю-8406014-Б
Корпус замка капота в сборе
В узле: 1
16
21-8406080
Штырь капота
В узле: 1
17
30-8402626
Фланец пружины штыря верха капота
В узле: 1
18
13А-5301738
Пружина крючка предохранителя капота
В узле: 1
19
224597-П8
Винт М5х0,8х10
В узле: 2
20
52-8406100
Крючок-предохранитель капота в сборе
В узле: 1
21
30-8402624
Пружина штыря
В узле: 1
22
224624-П8
Винт М6-6gх14
В узле: 4
22
224624-П8
Винт М6-6gх14
В узле: 1
23
21-8406194
Скоба крепления оболочки тяги привода к замку
В узле: 1
24
52-8403012
Крыло переднее правое в сборе
В узле: 1
25
53-8401550-А
Распорка облицовки радиатора правая в сборе
В узле: 1
26
52-8402220-А2
Опора капота боковая в сборе
В узле: 4
27
А-35392
Прокладка
В узле: 4
28
53-8403270-В
Брызговик переднего крыла правый
В узле: 1
29
201454-П8
Болт М8-6gх16
В узле: 4
29
201456-П29
Болт М8-6gх20 ОСТ 37.001.123-96
В узле: 6
30
52-8402012
Капот в сборе
В узле: 1
31
53-8407012
Петля капота правая в сборе
В узле: 1
32
53-8403340
Угольник брызговика переднего крыла задний правый в сборе
В узле: 1
33
201455-П8
Болт М8-6gх18
В узле: 4
34
52-04-8405210
Кронштейн подножки
В узле: 2
35
210406-П8
Болт М10х30 крепления подножки к кронштейну
В узле: 8
36
53-8405020
Подножка правая
В узле: 1
37
53-8405212
Усилитель кронштейна подножки
В узле: 4
38
201283-П29
Болт М10х28 крепления заднего усилителя к раме
В узле: 2
39
52-8402054-01
Уплотнитель капота задний
В узле: 1
40
53-8405210
Кронштейн подножки задний
В узле: 2
41
21-8407070-Б
Пружина петли капота
В узле: 2
42
52-8406162
Кронштейн привода замка капота
В узле: 1
43
53-8406150
Привод замка капота в сборе
В узле: 1
44
201497-П8
Болт М10х25
В узле: 2
45
52-8403060-А2
Прокладка переднего крыла на кабине
В узле: 2
46
210358-П8
Болт М6х20
В узле: 4
47
52-8403332-А
Держатель брызговика переднего крыла в сборе
В узле: 4
48
53-8403341
Угольник брызговика переднего крыла задний левый в сборе
В узле: 1
49
32-8402670
Втулка оболочки
В узле: 1
50
53-8407013
Петля капота левая в сборе
В узле: 1
51
53А-8401084
Растяжка рамки радиатора в сборе
В узле: 2
52
297580-П29
Пряжка
В узле: 2
53
20-3506046
Втулка защитная
В узле: 2
54
52-8403013
Крыло переднее левое в сборе
В узле: 1
55
53-8401551-А
Распорка облицовки радиатора левая в сборе
В узле: 1
56
201418-П29
Болт М6-6gх16 ОСТ 37.001.123-96
В узле: 4
57
53-8401073-01
Кронштейн рамки радиатора боковой левый
В узле: 1
58
201496-П29
Болт М10-6gх22 ОСТ 37.001.123-96
В узле: 4
59
21-2902654
Упор рамки радиатора
В узле: 2
60
205424-П8
Болт М8х1х35
В узле: 1
61
53-8403271-Б
Брызговик переднего крыла левый
В узле: 1
62
201501-П29
Болт М10-6gх35 ОСТ 37.001.123-96
В узле: 2
63
201458-П29
Болт М8-6gх25 ОСТ 37.001.123-96
В узле: 2
Содержащиеся в справочниках-каталогах запасные части и детали не предлагаются к продаже, а носят исключительно информационный характер

Ваша заявка была отправлена. В ближайшее время наши специалисты с Вами свяжутся по указанному Вами телефону.

Представьтесь
Поле обязательно для заполнения
Ваш телефон
Введите правильный номер телефона
E-mail
Введите правильный e-mail
Тема
Тема
применяемость финансирование доставка цена, наличие другое сервис и гарантия
Время для звонка
08:00
08:00 09:00 10:00 11:00 12:00 13:00 14:00 15:00 16:00 17:00 18:00 19:00
19:00
08:00 09:00 10:00 11:00 12:00 13:00 14:00 15:00 16:00 17:00 18:00 19:00

Мы постараемся перезвонить в указанное время

Если вы не хотите ждать, то звоните нашим вежливым консультантам:

8 800 100-2-700
Подтвердите, что вы не робот
Подтвердите, что вы не робот
Спасибо!

Ваше сообщение успешно отправлено!

ЗакрытьПовторить попытку