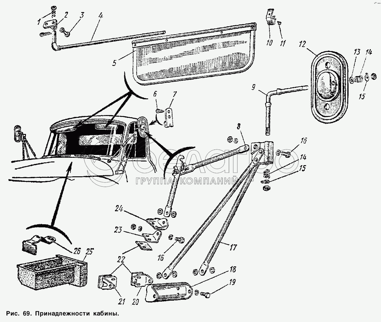
Каталог запасных частей к технике: ГАЗ-53 А. Принадлежности кабины

zoom-in zoom-out enlarge shrink circle-right circle-left file-text2 info cart arraw right arraw left zoom out zoom in arraw maximize arraw minimize
1
2
3
4
5
6
7
8
9
10
11
12
13
14
14
15
15
16
16
17
18
19
20
21
22
23
24
25
26
293264-П
Шайба 8
В узле: 12
250615-П8
Гайка М12х1,25
В узле: 4
258012-П29
Шплинт 2х12 ОСТ 37.001.171-93
В узле: 2
252135-П2
Шайба 8Т ОСТ 37.001.115-75
В узле: 4
252154-П29
Шайба 6Л ОСТ 37.001.115-75
В узле: 4
252273-П29
Шайба 5 ОСТ 37.001.146-75
В узле: 2
293271-П29
Шайба 8
В узле: 2
53-8201520
Стойка зеркала заднего вида складная правая в сборе
В узле: 1
53-8201412
Стойка зеркала заднего вида с кронштейнами правая в сборе
В узле: 1
53-8201413
Стойка зеркала заднего вида с кронштейнами левая в сборе
В узле: 1
52-8203010
Пепельница в сборе
В узле: 1
66-8204030
Кронштейн противосолнечного козырька в сборе
В узле: 2
53-8201466
Кронштейн оси зеркала заднего вида со стойками правый в сборе
В узле: 1
66-8204010
Козырек противосолнечный с кронштейном в сборе
В узле: 2
66-8204012
Козырек противосолнечный в сборе
В узле: 2
66-8201416-А
Зеркало заднего вида с осью в сборе
В узле: 2
250610-П29
Гайка М8-6Н ОСТ 37.001.124-93
В узле: 2
1
30-8204046
Пружина оси противосолнечного козырька
В узле: 2
2
52-8204032
Кронштейн противосолнечного козырька
В узле: 2
3
201416-П29
Болт М6-6gх12 ОСТ 37.001.123-96
В узле: 4
4
66-8204036
Ось противосолнечного козырька в сборе
В узле: 2
5
66-8204090
Основание противосолнечного козырька в сборе
В узле: 2
6
240618-П8
Винт 4х12
В узле: 2
7
52-8207110
Крючок для одежды
В узле: 1
8
53-8201521-10
Стойка зеркала заднего вида складная левая в сборе
В узле: 1
9
66-8201452
Ось зеркала заднего вида
В узле: 2
10
66-8204132
Фиксатор противосолнечного козырька
В узле: 2
11
240836-П29
Винт 5х12 ОСТ 37.001.188-81
В узле: 2
12
66-8201418-А
Зеркало заднего вида в сборе
В узле: 2
13
51Б-3816158
Шайба 10
В узле: 2
14
66-01-8201458
Пружина оси зеркала заднего вида
В узле: 4
15
66-8201456
Шайба стопорная
В узле: 4
16
201458-П29
Болт М8-6gх25 ОСТ 37.001.123-96
В узле: 2
17
53-8201467
Кронштейн оси зеркала заднего вида со стойками левый в сборе
В узле: 1
18
53-8201580
Кронштейн крепления стоек наружный
В узле: 2
19
201457-П29
Болт М8-6gх22 ОСТ 37.001.123-96
В узле: 12
20
53-8201576
Кронштейн крепления задней стойки внутренний
В узле: 2
21
53-8201570
Кронштейн крепления передней стойки внутренний
В узле: 2
22
53-8201590
Прокладка кронштейнов
В узле: 6
23
53-8201560
Кронштейн крепления складной стойки внутренний правый
В узле: 2
24
53-8201566
Кронштейн крепления складной стойки наружный правый
В узле: 2
25
52-8203014
Пепельница
В узле: 1
26
52-8203018
Пружина пепельницы
В узле: 1
Содержащиеся в справочниках-каталогах запасные части и детали не предлагаются к продаже, а носят исключительно информационный характер

Ваша заявка была отправлена. В ближайшее время наши специалисты с Вами свяжутся по указанному Вами телефону.

Представьтесь
Поле обязательно для заполнения
Ваш телефон
Введите правильный номер телефона
E-mail
Введите правильный e-mail
Тема
Тема
применяемость финансирование доставка цена, наличие другое сервис и гарантия
Время для звонка
08:00
08:00 09:00 10:00 11:00 12:00 13:00 14:00 15:00 16:00 17:00 18:00 19:00
19:00
08:00 09:00 10:00 11:00 12:00 13:00 14:00 15:00 16:00 17:00 18:00 19:00

Мы постараемся перезвонить в указанное время

Если вы не хотите ждать, то звоните нашим вежливым консультантам:

8 800 100-2-700
Подтвердите, что вы не робот
Подтвердите, что вы не робот
Спасибо!

Ваше сообщение успешно отправлено!

ЗакрытьПовторить попытку