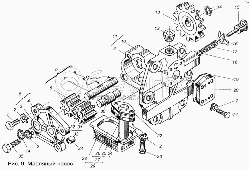
Каталог запасных частей к технике: МАЗ КПП МАЗ-543205-070. Масляный насос

zoom-in zoom-out enlarge shrink circle-right circle-left file-text2 info cart arraw right arraw left zoom out zoom in arraw maximize arraw minimize
1
2
2
2
2
3
3
4
5
6
7
8
9
10
11
12
13
14
14
15
16
17
18
19
20
21
22
23
24
25
26
27
28
29
30
31
32
33
34
35
202.1704010
Масляный насос
В узле: 1
1
201460
Болт М8-6gх30
В узле: 2
2
312211
Шайба
В узле: 10
3
201.1704058
Втулка валика
В узле: 1
4
202.1704090
Крышка
В узле: 1
5
202.1704088
Крышка
В узле: 1
6
201.1704030
Шестерня
В узле: 1
7
201.1704042
Валик
В узле: 1
8
378079
Шпонка 3х5
В узле: 1
9
201.1704028
Шестерня ведущая
В узле: 1
10
201.1704015
Корпус
В узле: 1
11
201.1704013
Корпус
В узле: 1
12
262518
Пробка КГ 3/8"
В узле: 1
13
202.1704142
Шестерня
В узле: 1
14
400337
Стопорное кольцо
В узле: 2
15
236-1704026
Пробка клапана масляного насоса
В узле: 1
16
312219
Шайба 14
В узле: 1
17
201.1704027
Пружина клапана
В узле: 1
18
Б9.525-100
Шарик
В узле: 1
19
201.1704066
Прокладка крышки корпуса
В узле: 1
20
202.1704064
Крышка
В узле: 1
21
201458
Болт М8-6gх25
В узле: 4
22
201.1704108
Прокладка заборника
В узле: 1
23
201456
Болт М8-6gх20
В узле: 2
24
201.1704103
Трубка
В узле: 1
25
201.1704104
Фланец
В узле: 1
26
201.1704102
Крышка
В узле: 1
27
201.1704101
Крышка заборника
В узле: 1
28
201.1704106
Корпус заборника
В узле: 1
29
201.1704100
Заборник
В узле: 1
30
201.1704025
Ось ведомой шестерни
В узле: 1
31
201.1704035
Шестерня ведомая
В узле: 1
32
201.1704016
Втулка
В узле: 1
33
201.1704033
Шестерня ведомая
В узле: 1
34
201.1704116
Втулка установочная
В узле: 2
35
201464
Болт М8-6gх40
В узле: 2
Содержащиеся в справочниках-каталогах запасные части и детали не предлагаются к продаже, а носят исключительно информационный характер

Ваша заявка была отправлена. В ближайшее время наши специалисты с Вами свяжутся по указанному Вами телефону.

Представьтесь
Поле обязательно для заполнения
Ваш телефон
Введите правильный номер телефона
E-mail
Введите правильный e-mail
Тема
Тема
применяемость финансирование доставка цена, наличие другое сервис и гарантия
Время для звонка
08:00
08:00 09:00 10:00 11:00 12:00 13:00 14:00 15:00 16:00 17:00 18:00 19:00
19:00
08:00 09:00 10:00 11:00 12:00 13:00 14:00 15:00 16:00 17:00 18:00 19:00

Мы постараемся перезвонить в указанное время

Если вы не хотите ждать, то звоните нашим вежливым консультантам:

8 800 100-2-700
Подтвердите, что вы не робот
Подтвердите, что вы не робот
Спасибо!

Ваше сообщение успешно отправлено!

ЗакрытьПовторить попытку