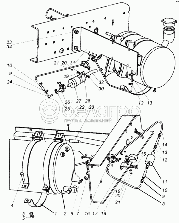
Каталог запасных частей к технике: МАЗ-437040 (Зубренок). Топливопроводы питания подогревателя. Hydronic 10

zoom-in zoom-out enlarge shrink circle-right circle-left file-text2 info cart arraw right arraw left zoom out zoom in arraw maximize arraw minimize
1
2
3
4
5
6
7
8
9
9
10
10
11
12
12
13
13
14
15
16
16
17
18
19
20
20
21
21
22
23
24
25
26
27
28
29
30
31
32
33
34
1
64226-1015910
Бачок топливный
В узле: 1
2
64227-1203030
Хомут
В узле: 4
3
252136
Шайба 10.ОТ
В узле: 2
4
200317
Болт М10-6gх45
В узле: 2
5
250512
Гайка М10-6Н
В узле: 2
6
401589
Ниппель
В узле: 1
7
ФБ-01.02.000
Хомут
В узле: 2
8
4370-1015182
Трубка
В узле: 1
9
10 2063 01 10 98
Хомут
В узле: 4
10
4370-1015173
Шланг
В узле: 2
11
25 1963 46 00 00
Насос топливный
В узле: 1
12
10 2063 00 90 98
Хомут
В узле: 4
13
4370-1015383
Шланг
В узле: 2
14
4370-1015183
Трубка
В узле: 1
15
201542
Болт М12-6gх35
В узле: 4
16
2518018002
Хомут
В узле: 6
16
64221-3724622
Хомут
В узле: 6
17
15210040
Кпяммер
В узле: 1
18
20 1185 00 00 01
Буфер резинометаллический
В узле: 1
19
4370-1015434
Кронштейн
В узле: 1
20
252134
Шайба 6Т
В узле: 3
21
250508
Гайка М6-6Н
В узле: 3
22
258053
Шплинт 4х25
В узле: 4
23
260092
Палец 12х48
В узле: 4
24
4370-1015654
Угольник
В узле: 1
25
64221-1015660
Хомут
В узле: 2
26
4370-1015383-010
Шланг
В узле: 1
27
ФБ-01.00.000
Фильтр топливный
В узле: 1
28
401873
Кляммер
В узле: 1
29
252004
Шайба 6
В узле: 1
30
201420
Болт М6-6gх20
В узле: 1
31
4370-1015926
Кронштейн топливного бачка
В узле: 1
32
64221-1015173-10
Шланг 8х16,5 (L=110мм)
В узле: 1
33
250514
Гайка М12-6Н
В узле: 4
34
252137
Шайба 12.ОТ
В узле: 4
Содержащиеся в справочниках-каталогах запасные части и детали не предлагаются к продаже, а носят исключительно информационный характер

Ваша заявка была отправлена. В ближайшее время наши специалисты с Вами свяжутся по указанному Вами телефону.

Представьтесь
Поле обязательно для заполнения
Ваш телефон
Введите правильный номер телефона
E-mail
Введите правильный e-mail
Тема
Тема
применяемость финансирование доставка цена, наличие другое сервис и гарантия
Время для звонка
08:00
08:00 09:00 10:00 11:00 12:00 13:00 14:00 15:00 16:00 17:00 18:00 19:00
19:00
08:00 09:00 10:00 11:00 12:00 13:00 14:00 15:00 16:00 17:00 18:00 19:00

Мы постараемся перезвонить в указанное время

Если вы не хотите ждать, то звоните нашим вежливым консультантам:

8 800 100-2-700
Подтвердите, что вы не робот
Подтвердите, что вы не робот
Спасибо!

Ваше сообщение успешно отправлено!

ЗакрытьПовторить попытку