Каталог запасных частей к технике: МАЗ-437040 (Зубренок). Установка подогревателя. Hydronic 10

zoom-in zoom-out enlarge shrink circle-right circle-left file-text2 info cart arraw right arraw left zoom out zoom in arraw maximize arraw minimize
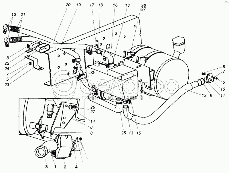
1
2
3
4
5
5
6
7
7
8
8
8
9
10
11
12
13
13
13
14
15
16
17
18
19
20
21
22
23
24
25
26
26
27
27
1
4370-1015032
Труба
В узле: 1
2
25 1806 80 01 00
Глушитель выхлопа
В узле: 1
3
25 1785 80 02 00
Втулка защитная
В узле: 1
4
15210061
Хомут
В узле: 3
5
250508
Гайка М6-6Н
В узле: 3
6
4370-1015152
Кронштейн
В узле: 1
7
252134
Шайба 6Т
В узле: 3
8
201418
Болт М6-6gх16
В узле: 3
9
6422-1304084
Уплотнитель
В узле: 1
10
5432-3506052
Кронштейн
В узле: 1
11
379675
Кляммер
В узле: 1
12
25 1786 80 02 00
Глушитель впуска
В узле: 1
13
10 2065 02 00 32
Хомут
В узле: 9
14
250510
Гайка М8-6Н
В узле: 2
15
25 2044 01 00 00
Подогреватель "Нуdrоniс 10"
В узле: 1
16
4370-1015063
Шланг
В узле: 2
17
262541
Пробка КГ 1/8"
В узле: 2
18
4370-1015655
Переходник
В узле: 2
19
4370-1015080
Шланг
В узле: 1
20
4370-1015100
Шланг
В узле: 1
21
4370-1015198
Пружина защитная
В узле: 2
22
403631
Кляммер
В узле: 1
23
4370-1015435
Кронштейн
В узле: 1
24
4370-1015148
Прокладка
В узле: 1
25
4370-1015033
Труба
В узле: ---
26
201456
Болт М8-6gх20
В узле: 6
27
252135
Шайба 8Т
В узле: 6
Содержащиеся в справочниках-каталогах запасные части и детали не предлагаются к продаже, а носят исключительно информационный характер

Ваша заявка была отправлена. В ближайшее время наши специалисты с Вами свяжутся по указанному Вами телефону.

Представьтесь
Поле обязательно для заполнения
Ваш телефон
Введите правильный номер телефона
E-mail
Введите правильный e-mail
Тема
Тема
применяемость финансирование доставка цена, наличие другое сервис и гарантия
Время для звонка
08:00
08:00 09:00 10:00 11:00 12:00 13:00 14:00 15:00 16:00 17:00 18:00 19:00
19:00
08:00 09:00 10:00 11:00 12:00 13:00 14:00 15:00 16:00 17:00 18:00 19:00

Мы постараемся перезвонить в указанное время

Если вы не хотите ждать, то звоните нашим вежливым консультантам:

8 800 100-2-700
Подтвердите, что вы не робот
Подтвердите, что вы не робот
Спасибо!

Ваше сообщение успешно отправлено!

ЗакрытьПовторить попытку