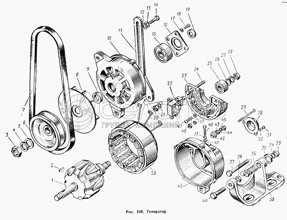
Каталог запасных частей к технике: МАЗ-500А. Генератор

zoom-in zoom-out enlarge shrink circle-right circle-left file-text2 info cart arraw right arraw left zoom out zoom in arraw maximize arraw minimize
1
2
3
4
5
6
7
8
9
10
11
12
13
14
15
16
17
17
17
18
19
20
21
22
23
24
25
26
27
28
29
30
31
32
33
34
35
36
37
38
39
40
41
42
43
44
45
46
47
48
49
50
М11-90118
Гайка крепления фазных выводов статора
В узле: 3
Х-4237
Винт
В узле: 1
Г250-3701013
Щеткодержатель
В узле: 1
Х-4001
Шайба пружинная
В узле: 1
8Х-1497-А
Шайба
В узле: 1
Г250-3701012
Крышка щеткодержателя
В узле: 1
Г250-3701030
Изолированная щетка в сборе
В узле: 1
Г250-3701020
Массовая щетка в сборе
В узле: 1
1
Г270А-3701200
Ротор в сборе
В узле: 1
2
Б-16
Шпонка сегментная
В узле: 1
3
МХ-0235
Гайка
В узле: 1
4
МХ-0234
Шайба пружинная
В узле: 1
5
Н0-1076
Шайба
В узле: 1
6
Г270А-3701051
Шкив
В узле: 1
7
236-1307170
Ремень
В узле: 1
8
Г250-3701055
Вентилятор в сборе
В узле: 1
9
Г250-3701054
Втулка
В узле: 1
10
Г250-3701401
Крышка со стороны привода
В узле: 1
11
236-3701025-Б2
Планка крепления генератора
В узле: 1
12
252038-П29
Шайба
В узле: 1
13
252135-П2
Шайба
В узле: 1
14
201466-П29
Болт крепления генератора к планке
В узле: 1
15
180603С9
Шарикоподшипник
В узле: 1
16
Г250-3701404
Шайба специальная
В узле: 1
17
Х-4001
Шайба пружинная
В узле: 1
18
НО-0603
Винт
В узле: 4
19
Г21-3701005
Чашка упорная
В узле: 1
20
250511-П29
Гайка
В узле: 1
21
252135-П2
Шайба
В узле: 1
22
Г253-3701010
Щеткодержатель в сборе
В узле: 1
23
ВБГ-1
Блок выпрямительный
В узле: 1
24
Г250-3701352-А1
Блок контактный
В узле: 1
25
180502КС9
Шарикоподшипник
В узле: 1
26
МХ-0825
Шайба
В узле: 1
27
Х-4289
Шайба пружинная
В узле: 1
28
МХ-0015
Гайка
В узле: 1
29
М152-3728006
Винт крепления крышки со стороны контактных колец
В узле: 4
30
Г253-3701060
Крышка подшипника
В узле: 1
31
Х1-100-75Д
Винт
В узле: 3
32
Х-1012
Шайба пружинная
В узле: 3
33
250512-П29
Гайка
В узле: 1
34
252136-П2
Шайба
В узле: 1
35
250638-П29
Гайка
В узле: 1
36
238НБ-3701044-Б
Втулка кронштейна крепления генератора
В узле: 1
37
201511-П29
Болт крепления генератора к втулке
В узле: 1
38
236-3701020-В
Кронштейн крепления генератора
В узле: 1
39
250512-П29
Гайка
В узле: 1
40
201504-П29
Болт крепления генератора к кронштейну
В узле: 1
41
8Х-1497-А
Шайба
В узле: 2
42
Г250-3701319-А1
Втулка изоляционная
В узле: 1
43
НО-1067
Шайба
В узле: 1
44
8Х-1533М
Гайка
В узле: 2
45
Х-1482
Шайба пружинная
В узле: 2
46
Г250-3701016
Болт крепления щеткодержателя
В узле: 2
47
ТХ-4279
Винт
В узле: 1
48
Х-4001
Шайба пружинная
В узле: 3
49
Г250-3701300-А1
Крышка со стороны контактных колец в сборе
В узле: 1
50
Г270А-3701100
Статор с катушками в сборе
В узле: 1
Содержащиеся в справочниках-каталогах запасные части и детали не предлагаются к продаже, а носят исключительно информационный характер

Ваша заявка была отправлена. В ближайшее время наши специалисты с Вами свяжутся по указанному Вами телефону.

Представьтесь
Поле обязательно для заполнения
Ваш телефон
Введите правильный номер телефона
E-mail
Введите правильный e-mail
Тема
Тема
применяемость финансирование доставка цена, наличие другое сервис и гарантия
Время для звонка
08:00
08:00 09:00 10:00 11:00 12:00 13:00 14:00 15:00 16:00 17:00 18:00 19:00
19:00
08:00 09:00 10:00 11:00 12:00 13:00 14:00 15:00 16:00 17:00 18:00 19:00

Мы постараемся перезвонить в указанное время

Если вы не хотите ждать, то звоните нашим вежливым консультантам:

8 800 100-2-700
Подтвердите, что вы не робот
Подтвердите, что вы не робот
Спасибо!

Ваше сообщение успешно отправлено!

ЗакрытьПовторить попытку