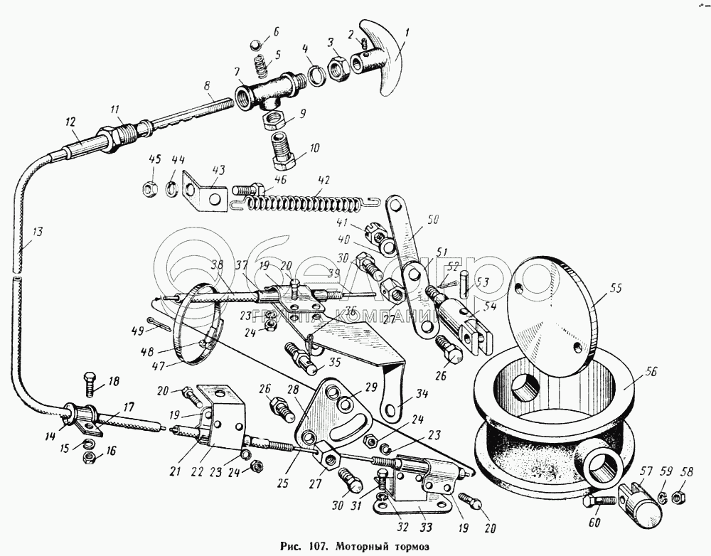
Каталог запасных частей к технике: МАЗ-500А. Моторный тормоз

zoom-in zoom-out enlarge shrink circle-right circle-left file-text2 info cart arraw right arraw left zoom out zoom in arraw maximize arraw minimize
1
2
3
4
5
6
7
8
9
10
11
12
13
14
15
16
17
18
19
19
19
20
20
20
21
22
23
23
23
24
24
24
25
26
26
27
27
28
29
30
30
31
32
33
34
35
36
37
38
39
40
41
42
43
44
45
46
47
48
49
50
51
52
53
54
55
56
57
58
59
60
500А-3570010
Заслонка моторного тормоза в сборе
В узле: 1
509-3570194
Втулка
В узле: 2
500А-3570178
Чехол оболочки
В узле: 1
500-1108259
Чехол оболочки
В узле: 1
500А-3570160А
Тяга моторного тормоза и останова двигателя в сборе
В узле: 1
500А-3570168
Тяга вторая в сборе
В узле: 1
509-3570192
Рычаг останова двигателя
В узле: 1
500А-3570176А
Оболочка тяги вторая
В узле: 1
500-1108256-В
Оболочка тяги
В узле: 1
500А-3570162
Стержень ручки с тягой в сборе
В узле: 1
1
500-1310494
Ручка
В узле: 1
2
373756-П29
Винт
В узле: 1
3
250636-П29
Гайка
В узле: 1
4
252159-П2
Шайба
В узле: 1
5
503Б-8606320
Пружина
В узле: 1
6
500-3401035
Шарик
В узле: 1
7
509-3570166
Корпус фиксатора
В узле: 1
8
500-1310484
Стержень ручки
В узле: 1
9
311504-П29
Гайка
В узле: 1
10
503Б-8606318
Пробка
В узле: 1
11
500-1310454
Втулка
В узле: 1
12
500-1310456
Трубка оболочки
В узле: 1
13
509-3570170-А
Оболочка тяги первая в сборе
В узле: 1
14
500-1104541-Б
Втулка
В узле: 1
15
252136-П2
Шайба
В узле: 1
16
250512-П29
Гайка
В узле: 1
17
379224-П29
Кляммер
В узле: 1
18
201495-П29
Болт
В узле: 1
19
509-3570179
Держатель
В узле: 3
20
220080-П29
Винт
В узле: 6
21
500-1310489-Б
Втулка обжимная
В узле: 4
22
509-3570186
Кронштейн крепления оболочки передний
В узле: 2
23
252133-П2
Шайба
В узле: 6
24
250763-П29
Гайка
В узле: 6
25
500А-3570164
Тяга
В узле: 1
26
201454-П29
Болт
В узле: 2
27
509-3570182
Муфта зажима тяги
В узле: 2
28
509-3570190
Рычаг останова двигателя в сборе
В узле: 1
29
252005-П29
Шайба 8
В узле: 1
30
201452-П29
Болт
В узле: 2
31
201495-П29
Болт
В узле: 2
32
252136-П2
Шайба
В узле: 2
33
Р509-3570184
Кронштейн в сборе
В узле: 1
34
500А-3570187
Кронштейн крепления оболочки задний
В узле: 1
35
509-3570196
Ось рычага останова двигателя
В узле: 1
36
258025-П29
Шплинт
В узле: 1
37
500-1310489-Б
Втулка обжимная
В узле: 2
38
500А-3570174А
Оболочка вторая в сборе
В узле: 1
39
500А-3570169
Тяга вторая
В узле: 1
40
252005-П29
Шайба 8
В узле: 1
41
250975-П29
Гайка
В узле: 1
42
509-3570032
Пружина
В узле: 1
43
500-3504046
Угольник
В узле: 1
44
252135-П2
Шайба
В узле: 1
45
250510-П29
Гайка
В узле: 1
46
201456-П29
Болт
В узле: 1
47
297588-П29
Лента стяжная
В узле: 1
48
297580-П29
Пряжка хомутика
В узле: 1
49
297575-П 29
Шплинт
В узле: 1
50
509-3570030
Рычаг оттяжной пружины
В узле: 1
51
509-3570024
Рычаг заслонки
В узле: 1
52
258025-П29
Шплинт
В узле: 1
53
377355-П29
Штифт
В узле: 1
54
509-3570018
Валик заслонки
В узле: 1
55
509-3570012
Заслонка моторного тормоза
В узле: 1
56
509-3570014
Корпус заслонки
В узле: 1
57
509-3670020
Ось заслонки
В узле: 1
58
250508-П29
Гайка М6
В узле: 2
59
252134-П2
Шайба
В узле: 2
60
201420-П29
Болт М6х20
В узле: 2
Содержащиеся в справочниках-каталогах запасные части и детали не предлагаются к продаже, а носят исключительно информационный характер

Ваша заявка была отправлена. В ближайшее время наши специалисты с Вами свяжутся по указанному Вами телефону.

Представьтесь
Поле обязательно для заполнения
Ваш телефон
Введите правильный номер телефона
E-mail
Введите правильный e-mail
Тема
Тема
применяемость финансирование доставка цена, наличие другое сервис и гарантия
Время для звонка
08:00
08:00 09:00 10:00 11:00 12:00 13:00 14:00 15:00 16:00 17:00 18:00 19:00
19:00
08:00 09:00 10:00 11:00 12:00 13:00 14:00 15:00 16:00 17:00 18:00 19:00

Мы постараемся перезвонить в указанное время

Если вы не хотите ждать, то звоните нашим вежливым консультантам:

8 800 100-2-700
Подтвердите, что вы не робот
Подтвердите, что вы не робот
Спасибо!

Ваше сообщение успешно отправлено!

ЗакрытьПовторить попытку