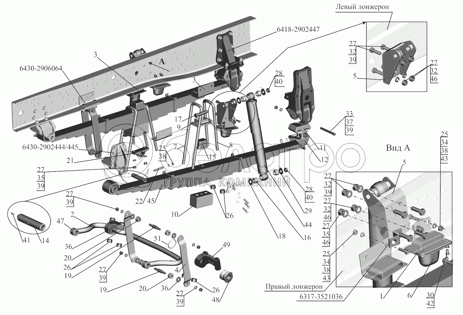
Каталог запасных частей к технике: МАЗ-530905. Установка подвески передней 5309-2900001

zoom-in zoom-out enlarge shrink circle-right circle-left file-text2 info cart arraw right arraw left zoom out zoom in arraw maximize arraw minimize
6418-2902447
6317-3521036
6430-2906064
6430-2902444
6430-2902445
1
2
3
3
4
5
5
6
7
8
9
10
11
12
14
15
16
17
18
19
19
20
20
21
22
25
25
25
26
26
26
27
27
27
27
27
27
27
27
27
28
28
29
30
32
32
32
32
33
34
34
35
35
36
36
37
38
38
38
39
39
39
39
39
39
39
40
40
41
42
43
43
44
44
44
45
46
46
46
47
48
49
51
16
500А-2905410
Буфер
В узле: 8
500А-2905410 Втулка амортизатора (одинарная) <10 шт. 94.56 р.
6418-2902447
Кронштейн
В узле: ---
6317-3521036
Кронштейн
В узле: ---
6430-2906064
Усилитель
В узле: ---
6430-2902444
Кронштейн правый
В узле: ---
6430-2902445
Кронштейн левый
В узле: ---
1
6418-2902625
Кронштейн буфера
В узле: 2
2
631705-2906006
Вал стабилизатора с кронштейнами
В узле: 1
3
6418-2902608
Кронштейн
В узле: 2
4
5340-2906017
Серьга
В узле: 4
5
6418-2905540
Кронштейн
В узле: 2
6
500А-2902634
Буфер дополнительный
В узле: 2
7
6418-2902409
Стремянка
В узле: 2
8
6317-2902409
Стремянка рессоры
В узле: 2
9
500-2902412
Накладка
В узле: 2
10
6418-2902422
Подкладка
В узле: 2
11
64221-2902430
Подушка
В узле: 2
12
64221-2902449
Вкладыш
В узле: 2
14
5432-2902478
Палец
В узле: 2
15
500-2902624
Буфер
В узле: 2
17
53361-2905470
Палец
В узле: 2
18
500А-2905420
Шайба
В узле: 2
19
6430-2906026
Палец
В узле: 4
20
64221-2906028
Втулка
В узле: 8
21
6430-2906042
Кронштейн верхний
В узле: 2
22
500А-2912482
Клин пальца ушка задней рессоры
В узле: 2
25
250514
Гайка М12-6Н
В узле: 10
26
374650
Гайка М24х2-6Н
В узле: 8
27
374727
Гайка М16х1,5-5Н6Н
В узле: 20
28
374910
Гайка М20х1,5-5Н6Н
В узле: 4
29
252 049-10
Шайба 20
В узле: 2
30
201493
Болт М10-6gх16
В узле: 8
32
372629
Болт М16х1,5-6gх45
В узле: 7
33
200880
Болт М16-6gх160
В узле: 2
34
200367
Болт М12-6gх45
В узле: 8
35
372613
Болт М16х1,5-6gх55
В узле: 5
36
252 047
Шайба 16
В узле: 4
37
250560
Гайка М16-6Н
В узле: 2
38
252137
Шайба 12.ОТ
В узле: 6
39
252139
Шайба 16.ОТ
В узле: 18
40
258056
Шплинт 4х40
В узле: 4
41
264040
Масленка 2.3.90 Ц6хр
В узле: 2
42
252136
Шайба 10.ОТ
В узле: 8
43
252007
Шайба 12
В узле: 8
44
50.2.2905006
Амортизатор
В узле: 2
44
А1-325/500.2905006
Амортизатор
В узле: 2
44
15.2905006-11
Амортизатор
В узле: 2
45
6501-2902012
Рессора передняя
В узле: 2
46
252017
Шайба 16
В узле: 4
47
6430-2906016
Вал стабилизатора
В узле: 1
48
6430-2906030
Втулка
В узле: 2
49
631705-2906040
Кронштейн нижний
В узле: 2
51
400583-01
Кольцо В70
В узле: 2
Содержащиеся в справочниках-каталогах запасные части и детали не предлагаются к продаже, а носят исключительно информационный характер

Ваша заявка была отправлена. В ближайшее время наши специалисты с Вами свяжутся по указанному Вами телефону.

Представьтесь
Поле обязательно для заполнения
Ваш телефон
Введите правильный номер телефона
E-mail
Введите правильный e-mail
Тема
Тема
применяемость финансирование доставка цена, наличие другое сервис и гарантия
Время для звонка
08:00
08:00 09:00 10:00 11:00 12:00 13:00 14:00 15:00 16:00 17:00 18:00 19:00
19:00
08:00 09:00 10:00 11:00 12:00 13:00 14:00 15:00 16:00 17:00 18:00 19:00

Мы постараемся перезвонить в указанное время

Если вы не хотите ждать, то звоните нашим вежливым консультантам:

8 800 100-2-700
Подтвердите, что вы не робот
Подтвердите, что вы не робот
Спасибо!

Ваше сообщение успешно отправлено!

ЗакрытьПовторить попытку