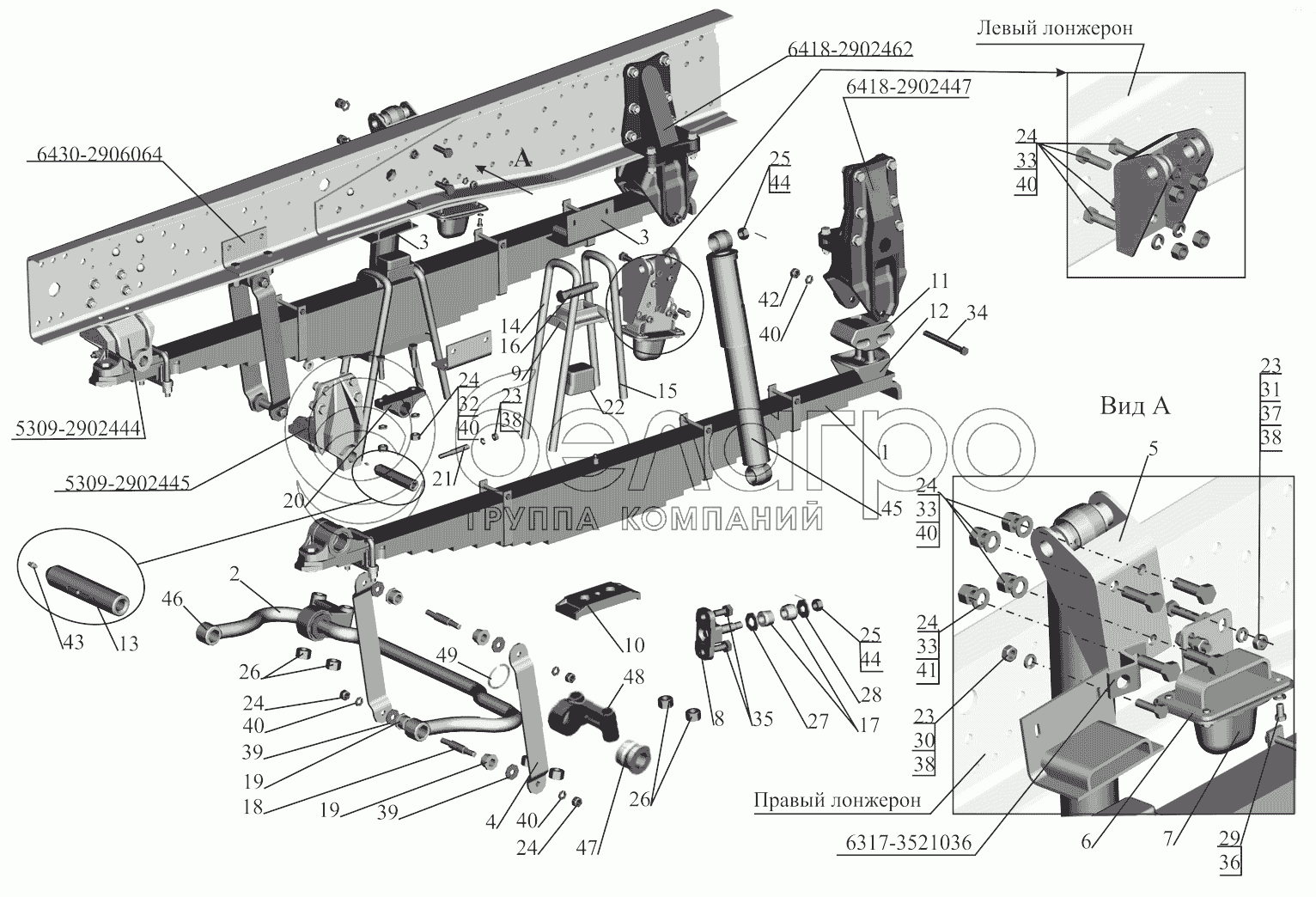
Каталог запасных частей к технике: МАЗ-530905. Установка подвески передней 5309-2900001-020

zoom-in zoom-out enlarge shrink circle-right circle-left file-text2 info cart arraw right arraw left zoom out zoom in arraw maximize arraw minimize
6430-2906064
5309-2902444
5309-2902445
6418-2902462
6418-2902447
6317-3521036
1
2
3
3
4
5
6
7
8
9
10
11
12
13
14
15
16
17
18
19
19
20
21
22
23
23
23
24
24
24
24
24
24
25
25
26
26
27
28
29
30
31
32
33
33
33
34
35
36
37
38
38
38
39
39
40
40
40
40
40
40
41
42
43
44
44
45
45
45
46
47
48
49
17
500А-2905410
Буфер
В узле: 8
500А-2905410 Втулка амортизатора (одинарная) <10 шт. 94.56 р.
6430-2906064
Усилитель
В узле: ---
5309-2902444
Кронштейн
В узле: ---
5309-2902445
Кронштейн
В узле: ---
6418-2902462
Кронштейн
В узле: ---
6418-2902447
Кронштейн
В узле: ---
6317-3521036
Кронштейн
В узле: ---
1
5309-2902012
Рессора передняя
В узле: 2
2
631705-2906006
Вал стабилизатора с кронштейнами
В узле: 1
3
641808-2902608
Кронштейн
В узле: 2
4
5340-2906017
Серьга
В узле: 4
5
6418-2905540
Кронштейн
В узле: 2
6
6418-2902625
Кронштейн буфера
В узле: 2
7
500А-2902634
Буфер дополнительный
В узле: 2
8
631705-2905416
Кронштейн
В узле: 2
9
500-2902412
Накладка
В узле: 2
10
5309-2902422
Подкладка
В узле: 2
11
64221-2902430
Подушка
В узле: 2
12
64221-2902449
Вкладыш
В узле: 2
13
500А-2912478
Палец
В узле: 2
14
6418-2902409
Стремянка
В узле: 2
15
509А-2902408
Стремянка
В узле: 2
16
53361-2905470
Палец
В узле: 2
18
6430-2906026
Палец
В узле: 4
19
64221-2906028
Втулка
В узле: 8
20
6430-2906042
Кронштейн верхний
В узле: 2
21
500А-2912482
Клин пальца ушка задней рессоры
В узле: 2
22
500-2902624
Буфер
В узле: 2
23
250514
Гайка М12-6Н
В узле: 10
24
374727
Гайка М16х1,5-5Н6Н
В узле: 20
25
374910
Гайка М20х1,5-5Н6Н
В узле: 4
26
374650
Гайка М24х2-6Н
В узле: 8
27
500А-2905420
Шайба
В узле: 4
28
252049-10
Шайба 20
В узле: 2
29
201493
Болт М10-6gх16
В узле: 8
30
201544
Болт М12-6gх40
В узле: 4
31
200367
Болт М12-6gх45
В узле: 4
32
372613
Болт М16х1,5-6gх55
В узле: 4
33
371342
Болт М16х1,5-6gх50
В узле: 8
34
200880
Болт М16-6gх160
В узле: 2
35
372914
Болт М20х1.5-6gх40
В узле: 4
36
252136
Шайба 10.ОТ
В узле: 8
37
252007
Шайба 12
В узле: 4
38
252137
Шайба 12.ОТ
В узле: 10
39
252047
Шайба 16
В узле: 4
40
252139
Шайба 16.ОТ
В узле: 20
41
252017
Шайба 16
В узле: 2
42
250560
Гайка М16-6Н
В узле: 2
43
264040
Масленка 2.3.90 Ц6хр
В узле: 2
44
258056
Шплинт 4х40
В узле: 4
45
50.2.2905006
Амортизатор
В узле: 2
45
А1-325/500.2905006
Амортизатор
В узле: 2
45
15.2905006-11
Амортизатор
В узле: 2
46
6430-2906016
Вал стабилизатора
В узле: 1
47
6430-2906030
Втулка
В узле: 2
48
631705-2906040
Кронштейн нижний
В узле: 2
49
400583-01
Кольцо В70
В узле: 2
Содержащиеся в справочниках-каталогах запасные части и детали не предлагаются к продаже, а носят исключительно информационный характер

Ваша заявка была отправлена. В ближайшее время наши специалисты с Вами свяжутся по указанному Вами телефону.

Представьтесь
Поле обязательно для заполнения
Ваш телефон
Введите правильный номер телефона
E-mail
Введите правильный e-mail
Тема
Тема
применяемость финансирование доставка цена, наличие другое сервис и гарантия
Время для звонка
08:00
08:00 09:00 10:00 11:00 12:00 13:00 14:00 15:00 16:00 17:00 18:00 19:00
19:00
08:00 09:00 10:00 11:00 12:00 13:00 14:00 15:00 16:00 17:00 18:00 19:00

Мы постараемся перезвонить в указанное время

Если вы не хотите ждать, то звоните нашим вежливым консультантам:

8 800 100-2-700
Подтвердите, что вы не робот
Подтвердите, что вы не робот
Спасибо!

Ваше сообщение успешно отправлено!

ЗакрытьПовторить попытку