Каталог запасных частей к технике: МАЗ-54321. Бак топливный

zoom-in zoom-out enlarge shrink circle-right circle-left file-text2 info cart arraw right arraw left zoom out zoom in arraw maximize arraw minimize
1
2
2
3
3
4
4
5
5
6
7
8
9
10
11
12
13
14
15
16
17
18
19
20
21
22
23
24
25
26
27
28
28
29
29
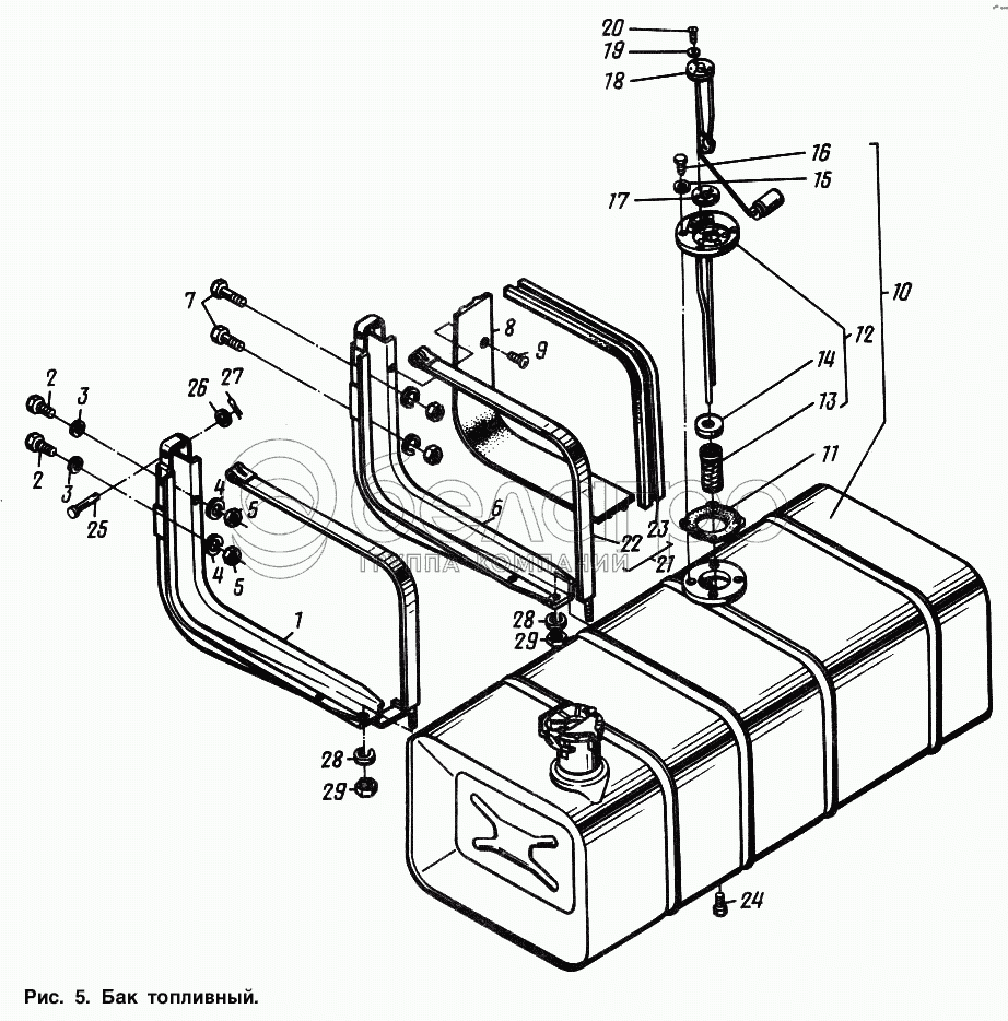
1
54321-1101103
Кронштейн бака
В узле: 1
2
202197
Болт М18х1,5-6Нх50
В узле: 2
3
260099
Палец 12х80
В узле: 2
4
252140
Шайба 18.ОТ
В узле: 4
5
372768
Болт М18х1,5х65
В узле: 4
6
54321-1101102
Кронштейн бака
В узле: 1
7
372768
Болт М18х1,5х65
В узле: 2
8
6422-1101136
Прокладка
В узле: 2
9
212-8402036
Буфер
В узле: 4
10
54321-1101010
Бак топливный
В узле: 1
11
500-1105013
Прокладка
В узле: 1
12
54321-1105014
Топливозаборник
В узле: 1
13
5551-8608111
Фильтр
В узле: 1
14
54321-1105020
Крышка фильтра
В узле: 1
15
375458
Шайба 8
В узле: 4
16
201460
Болт М8-6gх30
В узле: 4
17
200-3806026
Прокладка
В узле: 1
18
БМ163Д-3806600Э
Датчик уровня топлива
В узле: 1
19
375370
Шайба 5 ОТ
В узле: 1
20
220078
Винт М5-6gх14
В узле: 1
21
6422-1101110-01
Хомут с прокладкой
В узле: 2
22
6422-1101117-01
Хомут
В узле: 2
23
5428-1101114
Прокладка хомута
В узле: 2
24
500-1101060
Пробка
В узле: 1
25
260099
Палец 12х80
В узле: 2
26
252007
Шайба 12
В узле: 2
27
258052
Шплинт 4х20
В узле: 2
28
252137
Шайба 12.ОТ
В узле: 2
29
250515
Гайка М12х1,25-6Н
В узле: 2
Содержащиеся в справочниках-каталогах запасные части и детали не предлагаются к продаже, а носят исключительно информационный характер

Ваша заявка была отправлена. В ближайшее время наши специалисты с Вами свяжутся по указанному Вами телефону.

Представьтесь
Поле обязательно для заполнения
Ваш телефон
Введите правильный номер телефона
E-mail
Введите правильный e-mail
Тема
Тема
применяемость финансирование доставка цена, наличие другое сервис и гарантия
Время для звонка
08:00
08:00 09:00 10:00 11:00 12:00 13:00 14:00 15:00 16:00 17:00 18:00 19:00
19:00
08:00 09:00 10:00 11:00 12:00 13:00 14:00 15:00 16:00 17:00 18:00 19:00

Мы постараемся перезвонить в указанное время

Если вы не хотите ждать, то звоните нашим вежливым консультантам:

8 800 100-2-700
Подтвердите, что вы не робот
Подтвердите, что вы не робот
Спасибо!

Ваше сообщение успешно отправлено!

ЗакрытьПовторить попытку