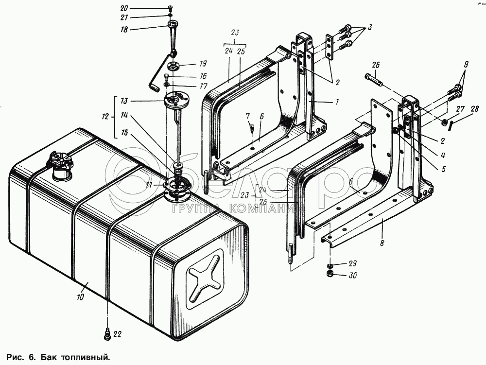
Каталог запасных частей к технике: МАЗ-54321. Бак топливный

zoom-in zoom-out enlarge shrink circle-right circle-left file-text2 info cart arraw right arraw left zoom out zoom in arraw maximize arraw minimize
1
2
2
3
4
5
6
6
7
8
9
10
11
12
13
14
15
16
17
18
19
20
21
22
23
23
24
24
25
25
26
27
28
29
30
1
64221-1101103
Кронштейн
В узле: 1
2
64221-1101151
Усилитель
В узле: 3
3
372767
Болт М18х1,5-6gх70
В узле: 3
4
252140
Шайба 18.ОТ
В узле: 6
5
374819
Гайка М18х1,5
В узле: 6
6
64221-1101134
Прокладка
В узле: 2
7
212-8402036
Буфер
В узле: 14
8
64221-1101102
Кронштейн
В узле: 1
9
202202
Болт М18х1,5-6hх75
В узле: 3
10
64221-1101010
Бак топливный
В узле: 1
11
500-1105013
Прокладка
В узле: 1
12
64221-1105014
Топливозаборник
В узле: 1
13
54321-1105020
Крышка фильтра
В узле: 1
14
64321-1105011
Крышка
В узле: 1
15
5551-8608111
Фильтр
В узле: 1
16
201460
Болт М8-6gх30
В узле: 4
17
375498
Шайба 8
В узле: 4
18
42.3827600
Датчик указателя уровня топлива
В узле: 1
19
200-3806026
Прокладка
В узле: 1
20
220079
Винт М5-6gх14
В узле: 5
21
375370
Шайба 5 ОТ
В узле: 5
22
500-1101060
Пробка
В узле: 1
23
64221-1101110
Хомут
В узле: 2
24
64221-1101114
Прокладка
В узле: 2
25
64221-1101107
Хомут
В узле: 2
26
374873
Палец 16х122
В узле: 2
27
252017
Шайба 16
В узле: 2
28
258053
Шплинт 4х25
В узле: 2
29
252138
Шайба 14.ОТ
В узле: 2
30
250559
Гайка М14х1,5-6Н
В узле: 2
Содержащиеся в справочниках-каталогах запасные части и детали не предлагаются к продаже, а носят исключительно информационный характер

Ваша заявка была отправлена. В ближайшее время наши специалисты с Вами свяжутся по указанному Вами телефону.

Представьтесь
Поле обязательно для заполнения
Ваш телефон
Введите правильный номер телефона
E-mail
Введите правильный e-mail
Тема
Тема
применяемость финансирование доставка цена, наличие другое сервис и гарантия
Время для звонка
08:00
08:00 09:00 10:00 11:00 12:00 13:00 14:00 15:00 16:00 17:00 18:00 19:00
19:00
08:00 09:00 10:00 11:00 12:00 13:00 14:00 15:00 16:00 17:00 18:00 19:00

Мы постараемся перезвонить в указанное время

Если вы не хотите ждать, то звоните нашим вежливым консультантам:

8 800 100-2-700
Подтвердите, что вы не робот
Подтвердите, что вы не робот
Спасибо!

Ваше сообщение успешно отправлено!

ЗакрытьПовторить попытку