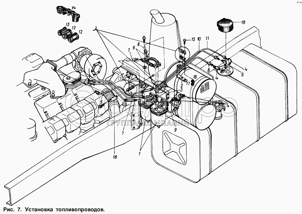
Каталог запасных частей к технике: МАЗ-54321. Установка топливопроводов

zoom-in zoom-out enlarge shrink circle-right circle-left file-text2 info cart arraw right arraw left zoom out zoom in arraw maximize arraw minimize
1
2
3
4
4
4
5
6
7
7
8
8
9
9
10
11
12
12
13
14
15
16
17
18
19
1
840-1105010
Фильтр топливный
В узле: 2
2
5551-1104016
Кронштейн
В узле: 1
3
64221-1104016
Кронштейн
В узле: 1
4
402985
Угольник
В узле: 4
5
402766
Угольник
В узле: 1
6
64221-1104510
Топливопровод
В узле: 2
7
64221-1104492
Трубка всасывающая
В узле: 1
8
64221-1104500
Трубка подводящая
В узле: 1
9
64221-1104617
Трубка отводящая от форсунок
В узле: 1
10
64221-1104586
Трубка отводящая
В узле: 1
11
64221-1104610
Трубка сливная
В узле: 1
12
500-1104542
Втулка
В узле: 6
13
500-1104541Б
Втулка
В узле: 3
14
64221-1104012
Хомут
В узле: 3
15
200213
Болт М6-6gх35
В узле: 6
16
252134
Шайба 6Т
В узле: 6
17
250508
Гайка М6-6Н
В узле: 6
18
5551-1104017
Пластина
В узле: 1
19
64221-1104019
Крышка
В узле: 1
Содержащиеся в справочниках-каталогах запасные части и детали не предлагаются к продаже, а носят исключительно информационный характер

Ваша заявка была отправлена. В ближайшее время наши специалисты с Вами свяжутся по указанному Вами телефону.

Представьтесь
Поле обязательно для заполнения
Ваш телефон
Введите правильный номер телефона
E-mail
Введите правильный e-mail
Тема
Тема
применяемость финансирование доставка цена, наличие другое сервис и гарантия
Время для звонка
08:00
08:00 09:00 10:00 11:00 12:00 13:00 14:00 15:00 16:00 17:00 18:00 19:00
19:00
08:00 09:00 10:00 11:00 12:00 13:00 14:00 15:00 16:00 17:00 18:00 19:00

Мы постараемся перезвонить в указанное время

Если вы не хотите ждать, то звоните нашим вежливым консультантам:

8 800 100-2-700
Подтвердите, что вы не робот
Подтвердите, что вы не робот
Спасибо!

Ваше сообщение успешно отправлено!

ЗакрытьПовторить попытку