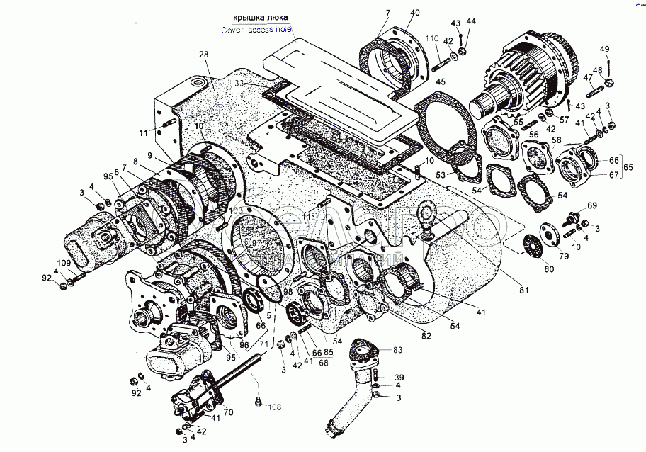
Каталог запасных частей к технике: МАЗ-543 (7310). Картер 543-1731010-20 и крышки

zoom-in zoom-out enlarge shrink circle-right circle-left file-text2 info cart arraw right arraw left zoom out zoom in arraw maximize arraw minimize
3
3
3
3
3
3
4
4
4
4
4
4
4
4
5
6
7
7
8
9
10
10
10
11
11
28
33
39
40
41
41
41
41
42
42
42
42
42
43
43
44
45
47
48
49
53
54
54
54
54
55
56
57
58
65
66
66
66
67
68
69
70
71
79
80
81
82
83
85
92
92
95
95
96
97
98
103
108
109
110
3
250513
Гайка М10х1-6Н
В узле: 50
4
252136
Шайба 10.ОТ
В узле: 58
5
0000-1308797
Кольцо 090-100-58-2-2
В узле: 1
6
543-1731096-Г
Крышка крепления насоса
В узле: 1
7
543-1731094
Прокладка
В узле: 2
8
543-1731108
Стакан
В узле: 1
9
543-1731090-Б
Прокладка
В узле: 1
10
216555
Шпилька М10х30
В узле: 26
11
373592
Шпилька М14х30
В узле: 10
28
543-1731015-30
Картер
В узле: 1
33
543-1731202-Б
Прокладка
В узле: 1
39
373324
Шпилька М10х22
В узле: 3
40
543-1731092
Крышка
В узле: 1
41
373271
Шпилька М10х25
В узле: 19
42
252006
Шайба 10
В узле: 46
43
258025
Шплинт 2,5х20
В узле: 11
44
250963
Гайка М10х1,25-6Н
В узле: 6
45
543-1731033
Прокладка
В узле: 1
47
373511
Шпилька М12х32
В узле: 8
48
250977
Гайка М12х1,25-6Н
В узле: 8
49
258039
Шплинт 3,2х20
В узле: 8
53
543-1731612
Прокладка
В узле: ---
54
543-4202061
Прокладка
В узле: 4
55
543-1731610
Крышка
В узле: 1
56
543-1731041
Шпилька М10х24
В узле: 5
57
250875
Гайка М10х1,25-6Н
В узле: 5
58
543-1731508
Крышка
В узле: 1
65
543-1731702-10
Крышка
В узле: 1
66
535-3401025-01
Манжета 2,2-48х70-3
В узле: 3
67
543-1731704-10
Крышка
В узле: 1
68
543-1731702
Крышка с сальником
В узле: 1
69
74101-3732060
Контакт сигнализирующий
В узле: 1
70
543-1731546
Прокладка
В узле: 1
71
543-1731660-01
Корпус
В узле: 1
79
7911-1731573
Крышка
В узле: 1
80
7911-1731574
Прокладка
В узле: 1
81
535А-1503280
Рым-болт
В узле: 2
82
543-4202056
Крышка
В узле: 1
83
543-1802329
Прокладка
В узле: 1
85
543-1731704
Крышка
В узле: 1
92
374243
Гайка М10х1-6Н
В узле: 8
95
543-3406013-01
Прокладка
В узле: 4
96
543-1731662-Б
Корпус
В узле: 1
97
543-1731056-Б
Прокладка
В узле: 1
98
216559
Шпилька М10х40
В узле: 4
103
373513
Шпилька М12х32
В узле: 8
108
262541
Пробка КГ 1/8"
В узле: 1
109
373268
Шпилька М10х28
В узле: 4
110
1873ЯЩ-20
Шпилька М10х27
В узле: 6
Содержащиеся в справочниках-каталогах запасные части и детали не предлагаются к продаже, а носят исключительно информационный характер

Ваша заявка была отправлена. В ближайшее время наши специалисты с Вами свяжутся по указанному Вами телефону.

Представьтесь
Поле обязательно для заполнения
Ваш телефон
Введите правильный номер телефона
E-mail
Введите правильный e-mail
Тема
Тема
применяемость финансирование доставка цена, наличие другое сервис и гарантия
Время для звонка
08:00
08:00 09:00 10:00 11:00 12:00 13:00 14:00 15:00 16:00 17:00 18:00 19:00
19:00
08:00 09:00 10:00 11:00 12:00 13:00 14:00 15:00 16:00 17:00 18:00 19:00

Мы постараемся перезвонить в указанное время

Если вы не хотите ждать, то звоните нашим вежливым консультантам:

8 800 100-2-700
Подтвердите, что вы не робот
Подтвердите, что вы не робот
Спасибо!

Ваше сообщение успешно отправлено!

ЗакрытьПовторить попытку