Каталог запасных частей к технике: МАЗ-543 (7310). Рычаги, тяга и вилка отключения трансмиссии

zoom-in zoom-out enlarge shrink circle-right circle-left file-text2 info cart arraw right arraw left zoom out zoom in arraw maximize arraw minimize
1
2
3
4
5
6
7
8
10
11
11
12
12
13
13
14
15
16
17
17
18
19
20
21
22
23
24
25
26
27
28
30
31
32
33
34
35
36
37
38
39
40
41
42
43
44
1
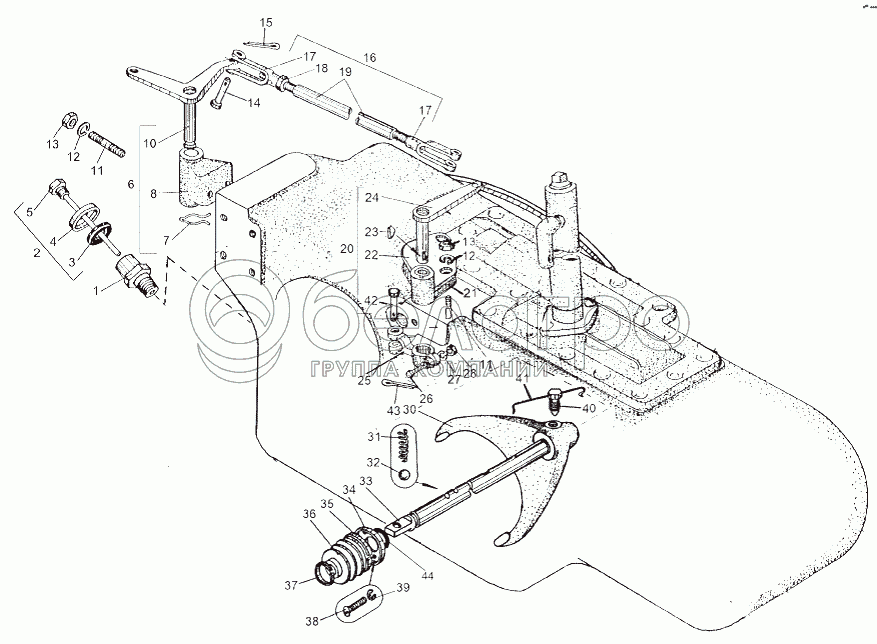
543-1731220-Б
Наконечник
В узле: 1
2
543-1731228-10
Указатель уровня
В узле: 1
3
543-1101044-10
Прокладка линейки
В узле: 1
4
543-1101055
Шайба линейки
В узле: 1
5
543-1731230-10
Указатель
В узле: 1
6
543-1734138-01
Кронштейн с рычагом
В узле: 1
7
200-3504030
Шплинт
В узле: 1
8
543-1734140-10
Кронштейн
В узле: 1
10
543-1734146-10
Рычаг двуплечий
В узле: 1
11
216279
Шпилька М12х28
В узле: 8
12
252137
Шайба 12.ОТ
В узле: 8
13
250515
Гайка М12х1,25-6Н
В узле: 8
14
260058
Палец 10х30
В узле: 2
15
258039
Шплинт 3,2х20
В узле: 2
16
543-1734188
Тяга
В узле: 1
17
200-3508045-А
Вилка тяги
В узле: 2
18
250513
Гайка М10х1-6Н
В узле: 1
19
547А-3508129
Тяга малая
В узле: 1
20
543-1734114-11
Кронштейн с рычагами
В узле: 1
21
543-1731100-11
Прокладка
В узле: 1
22
543-1734118-20
Кронштейн
В узле: 1
23
378060
Шпонка 6х9
В узле: 1
24
543-1734124
Рычаг
В узле: 1
25
543-1734128
Рычаг
В узле: 1
26
200319
Болт М10-6gх50
В узле: 1
27
252136
Шайба 10.ОТ
В узле: 1
28
250512
Гайка М10-6Н
В узле: 1
30
543-1733102
Вилка отключения трансмиссии
В узле: 1
31
200-1702106
Пружина
В узле: 1
32
0000-2402201
Шарик 9.525-100
В узле: 1
33
543-1733025-Б
Шток
В узле: 1
34
537-4202134
Крышка
В узле: 1
35
535А-1803176
Кольцо стяжное
В узле: 1
36
0000-1733701
Чехол Д 4102.17075
В узле: 1
37
535А-1803177
Кольцо стяжное защитного колпака малое
В узле: 1
38
220079
Винт М5-6gх14
В узле: 3
39
252133
Шайба 5Т
В узле: 3
40
535А-1803136
Болт стопорный
В узле: 1
41
258252
Шплинт 1,2х150
В узле: 1
42
260088
Палец 12х3,8
В узле: 1
43
258053
Шплинт 4х25
В узле: 1
44
0000-3515733
Кольцо 020-025-30-2-2
В узле: 1
Содержащиеся в справочниках-каталогах запасные части и детали не предлагаются к продаже, а носят исключительно информационный характер

Ваша заявка была отправлена. В ближайшее время наши специалисты с Вами свяжутся по указанному Вами телефону.

Представьтесь
Поле обязательно для заполнения
Ваш телефон
Введите правильный номер телефона
E-mail
Введите правильный e-mail
Тема
Тема
применяемость финансирование доставка цена, наличие другое сервис и гарантия
Время для звонка
08:00
08:00 09:00 10:00 11:00 12:00 13:00 14:00 15:00 16:00 17:00 18:00 19:00
19:00
08:00 09:00 10:00 11:00 12:00 13:00 14:00 15:00 16:00 17:00 18:00 19:00

Мы постараемся перезвонить в указанное время

Если вы не хотите ждать, то звоните нашим вежливым консультантам:

8 800 100-2-700
Подтвердите, что вы не робот
Подтвердите, что вы не робот
Спасибо!

Ваше сообщение успешно отправлено!

ЗакрытьПовторить попытку