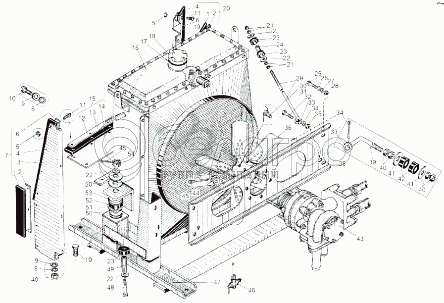
Каталог запасных частей к технике: МАЗ-543 (7310). Установка радиатора гидротрансмиссии 543, 543А

zoom-in zoom-out enlarge shrink circle-right circle-left file-text2 info cart arraw right arraw left zoom out zoom in arraw maximize arraw minimize
1
1
2
2
3
4
4
5
5
6
6
7
8
8
10
10
11
11
12
13
14
15
16
17
18
19
20
21
21
23
23
23
24
25
27
28
29
30
31
32
33
33
34
34
35
36
38
39
40
40
40
42
43
44
45
45
46
47
48
49
50
50
51
52
53
54
1
543-1714648-10
Уплотнитель
В узле: 2
2
543-1714656
Планка
В узле: 2
3
543-1714633
Щиток задний
В узле: 1
4
543-1714647-10
Уплотнитель
В узле: 2
5
250508
Гайка М6-6Н
В узле: 20
6
543-1714655
Планка
В узле: 2
7
543-1714631
Щиток задний
В узле: 1
8
252135
Шайба 8Т
В узле: 12
10
201454
Болт М8-6gх16
В узле: 12
11
220105
Винт М6-6gх16
В узле: 20
12
543-1714657
Планка
В узле: 1
13
543-1714649-10
Уплотнитель
В узле: 1
14
543-1714642
Щиток нижний
В узле: 1
15
543-1714640
Щиток нижний
В узле: 1
16
543-1714410-А
Радиатор
В узле: 1
17
0000-1308788
Кольцо 075-085-58-2-2
В узле: 1
18
543-1304010-01
Клапан редукционный
В узле: 1
19
543-1714632
Щиток передний
В узле: 1
20
543-1714630
Щиток передний
В узле: 1
21
250615
Гайка М12х1,25-6Н
В узле: 8
23
547А-3723402
Подушка
В узле: 6
24
500-1302138
Втулка распорная
В узле: 2
25
201540
Болт М12-6gх30
В узле: 4
27
252137
Шайба 12.ОТ
В узле: 4
28
250514
Гайка М12-6Н
В узле: 4
29
543-1714606
Тяга радиатора
В узле: 2
30
206533
Болт 3М10-6gх18
В узле: 4
31
258283
Шплинт 1,6х225
В узле: 2
32
201499
Болт М10-6gх30
В узле: 2
33
375657
Шайба 10
В узле: 2
34
252136
Шайба 10.ОТ
В узле: 2
35
250512
Гайка М10-6Н
В узле: 2
36
236-1308012-А4
Крыльчатка вентилятора в сборе
В узле: 1
37
258025
Шплинт 2,5х20
В узле: 2
38
543-1714578-10
Балка вентилятора
В узле: 1
39
543-1714603-10
Серьга
В узле: 2
40
250510
Гайка М8-6Н
В узле: 12
42
543-1714384
Подушка
В узле: 4
43
543-1761012
Гидромотор
В узле: 1
44
374548
Гайка М12-5Н6Н
В узле: 6
45
258039
Шплинт 3,2х20
В узле: 8
46
0000-1753070
Кран ПС7
В узле: 1
47
543-1714550-10
Балка радиатора
В узле: 1
48
205158
Болт 2М12х1,25-6gх75
В узле: 2
49
543-1714353
Втулка распорная
В узле: 2
50
537-1302066
Шайба регулировочная
В узле: 8
51
376038
Шайба 16
В узле: 2
52
204-1302060-01
Подушка
В узле: 2
53
204-1302062
Чашка подушки
В узле: 2
54
250977
Гайка М12х1,25-6Н
В узле: 2
Содержащиеся в справочниках-каталогах запасные части и детали не предлагаются к продаже, а носят исключительно информационный характер

Ваша заявка была отправлена. В ближайшее время наши специалисты с Вами свяжутся по указанному Вами телефону.

Представьтесь
Поле обязательно для заполнения
Ваш телефон
Введите правильный номер телефона
E-mail
Введите правильный e-mail
Тема
Тема
применяемость финансирование доставка цена, наличие другое сервис и гарантия
Время для звонка
08:00
08:00 09:00 10:00 11:00 12:00 13:00 14:00 15:00 16:00 17:00 18:00 19:00
19:00
08:00 09:00 10:00 11:00 12:00 13:00 14:00 15:00 16:00 17:00 18:00 19:00

Мы постараемся перезвонить в указанное время

Если вы не хотите ждать, то звоните нашим вежливым консультантам:

8 800 100-2-700
Подтвердите, что вы не робот
Подтвердите, что вы не робот
Спасибо!

Ваше сообщение успешно отправлено!

ЗакрытьПовторить попытку