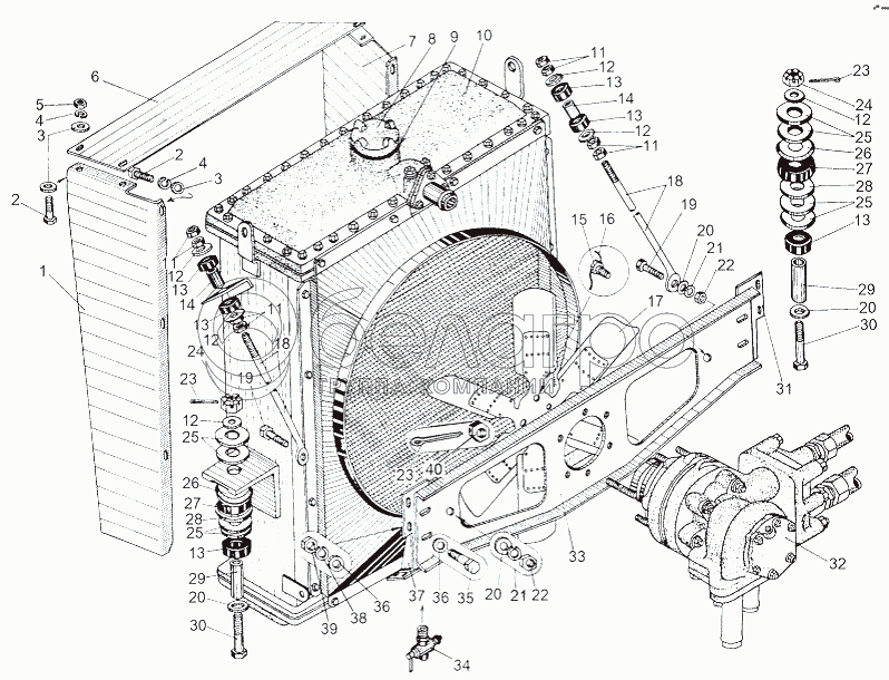
Каталог запасных частей к технике: МАЗ-543 (7310). Установка радиатора гидротрансмиссии 543М

zoom-in zoom-out enlarge shrink circle-right circle-left file-text2 info cart arraw right arraw left zoom out zoom in arraw maximize arraw minimize
1
2
2
3
3
4
4
5
6
7
8
9
10
11
11
11
11
12
12
12
12
12
12
13
13
13
13
13
13
14
14
15
16
17
18
18
19
19
20
20
20
20
21
21
22
22
23
23
23
23
24
24
25
25
25
25
26
26
27
27
28
28
29
29
30
30
31
32
33
34
35
36
36
37
38
39
40
1
543В-1750313
Щиток передний
В узле: 1
2
201456
Болт М8-6gх20
В узле: 9
3
252005
Шайба 8
В узле: 13
4
252135
Шайба 8Т
В узле: 9
5
250510
Гайка М8-6Н
В узле: 4
6
543В-1750322
Щиток передний
В узле: 1
7
543В-1750312
Балка радиатора
В узле: 1
8
543-1304010-01
Клапан редукционный
В узле: 1
9
0000-1308788
Кольцо 075-085-58-2-2
В узле: 1
10
543-1714410-А
Радиатор
В узле: 1
11
250615
Гайка М12х1,25-6Н
В узле: 8
12
252045
Шайба 12
В узле: 8
13
547А-3723402
Подушка
В узле: 6
14
543-1714353
Втулка распорная
В узле: 2
15
206533
Болт 3М10-6gх18
В узле: 4
16
258283
Шплинт 1,6х225
В узле: 2
17
236-1308012-А4
Крыльчатка вентилятора в сборе
В узле: 1
18
543В-1750136
Гайка М6-6Н
В узле: 2
19
201497
Болт М10-6gх25
В узле: 2
20
252006
Шайба 10
В узле: 2
21
252136
Шайба 10.ОТ
В узле: 2
22
250512
Гайка М10-6Н
В узле: 2
23
258039
Шплинт 3,2х20
В узле: 2
23
258039
Шплинт 3,2х20
В узле: 6
24
250977
Гайка М12х1,25-6Н
В узле: 2
25
537-1302066
Шайба регулировочная
В узле: 8
26
204-1302062
Чашка подушки
В узле: 2
27
204-1302060-01
Подушка
В узле: 2
28
376038
Шайба 16
В узле: 2
29
500-1302138
Втулка распорная
В узле: 2
30
205158
Болт 2М12х1,25-6gх75
В узле: 2
31
543М-1758310-10
Болт М6-6gх16
В узле: 1
32
543-1761012
Гидромотор
В узле: 1
33
543М-1758302
Болт М12-6gх30
В узле: 1
34
0000-1753070
Кран ПС7
В узле: 1
35
201542
Болт М12-6gх35
В узле: 8
36
252007
Шайба 12
В узле: 16
37
543М-1758311-10
Болт М10-6gх30
В узле: 1
38
252137
Шайба 12.ОТ
В узле: 8
39
250514
Гайка М12-6Н
В узле: 8
40
374548
Гайка М12-5Н6Н
В узле: 6
Содержащиеся в справочниках-каталогах запасные части и детали не предлагаются к продаже, а носят исключительно информационный характер

Ваша заявка была отправлена. В ближайшее время наши специалисты с Вами свяжутся по указанному Вами телефону.

Представьтесь
Поле обязательно для заполнения
Ваш телефон
Введите правильный номер телефона
E-mail
Введите правильный e-mail
Тема
Тема
применяемость финансирование доставка цена, наличие другое сервис и гарантия
Время для звонка
08:00
08:00 09:00 10:00 11:00 12:00 13:00 14:00 15:00 16:00 17:00 18:00 19:00
19:00
08:00 09:00 10:00 11:00 12:00 13:00 14:00 15:00 16:00 17:00 18:00 19:00

Мы постараемся перезвонить в указанное время

Если вы не хотите ждать, то звоните нашим вежливым консультантам:

8 800 100-2-700
Подтвердите, что вы не робот
Подтвердите, что вы не робот
Спасибо!

Ваше сообщение успешно отправлено!

ЗакрытьПовторить попытку