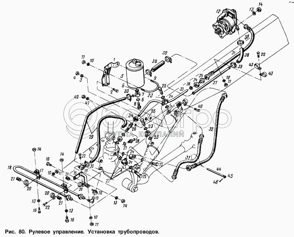
Каталог запасных частей к технике: МАЗ-64221. Рулевое управление. Установка трубопроводов

zoom-in zoom-out enlarge shrink circle-right circle-left file-text2 info cart arraw right arraw left zoom out zoom in arraw maximize arraw minimize
1
2
3
4
5
6
6
7
8
9
10
10
10
10
11
11
11
11
12
13
13
13
13
14
14
14
14
15
16
16
16
17
18
19
19
20
20
20
21
21
21
22
22
22
23
23
23
23
24
24
24
25
25
25
25
26
27
28
29
30
30
30
31
31
32
33
34
34
35
36
37
38
38
39
39
39
40
41
42
43
43
44
45
46
1
64221-3403017
Кронштейн
В узле: 1
2
201585
Болт М14-6gх30
В узле: 2
3
252138
Шайба 14.ОТ
В узле: 2
4
250558
Гайка М14-6Н
В узле: 2
5
64221-3410010
Бак масляный
В узле: 1
6
021-025-25-2-3
Кольцо
В узле: 2
7
5336-3408018
Наконечник
В узле: 1
8
5336-3408031
Болт приводной
В узле: 1
9
5336--3403021
Хомут
В узле: 1
10
252135
Шайба 8Т
В узле: 6
11
250510
Гайка М8-6Н
В узле: 6
12
64221-3408008
Насос
В узле: 1
13
252136
Шайба 10.ОТ
В узле: 8
14
250512
Гайка М10-6Н
В узле: 8
15
64221-3408077
Кронштейн
В узле: 1
16
201496
Болт
В узле: 4
17
64221-3408075
Кронштейн
В узле: 2
18
64221-3408072
Трубка
В узле: 1
19
402752
Угольник
В узле: 2
20
379666
Кляммер
В узле: 3
21
7908-3408130
Втулка
В узле: 4
22
201456
Болт М8-6gх20
В узле: 3
23
018-022-25-2-3
Кольцо
В узле: 10
24
64221-3408016
Наконечник
В узле: 4
25
64221-3408017
Болт приводной
В узле: 4
26
64226-3408031
Болт приводной
В узле: 1
27
017-021-25-2-3
Кольцо
В узле: 1
28
64226-3408035
Штуцер
В узле: 1
29
64221-3408024
Шланг
В узле: 2
30
500-1303160
Хомут
В узле: 4
31
64221-3408011
Шланг
В узле: 2
32
40-4607150А
Шланг
В узле: 1
33
64221-3408062
Трубка
В узле: 1
34
405674
Гайка накидная
В узле: 2
35
404307
Штуцер
В узле: 1
36
379276
Муфта конусная
В узле: 2
37
64221-3408065
Трубка
В узле: 1
38
64221-3408082
Шланг
В узле: 2
39
503-8609026
Хомут
В узле: 4
40
201420
Болт М6-6gх20
В узле: 1
41
252154
Шайба 6Л
В узле: 1
42
250508
Гайка М6-6Н
В узле: 1
43
379661
Кляммер
В узле: 2
44
297588
Лента
В узле: 2
45
297580
Пряжка
В узле: 2
46
297575
Шплинт 5,6х22
В узле: 2
Содержащиеся в справочниках-каталогах запасные части и детали не предлагаются к продаже, а носят исключительно информационный характер

Ваша заявка была отправлена. В ближайшее время наши специалисты с Вами свяжутся по указанному Вами телефону.

Представьтесь
Поле обязательно для заполнения
Ваш телефон
Введите правильный номер телефона
E-mail
Введите правильный e-mail
Тема
Тема
применяемость финансирование доставка цена, наличие другое сервис и гарантия
Время для звонка
08:00
08:00 09:00 10:00 11:00 12:00 13:00 14:00 15:00 16:00 17:00 18:00 19:00
19:00
08:00 09:00 10:00 11:00 12:00 13:00 14:00 15:00 16:00 17:00 18:00 19:00

Мы постараемся перезвонить в указанное время

Если вы не хотите ждать, то звоните нашим вежливым консультантам:

8 800 100-2-700
Подтвердите, что вы не робот
Подтвердите, что вы не робот
Спасибо!

Ваше сообщение успешно отправлено!

ЗакрытьПовторить попытку