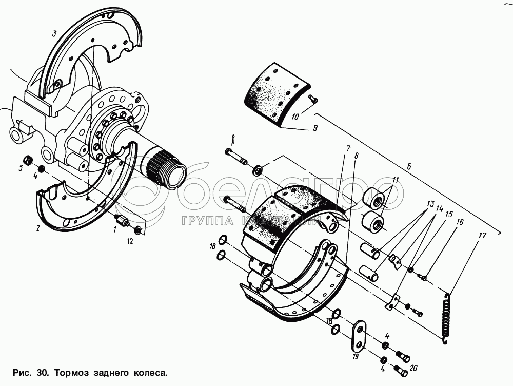
Каталог запасных частей к технике: МАЗ-64221. Тормоз заднего колеса

zoom-in zoom-out enlarge shrink circle-right circle-left file-text2 info cart arraw right arraw left zoom out zoom in arraw maximize arraw minimize
1
2
3
4
4
4
5
6
7
8
9
10
11
12
13
14
15
16
17
18
18
19
20
5336-3501090
Колодка в сборе
В узле: 2
1
5336-3502153
Переходник
В узле: 12
2
64221-3502151
Щит тормоза левый
В узле: 2
3
64221-3502150
Щит тормоза правый
В узле: 2
4
252136
Шайба 10.ОТ
В узле: 16
5
250612
Гайка М10-6Н
В узле: 12
6
5336-3501091
Колодка в сборе
В узле: 2
7
5336-3501092-02
Колодка тормоза
В узле: 2
8
5336-3501095-02
Колодка переднего тормоза
В узле: 2
9
6422-3501105
Накладка тормозная
В узле: 4
10
253928
Заклепка
В узле: 32
11
5336-3501107
Ролик в сборе
В узле: 4
12
252136
Шайба 10.ОТ
В узле: 12
13
5336-3501164
Ось ролика
В узле: 4
14
5336-3501112
Стопор
В узле: 4
15
252135
Шайба 8Т
В узле: 4
16
201452
Болт М8х12
В узле: 4
17
5336-3501034
Пружина колодок тормоза
В узле: 2
18
032-035-19-2-3
Кольцо уплотнительное
В узле: 8
19
5336-3501133
Пластина
В узле: 2
20
201493
Болт М10-6gх16
В узле: 4
Содержащиеся в справочниках-каталогах запасные части и детали не предлагаются к продаже, а носят исключительно информационный характер

Ваша заявка была отправлена. В ближайшее время наши специалисты с Вами свяжутся по указанному Вами телефону.

Представьтесь
Поле обязательно для заполнения
Ваш телефон
Введите правильный номер телефона
E-mail
Введите правильный e-mail
Тема
Тема
применяемость финансирование доставка цена, наличие другое сервис и гарантия
Время для звонка
08:00
08:00 09:00 10:00 11:00 12:00 13:00 14:00 15:00 16:00 17:00 18:00 19:00
19:00
08:00 09:00 10:00 11:00 12:00 13:00 14:00 15:00 16:00 17:00 18:00 19:00

Мы постараемся перезвонить в указанное время

Если вы не хотите ждать, то звоните нашим вежливым консультантам:

8 800 100-2-700
Подтвердите, что вы не робот
Подтвердите, что вы не робот
Спасибо!

Ваше сообщение успешно отправлено!

ЗакрытьПовторить попытку