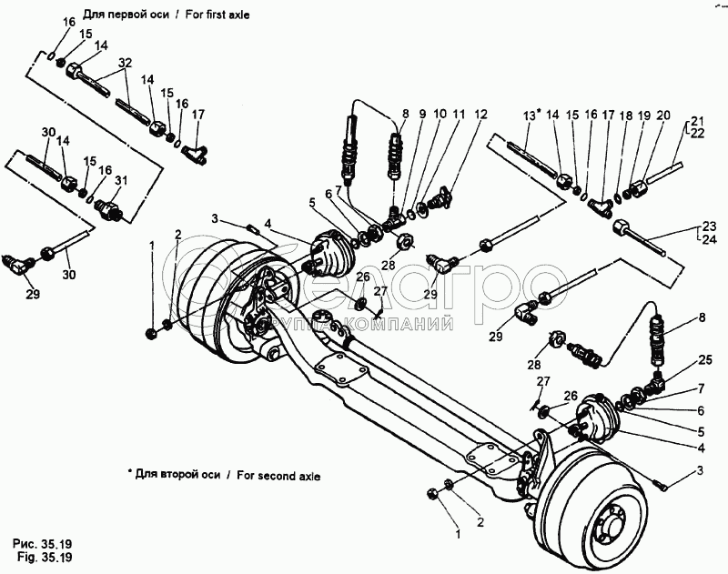
Каталог запасных частей к технике: МЗКТ-65158. Крепление передних тормозных камер и трубопроводов

zoom-in zoom-out enlarge shrink circle-right circle-left file-text2 info cart arraw right arraw left zoom out zoom in arraw maximize arraw minimize
1
2
3
4
5
6
7
8
9
10
11
12
13
14
15
16
17
18
19
20
21
22
23
24
25
26
27
28
29
30
31
32
1
250561
Гайка М16х1,5-6Н
В узле: 8
2
252139
Шайба 16 ОТ
В узле: 8
3
260089
Палец 12х40
В узле: 4
4
100-3519210-01
Камера тормозная
В узле: 4
5
0000-1308725
Кольцо 014-018-25-2-2
В узле: 4
6
375960
Шайба 16
В узле: 4
7
250636
Гайка М16х1,5-6Н
В узле: 4
8
6923-3506114
Шланг
В узле: 4
9
403068
Тройник
В узле: 2
10
0000-3515733
Кольцо 020-025-30-2-2
В узле: 2
11
376145
Шайба 22
В узле: 2
12
13-3515310-10
Клапан контрольного вывода
В узле: 2
13
69237-3506238
Трубопровод L=1800 мм
В узле: 1
14
405641
Гайка накидная 10
В узле: 10
15
379254
Муфта 10
В узле: 10
16
0000-3506717
Кольцо 008-011-19-2-2
В узле: 10
17
403112
Тройник
В узле: 2
18
0000-1602722
Кольцо 012-016-25-2-2
В узле: 2
19
379256
Муфта 15
В узле: 2
20
405674
Гайка накидная 1-15
В узле: 2
21
69237-3506225
Трубопровод L=1100 мм
В узле: 1
22
69237-3506236
Трубопровод L=1800 мм
В узле: 1
23
69237-3506233
Трубопровод L=1950 мм
В узле: 1
24
69237-3506237
Трубопровод L=1000 мм
В узле: 1
25
402769
Угольник
В узле: 2
26
252007
Шайба 12
В узле: 4
27
258053
Шплинт 4х25
В узле: 4
28
250640
Гайка М20х1,5-6Н
В узле: 4
29
200-3506078-Б
Ниппель
В узле: 4
30
69237-3506232
Трубопровод L=1150 мм
В узле: 1
31
379002
Ниппель
В узле: 2
32
69237-3506228
Трубопровод L=2000 мм
В узле: 1
Содержащиеся в справочниках-каталогах запасные части и детали не предлагаются к продаже, а носят исключительно информационный характер

Ваша заявка была отправлена. В ближайшее время наши специалисты с Вами свяжутся по указанному Вами телефону.

Представьтесь
Поле обязательно для заполнения
Ваш телефон
Введите правильный номер телефона
E-mail
Введите правильный e-mail
Тема
Тема
применяемость финансирование доставка цена, наличие другое сервис и гарантия
Время для звонка
08:00
08:00 09:00 10:00 11:00 12:00 13:00 14:00 15:00 16:00 17:00 18:00 19:00
19:00
08:00 09:00 10:00 11:00 12:00 13:00 14:00 15:00 16:00 17:00 18:00 19:00

Мы постараемся перезвонить в указанное время

Если вы не хотите ждать, то звоните нашим вежливым консультантам:

8 800 100-2-700
Подтвердите, что вы не робот
Подтвердите, что вы не робот
Спасибо!

Ваше сообщение успешно отправлено!

ЗакрытьПовторить попытку