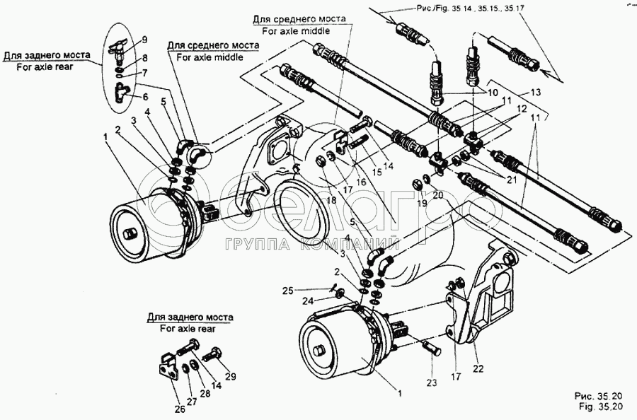
Каталог запасных частей к технике: МЗКТ-65158. Крепление задних тормозных камер и шлангов

zoom-in zoom-out enlarge shrink circle-right circle-left file-text2 info cart arraw right arraw left zoom out zoom in arraw maximize arraw minimize
1
2
3
4
5
6
7
8
9
10
11
12
13
14
15
16
17
17
18
19
20
21
22
23
24
25
26
27
28
29
1
24-3519200
Камера тормозная
В узле: 4
2
0000-1308725
Кольцо 014-018-25-2-2
В узле: 8
3
375960
Шайба 16
В узле: 8
4
250636
Гайка М16х1,5-6Н
В узле: 8
5
402769
Угольник
В узле: 7
6
403068
Тройник
В узле: 1
7
0000-3515733
Кольцо 020-025-30-2-2
В узле: 1
8
376145
Шайба 22
В узле: 1
9
13-3515310-10
Клапан контрольного вывода
В узле: 1
10
6923-3506720
Шланг
В узле: 1
11
6923-3506114
Шланг
В узле: 2
12
5335-3506293
Соединитель
В узле: 1
13
6923-3506090
Шланги с соединителем
В узле: 4
14
201509
Болт М10-6gх60
В узле: 2
15
373282
Шпилька М16х40
В узле: 1
16
6923-3506082
Кронштейн
В узле: 1
17
252139
Шайба 16 ОТ
В узле: 1
17
252139
Шайба 16 ОТ
В узле: 8
18
374635
Гайка М16х1,5-6Н
В узле: 1
19
250512
Гайка М10-6Н
В узле: 2
20
252136
Шайба 10 ОТ
В узле: 2
21
500-5001083
Втулка распорная
В узле: 4
22
250561
Гайка М16х1,5-6Н
В узле: 8
23
260089
Палец 12х40
В узле: 4
24
252007
Шайба 12
В узле: 4
25
258053
Шплинт 4х25
В узле: 4
26
6923-3506020
Кронштейн
В узле: 1
27
252156
Шайба 10Л
В узле: 2
28
252006
Шайба 10
В узле: 2
29
201493
Болт М10-6gх16
В узле: 2
Содержащиеся в справочниках-каталогах запасные части и детали не предлагаются к продаже, а носят исключительно информационный характер

Ваша заявка была отправлена. В ближайшее время наши специалисты с Вами свяжутся по указанному Вами телефону.

Представьтесь
Поле обязательно для заполнения
Ваш телефон
Введите правильный номер телефона
E-mail
Введите правильный e-mail
Тема
Тема
применяемость финансирование доставка цена, наличие другое сервис и гарантия
Время для звонка
08:00
08:00 09:00 10:00 11:00 12:00 13:00 14:00 15:00 16:00 17:00 18:00 19:00
19:00
08:00 09:00 10:00 11:00 12:00 13:00 14:00 15:00 16:00 17:00 18:00 19:00

Мы постараемся перезвонить в указанное время

Если вы не хотите ждать, то звоните нашим вежливым консультантам:

8 800 100-2-700
Подтвердите, что вы не робот
Подтвердите, что вы не робот
Спасибо!

Ваше сообщение успешно отправлено!

ЗакрытьПовторить попытку