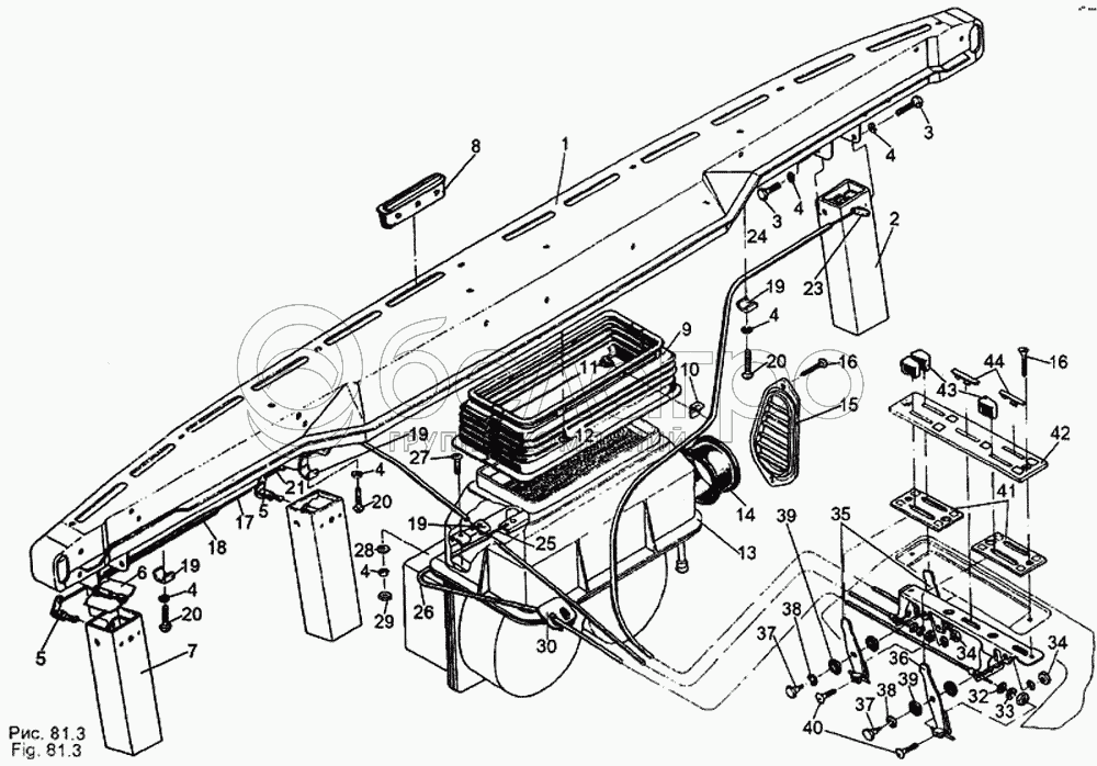
Каталог запасных частей к технике: МЗКТ-65158. Установка воздушных заслонок и отопителя кабины

zoom-in zoom-out enlarge shrink circle-right circle-left file-text2 info cart arraw right arraw left zoom out zoom in arraw maximize arraw minimize
1
2
3
3
4
4
4
4
4
4
5
5
6
7
8
9
10
11
12
13
14
15
16
16
17
18
19
19
19
19
20
20
20
21
23
24
25
26
27
28
29
30
32
33
34
34
35
36
37
37
38
38
39
39
40
41
42
43
44
1
64229-8102594
Воздуховод
В узле: 1
2
64221-8102537
Патрубок
В узле: 3
3
201416
Болт М6-6gх12
В узле: 6
4
252154
Шайба 6Л
В узле: 11
5
64221-8102376
Рычаг
В узле: 3
6
64221-8102545
Заслонка
В узле: 3
7
64221-8102614
Патрубок
В узле: 3
8
64221-8102034
Сопло малое
В узле: 12
9
64221-8102320
Патрубок соединительный
В узле: 1
10
64221-8101350
Кронштейн
В узле: 4
11
5336-8102538
Кнопка
В узле: 4
12
240818
Винт 4х12
В узле: 4
13
64221-8101010
Отопитель
В узле: 1
14
64221-8102375
Переходник
В узле: 1
15
64221-8102368
Патрубок большой
В узле: 1
16
221608
Винт М6-6gх22
В узле: 4
17
64221-8109132
Тяга крайняя
В узле: 1
18
64221-8109143
Оболочка крайняя
В узле: 1
19
64221-8109044
Прижим
В узле: 5
20
220105
Винт М6-6gх16
В узле: 3
21
64229-8109125
Тяга левая
В узле: 1
22
64229-8109135
Оболочка левая
В узле: 1
23
64229-8109124
Тяга правая
В узле: 1
24
64229-8109134
Оболочка правая
В узле: 1
25
64221-8109128-10
Тяга средняя
В узле: 1
26
64221-8109138
Оболочка средняя
В узле: 1
27
4594421320
Винт 3М6-6gх25
В узле: 2
28
252004
Шайба 6
В узле: 2
29
250508
Гайка М6-6Н
В узле: 2
30
64221-8109152
Направляющая
В узле: 1
31
64229-8109014
Основание кронштейна
В узле: 1
32
252005
Шайба 8
В узле: 6
33
252155
Шайба 8Л
В узле: 6
34
250510
Гайка М8х1-6Н
В узле: 1
35
64221-8109020
Рычаг
В узле: 2
36
64221-8109036
Рычаг
В узле: 1
37
64221-8109026
Ось
В узле: 3
38
252156
Шайба 10Л
В узле: 3
39
5336-8109032
Шайба
В узле: 6
40
220076
Винт М5-6gх8
В узле: 3
41
64229-8109068
Световод
В узле: 2
42
64229-8109027
Накладка
В узле: 1
43
64221-8109048
Рукоятка
В узле: 3
44
64221-8109168
Заглушка
В узле: 2
Содержащиеся в справочниках-каталогах запасные части и детали не предлагаются к продаже, а носят исключительно информационный характер

Ваша заявка была отправлена. В ближайшее время наши специалисты с Вами свяжутся по указанному Вами телефону.

Представьтесь
Поле обязательно для заполнения
Ваш телефон
Введите правильный номер телефона
E-mail
Введите правильный e-mail
Тема
Тема
применяемость финансирование доставка цена, наличие другое сервис и гарантия
Время для звонка
08:00
08:00 09:00 10:00 11:00 12:00 13:00 14:00 15:00 16:00 17:00 18:00 19:00
19:00
08:00 09:00 10:00 11:00 12:00 13:00 14:00 15:00 16:00 17:00 18:00 19:00

Мы постараемся перезвонить в указанное время

Если вы не хотите ждать, то звоните нашим вежливым консультантам:

8 800 100-2-700
Подтвердите, что вы не робот
Подтвердите, что вы не робот
Спасибо!

Ваше сообщение успешно отправлено!

ЗакрытьПовторить попытку