Каталог запасных частей к технике: МЗКТ-79092. Детали коробки передач

zoom-in zoom-out enlarge shrink circle-right circle-left file-text2 info cart arraw right arraw left zoom out zoom in arraw maximize arraw minimize
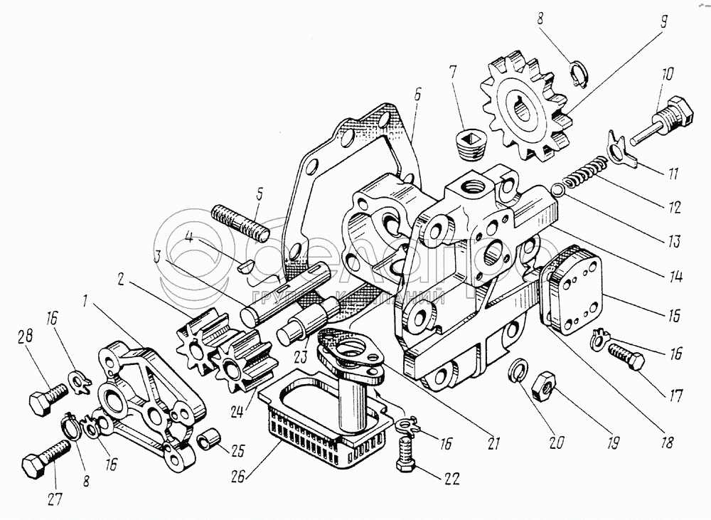
1
2
3
4
4
5
6
7
8
8
9
10
10
11
12
13
14
15
16
16
16
16
17
18
20
21
22
22
23
24
25
26
27
28
202-1704064-10
Панель
В узле: 1
202-1701047-30
Вал промежуточный
В узле: 1
201-1704028
Шестерня ведущая
В узле: 1
262532
Пробка КГ 1/4"
В узле: 2
1
202-1704088
Крышка
В узле: 1
2
201-1704030
Шестерня
В узле: 1
3
201-1704042
Валик
В узле: 1
4
314031
Шпонка 3х5
В узле: 1
4
314031
Шпонка 3х5
В узле: 1
5
216553
Шпилька М10х25
В узле: 25
6
201-1704017
Прокладка
В узле: 1
7
262518
Пробка К 3/8"
В узле: 4
8
201-1704077
Кольцо Б16
В узле: 2
9
202-1704142
Шестерня привода
В узле: 1
10
236-1704026
Пробка клапана
В узле: 1
10
216553
Шпилька М10х25
В узле: 25
11
312219
Шайба 14
В узле: 1
12
201-1704027
Пружина клапана
В узле: 1
13
0000-2402201
Шарик 9.525-100
В узле: 1
14
201-1704013
Корпус
В узле: 1
15
201-1704064
Крышка корпуса
В узле: 1
16
312211
Шайба 8
В узле: 10
17
201466
Болт М8-6Нх25
В узле: 4
18
201-1704066
Прокладка панели
В узле: 1
20
252136
Шайба 10 ОТ
В узле: 7
21
201-1704108
Прокладка заборника
В узле: 1
22
201456
Болт М8-6gх20
В узле: 2
22
252136
Шайба 10 ОТ
В узле: 7
23
201-1704025
Ось ведомой шестерни
В узле: 1
24
201-1704033
Шестерня ведомая
В узле: 1
25
201-1704116
Втулка установочная
В узле: 2
26
201-1704100
Заборник
В узле: 1
27
201464
Болт М8-6gх40
В узле: 2
28
201460
Болт М8-6gх30
В узле: 2
Содержащиеся в справочниках-каталогах запасные части и детали не предлагаются к продаже, а носят исключительно информационный характер

Ваша заявка была отправлена. В ближайшее время наши специалисты с Вами свяжутся по указанному Вами телефону.

Представьтесь
Поле обязательно для заполнения
Ваш телефон
Введите правильный номер телефона
E-mail
Введите правильный e-mail
Тема
Тема
применяемость финансирование доставка цена, наличие другое сервис и гарантия
Время для звонка
08:00
08:00 09:00 10:00 11:00 12:00 13:00 14:00 15:00 16:00 17:00 18:00 19:00
19:00
08:00 09:00 10:00 11:00 12:00 13:00 14:00 15:00 16:00 17:00 18:00 19:00

Мы постараемся перезвонить в указанное время

Если вы не хотите ждать, то звоните нашим вежливым консультантам:

8 800 100-2-700
Подтвердите, что вы не робот
Подтвердите, что вы не робот
Спасибо!

Ваше сообщение успешно отправлено!

ЗакрытьПовторить попытку