Каталог запасных частей к технике: МЗКТ-79092. Детали коробки передач

zoom-in zoom-out enlarge shrink circle-right circle-left file-text2 info cart arraw right arraw left zoom out zoom in arraw maximize arraw minimize
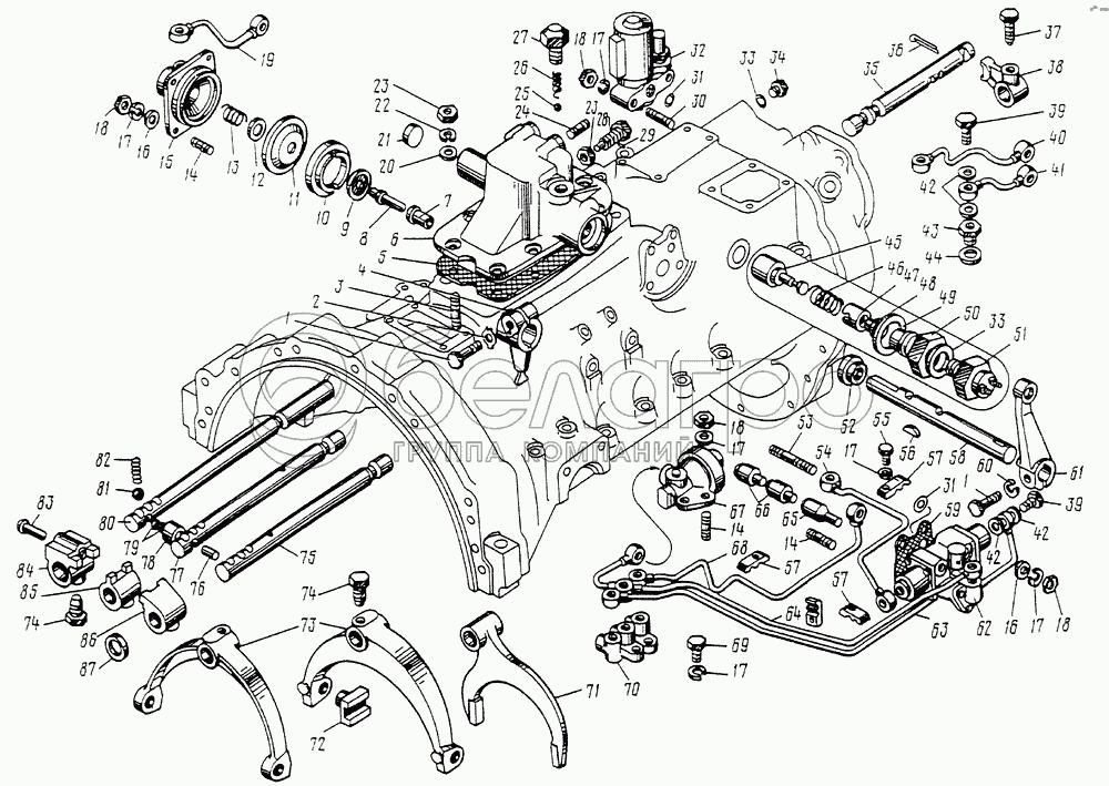
1
2
3
4
5
6
9
10
11
12
13
14
14
14
15
16
16
17
17
17
17
17
17
18
18
18
18
19
19
20
21
23
23
24
25
26
27
28
29
30
31
31
32
33
33
34
34
35
36
37
38
39
39
40
41
42
42
42
43
44
45
46
47
48
49
50
51
52
53
54
55
56
57
57
57
58
59
60
61
62
63
64
65
66
67
68
69
70
71
72
73
74
74
75
76
77
78
79
80
81
82
83
84
85
86
87
200221
Болт М6-6gх60
В узле: 4
238-1723280
Ввертыш
В узле: 1
201-1723418
Втулка толкательная
В узле: 1
201-1708218
Диафрагма
В узле: 1
313883
Заглушка
В узле: 1
201-1708210
Клапан
В узле: 1
238Н-1723103
Клапан
В узле: 1
201-1708208
Клапан блокировки
В узле: 1
238Н-1723102
Колпак
В узле: 1
201-1723015
Корпус
В узле: 1
201-1702206
Корпус
В узле: 1
201-1708214
Корпус
В узле: 1
238Н-1723101
Корпус
В узле: 1
201-1708212
Корпус со штифтом
В узле: 1
201-1708216
Крышка
В узле: 1
201-1702200
Опора рычага
В узле: 1
201-1723339
Поводок
В узле: 1
316127
Пробка М10х1
В узле: 1
201-1708228
Прокладка
В узле: 1
312326
Прокладка 14х19х1,5
В узле: 1
238Н-1723105
Пружина
В узле: 1
201-1708224
Пружина
В узле: 1
238Н-1723100
Сапун
В узле: 1
202-1702088
Стакан пружины
В узле: 3
202-3904020-04
Табличка заводская
В узле: 1
238Н-1723104
Шайба
В узле: 1
252134
Шайба 6Т
В узле: 4
0000-2402201
Шарик 9.525-100
В узле: 2
216553
Шпилька М10х25
В узле: 8
310445
Шпилька М12
В узле: 7
216666
Шпилька М16х45
В узле: 4
258250
Шплинт 1,2х100
В узле: 5
258253
Шплинт 1,2х175
В узле: 1
258252
Шплинт 1,2х150
В узле: 1
313407
Штифт 10х25
В узле: 2
313404
Штифт 5х12
В узле: 1
313464
Штифт установочный
В узле: 2
201-1708220
Шток
В узле: 1
1502.3747
Электромагнит
В узле: 1
1
310026
Болт М12х1,25
В узле: 2
1
201-1723416
Толкатель
В узле: 1
2
312213
Шайба 12
В узле: 1
3
216556
Шпилька М10х32
В узле: 7
4
201-1702222
Рычаг переключения передач
В узле: 1
5
201-1702122
Прокладка опоры
В узле: 1
6
201-1702209
Корпус
В узле: 1
9
201-1723428
Тарелка диафрагмы
В узле: 1
10
201-1723426
Седло диафрагмы
В узле: 1
11
201-1723424
Диафрагма
В узле: 1
12
201-1723422
Шайба пружины
В узле: 1
13
201-1723420
Пружина толкательная
В узле: 1
14
216527
Шпилька М8х25
В узле: 12
15
201-1723412
Корпус блокировочного устройства
В узле: 1
16
252005
Шайба 8
В узле: 8
17
252135
Шайба 8Т
В узле: 8
18
250511
Гайка М8х1-6Н
В узле: 8
19
201-1723162
Воздухопровод
В узле: 1
19
250517
Гайка М10х1,25-6Н.6.016
В узле: 23
20
252006
Шайба 10
В узле: 7
21
313934
Заглушка 28
В узле: 1
23
250517
Гайка М10х1,25-6Н.6.016
В узле: 1
23
250517
Гайка М10х1,25-6Н.6.016
В узле: 23
24
216523
Шпилька М8х1,25
В узле: 2
25
БУФ12.7ММ
Шарик
В узле: 1
26
236-1702106
Пружина
В узле: 1
27
236-1702235
Стакан пружины
В узле: 1
28
310041
Болт установочный
В узле: 1
29
316156
Пробка
В узле: 1
30
216533
Шпилька М8х40
В узле: 2
31
0000-1708804
Кольцо 013-018-30-2-1
В узле: 2
32
201-1708200
Клапан блокировки
В узле: 1
33
312333
Прокладка 16х25х2
В узле: 2
33
312333
Прокладка 16х25х2
В узле: 1
34
316172
Пробка М16х1,5
В узле: 1
34
201-1704117
Пробка сливного отверстия
В узле: 1
35
201-1723342
Шток
В узле: 1
36
258041
Шплинт 3,2х32
В узле: 1
37
310030
Болт М12х1,25-6gх45
В узле: 1
38
201-1723343
Поводок
В узле: 1
39
310122
Болт М10х1-6gх21
В узле: 15
40
201-1723082
Воздухопровод
В узле: 1
41
201-1723081
Воздухопровод
В узле: 1
42
312434
Прокладка 10
В узле: 30
43
238-1723280
Ввертыш
В узле: 5
44
312326
Прокладка 14х19х1,5
В узле: 5
45
201-1702286
Толкатель
В узле: 2
46
210-1601097-Б
Пружина
В узле: 2
47
201-1702292
Ограничитель
В узле: 2
48
201-1702294
Сухарь
В узле: 2
49
312768
Прокладка 10
В узле: 2
50
316614
Ввертыш М16х24
В узле: 2
51
ВК418А-3716000
Выключатель ВК-418А
В узле: 2
52
201-1702276
Манжета
В узле: 1
53
216539
Шпилька М8х60
В узле: 2
54
201-1723350
Воздухопровод
В узле: 1
55
201462
Болт М8
В узле: 4
56
45 9824 6265
Шпонка 5х10
В узле: 2
57
201-1723432
Скоба
В узле: 8
58
201-1702221
Валик переключения передач
В узле: 1
59
201-1723048
Прокладка
В узле: 1
60
252137
Шайба 12 ОТ
В узле: 1
61
201-1702229-10
Рычаг валика
В узле: 1
62
201-1723010
Воздухораспределитель
В узле: 1
63
201-1723360
Воздухопровод
В узле: 1
64
201-1723110
Воздухопровод
В узле: 1
65
201-1723344
Сухарь
В узле: 1
66
201-1723044
Сухарь
В узле: 2
67
201-1723080
Клапан редукционный
В узле: 1
68
201-1723366
Воздухопровод
В узле: 1
69
201458
Болт М8-6gх25
В узле: 2
70
201-1723382
Колодка распределительная
В узле: 1
71
202-1702024
Вилка
В узле: 1
72
202-1702035
Сухарь вилки
В узле: 4
73
202-1702027
Вилка
В узле: 2
74
201-1702047
Винт установочный
В узле: 6
75
202-1702074
Шток
В узле: 1
76
313469
Штифт 5х18.5
В узле: 1
77
202-1702064
Шток
В узле: 1
78
201-1702090
Втулка
В узле: 2
79
0000-1701202
Шарик Б 11,906-60
В узле: 4
80
202-1702060
Шток вилки
В узле: 1
81
0000-1702201
Шарик Б 11,000-200
В узле: 3
82
202-1702106
Пружина
В узле: 3
83
201-1702129
Предохранитель
В узле: 1
84
201-1702053
Головка штока
В узле: 1
85
201-1702028
Головка штока
В узле: 1
86
201-1702076
Головка штока
В узле: 1
87
313944
Заглушка
В узле: 4
Содержащиеся в справочниках-каталогах запасные части и детали не предлагаются к продаже, а носят исключительно информационный характер

Ваша заявка была отправлена. В ближайшее время наши специалисты с Вами свяжутся по указанному Вами телефону.

Представьтесь
Поле обязательно для заполнения
Ваш телефон
Введите правильный номер телефона
E-mail
Введите правильный e-mail
Тема
Тема
применяемость финансирование доставка цена, наличие другое сервис и гарантия
Время для звонка
08:00
08:00 09:00 10:00 11:00 12:00 13:00 14:00 15:00 16:00 17:00 18:00 19:00
19:00
08:00 09:00 10:00 11:00 12:00 13:00 14:00 15:00 16:00 17:00 18:00 19:00

Мы постараемся перезвонить в указанное время

Если вы не хотите ждать, то звоните нашим вежливым консультантам:

8 800 100-2-700
Подтвердите, что вы не робот
Подтвердите, что вы не робот
Спасибо!

Ваше сообщение успешно отправлено!

ЗакрытьПовторить попытку