Каталог запасных частей к технике: МЗКТ-79092. Кран топливораспределительный

zoom-in zoom-out enlarge shrink circle-right circle-left file-text2 info cart arraw right arraw left zoom out zoom in arraw maximize arraw minimize
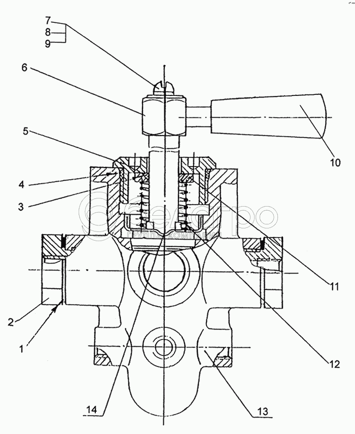
1
2
3
4
5
6
7
8
9
10
11
12
13
14
79092-1300005
Установка радиатора
В узле: 1
79092-1300020
Установка расширительного бачка
В узле: 1
79092-1300010
Установка трубопроводов системы охлаждения
В узле: 1
79092-1300000
Система охлаждения двигателя
В узле: 1
1
543-3506013
Прокладка 12М3
В узле: 6
2
543-1104224
Болт поворотного угольника
В узле: 2
3
0000-2402726
Кольцо 016-020-25-2-2
В узле: 1
4
0000-1116763
Кольцо 043-047-25-2-2
В узле: 1
5
543-1116054-10
Гайка топливораспределительного крана
В узле: 1
6
543-1116060
Рукоятка
В узле: 1
7
220105
Винт М6-6gх16
В узле: 1
8
252037
Шайба 6
В узле: 1
9
252134
Шайба 6Т
В узле: 1
10
503Л-8606275
Ручка
В узле: 1
11
543-1116042
Тарелка
В узле: 1
12
537-2402442-Б
Пружина
В узле: 1
13
543-1116012-10
Корпус с пробкой
В узле: 1
14
543-1116034
Защелка крана
В узле: 1
Содержащиеся в справочниках-каталогах запасные части и детали не предлагаются к продаже, а носят исключительно информационный характер

Ваша заявка была отправлена. В ближайшее время наши специалисты с Вами свяжутся по указанному Вами телефону.

Представьтесь
Поле обязательно для заполнения
Ваш телефон
Введите правильный номер телефона
E-mail
Введите правильный e-mail
Тема
Тема
применяемость финансирование доставка цена, наличие другое сервис и гарантия
Время для звонка
08:00
08:00 09:00 10:00 11:00 12:00 13:00 14:00 15:00 16:00 17:00 18:00 19:00
19:00
08:00 09:00 10:00 11:00 12:00 13:00 14:00 15:00 16:00 17:00 18:00 19:00

Мы постараемся перезвонить в указанное время

Если вы не хотите ждать, то звоните нашим вежливым консультантам:

8 800 100-2-700
Подтвердите, что вы не робот
Подтвердите, что вы не робот
Спасибо!

Ваше сообщение успешно отправлено!

ЗакрытьПовторить попытку