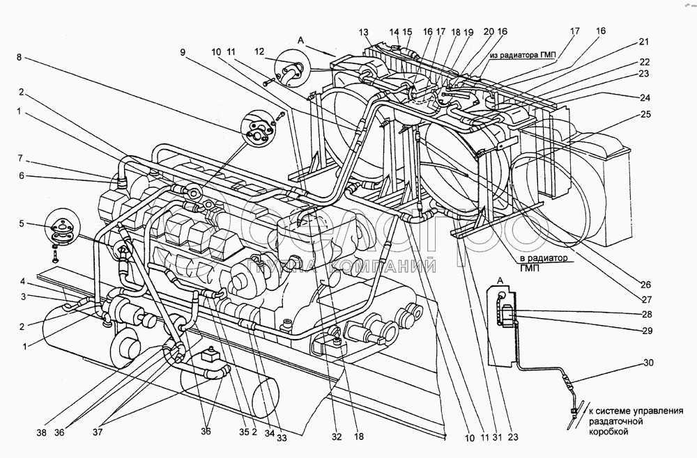
Каталог запасных частей к технике: МЗКТ-79092. Система охлаждения двигателя. Фильтр грубой очистки воздуха

zoom-in zoom-out enlarge shrink circle-right circle-left file-text2 info cart arraw right arraw left zoom out zoom in arraw maximize arraw minimize
1
1
2
2
2
3
4
4
5
6
7
8
9
10
10
11
11
12
13
14
15
16
16
16
17
17
18
18
19
20
21
22
23
23
24
25
27
28
29
30
31
32
33
34
35
36
36
37
38
256Б-1304010
Пробка
В узле: 1
547А-1303698-01
Болт поворотного угольника
В узле: 2
79092-1300032
Установка клапана редукционного
В узле: 1
79092-1301011
Радиатор
В узле: 1
543-3506222
Прокладка резиновая
В узле: 1
543-3506226-А
Прокладка резиновая Д4101.545
В узле: 12
79092-1301010
Радиатор
В узле: 1
1
543-1015186
Прокладка
В узле: 1
2
547А-1015390
Кран отключения подогревателя
В узле: 1
3
0000-1015105
Подогреватель ПЖД600И
В узле: 1
4
379921
Хомут 18
В узле: 14
4
379921
Хомут 18
В узле: 9
5
543-1303239
Шланг 10
В узле: 1
6
64229-1303506
Хомут
В узле: 2
7
547А-1303374
Рукав
В узле: 1
8
0000-1716759
Кольцо 039-045-36-2-2
В узле: 4
9
64221-1303570
Хомут
В узле: 4
10
543-1303010
Рукав Ф70
В узле: 2
11
79092-1302060
Подушка радиатора
В узле: 2
12
547А-1303520
Хомут
В узле: 4
13
79092-1303051
Рукав
В узле: 2
14
64229-1303650
Хомут
В узле: 2
15
64221-1303168
Шланг
В узле: 1
16
79092-1301008
Радиатор
В узле: 1
17
79092-1309052
Уплотнитель кожуха
В узле: 1
18
314802
Муфта конусная 10
В узле: 4
19
0000-1303773
Кольцо 052-058-36-2-2
В узле: 1
20
6422-1304084
Прокладка
В узле: 1
21
6422-1303172
Рукав Ф32
В узле: 1
22
64229-1303506
Хомут
В узле: 2
23
79092-1311010
Бачок расширительный
В узле: 1
24
79092-1303206
Рукав
В узле: ---
25
79092-1303202
Рукав
В узле: 1
27
79092-1303091
Рукав Ф42
В узле: 2
28
79092-1303198
Рукав
В узле: 1
29
7911-8042051
Шланг
В узле: 1
30
543-1303036-01
Хомут
В узле: 2
31
79092-1303245
Прокладка
В узле: 1
32
7909-1015088
Прокладка
В узле: 6
33
79092-1303048
Прокладка
В узле: 1
34
79092-1303084
Прокладка
В узле: 1
35
7413-1015321
Рукав Ф32
В узле: 2
36
79092-1015322
Рукав Ф10
В узле: 2
37
0000-8101010
Кран ВС-11
В узле: 1
38
543-1015189
Прокладка
В узле: 1
39
547А-1305042
Кольцо
В узле: 2
40
535А-1104237
Прокладка
В узле: 4
41
64227-1311024
Шланг
В узле: 1
42
543-1714384
Подушка
В узле: 1
43
79092-1015230
Лист защитный левый
В узле: 1
44
79092-1015232
Лист защитный
В узле: 1
Содержащиеся в справочниках-каталогах запасные части и детали не предлагаются к продаже, а носят исключительно информационный характер

Ваша заявка была отправлена. В ближайшее время наши специалисты с Вами свяжутся по указанному Вами телефону.

Представьтесь
Поле обязательно для заполнения
Ваш телефон
Введите правильный номер телефона
E-mail
Введите правильный e-mail
Тема
Тема
применяемость финансирование доставка цена, наличие другое сервис и гарантия
Время для звонка
08:00
08:00 09:00 10:00 11:00 12:00 13:00 14:00 15:00 16:00 17:00 18:00 19:00
19:00
08:00 09:00 10:00 11:00 12:00 13:00 14:00 15:00 16:00 17:00 18:00 19:00

Мы постараемся перезвонить в указанное время

Если вы не хотите ждать, то звоните нашим вежливым консультантам:

8 800 100-2-700
Подтвердите, что вы не робот
Подтвердите, что вы не робот
Спасибо!

Ваше сообщение успешно отправлено!

ЗакрытьПовторить попытку