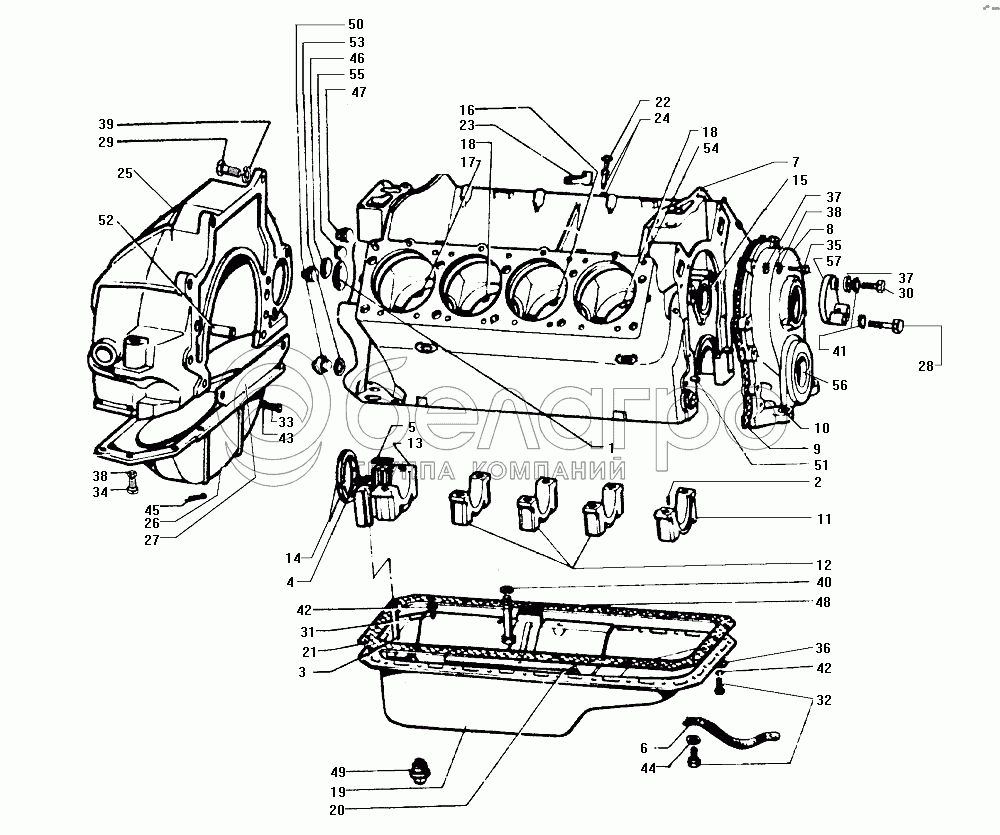
Каталог запасных частей к технике: ЗИЛ-130. Блок цилиндров двигателя

zoom-in zoom-out enlarge shrink circle-right circle-left file-text2 info cart arraw right arraw left zoom out zoom in arraw maximize arraw minimize
1
2
3
4
5
6
7
8
9
10
11
12
13
14
15
16
17
18
18
19
20
21
22
23
24
25
26
27
28
29
30
31
32
33
34
35
36
38
38
39
40
42
42
43
44
45
46
47
48
49
50
51
52
53
54
55
56
57
130-1002010-Б
Блок цилиндров в сборе
В узле: 1
130-1002006-Б
Блок цилиндров с картером сцепления в сборе
В узле: 1
305779-П29
Шайба
В узле: 1
300036-П29
Штуцер указателя уровня масла
В узле: 1
201454-П29
Болт
В узле: 12
200371-П8
Болт
В узле: 1
130-1009011-А
Картер масляный с пробкой в сборе
В узле: 1
130-1002209-Б
Заглушка масляного канала
В узле: 1
130-1002013-Б
Блок цилиндров с крышками коренных подшипников и втулками в сборе
В узле: 1
130-1010037-Б
Прокладка фланца трубки маслоприемника
В узле: 2
1
110-1002017
Заглушка блока цилиндров
В узле: 1
2
110-1005062
Штифт установочный
В узле: 1
3
111-1005156
Уплотнитель заднего подшипника коленчатого вала боковой
В узле: 1
4
111-1005166
Прокладка крышки заднего коренного подшипника правая
В узле: 1
5
111-1005167
Прокладка крышки заднего коренного подшипника левая
В узле: 1
6
120-3724421
Перемычка массы от двигателя к кабине
В узле: 2
7
130-1002015-Б
Блок цилиндров
В узле: 1
8
130-1002058-Б
Крышка распределительных шестерен с манжетой в сборе
В узле: 1
8
130-1002060-Б
Крышка распределительных шестерен
В узле: 1
9
130-1002064
Прокладка крышки распределительных шестерен
В узле: 1
10
130-1002073-А
Втулка крышки распределительных шестерен
В узле: 1
11
130-1005140-А
Крышка переднего коренного подшипника коленчатого вала
В узле: 1
12
130-1005143-А
Крышка промежуточного коренного подшипника коленчатого вала
В узле: 1
13
130-1005152-А
Крышка заднего коренного подшипника коленчатого вала
В узле: 1
14
130-1005154
Набивка сальника заднего коренного подшипника коленчатого вала
В узле: 1
15
130-1006024
Втулка передней шейки распределительного вала
В узле: 1
16
130-1006025-А
Втулка средней шейки распределительного вала
В узле: 1
17
130-1006026
Втулка задней шейки распределительного вала
В узле: 1
18
130-1006027
Втулка промежуточных шеек распределительного вала
В узле: 2
19
130-1009015-А2
Картер масляный
В узле: 1
20
130-1009020
Перегородка
В узле: 1
21
130-1009040
Прокладка масляного картера 0,8 мм
В узле: 1
22
130-1009050-А3
Указатель уровня масла двигателя
В узле: 1
23
130-1009057
Хомут
В узле: 1
24
130-1009058
Трубка
В узле: 1
25
130-1601012
Картер сцепления в сборе
В узле: 1
26
130-1601018-01
Крышка картера сцепления
В узле: 1
27
130-1601040
Щиток картера сцепления в сборе
В узле: 1
28
200220-П29
Болт
В узле: 3
29
200367-П8
Болт
В узле: 2
30
201422-П29
Болт
В узле: 1
31
201452-П29
Болт
В узле: 5
32
201456-П29
Болт
В узле: 6
33
201493-П29
Болт
В узле: 2
34
201499-П29
Болт
В узле: 6
35
201500-П29
Болт
В узле: 1
36
252005-П29
Шайба
В узле: 17
38
252136-П2
Шайба пружинная
В узле: 45
39
252137-П2
Шайба пружинная
В узле: 32
40
252138-П2
Шайба пружинная
В узле: 10
42
252155-П2
Шайба пружинная
В узле: 21
43
252156-П2
Шайба пружинная
В узле: 8
44
252175-П2
Шайба
В узле: 1
45
258054-П29
Шплинт
В узле: 4
46
260312-П
Заглушка
В узле: 1
47
262513-П
Пробка
В узле: 1
48
301219-П
Болт
В узле: 1
49
305024
Пробка магнитная
В узле: 2
50
305062-П
Пробка
В узле: 1
51
305400-П
Штифт установочный
В узле: 1
52
305491-П
Штифт установочный
В узле: 1
53
305768-П
Шайба
В узле: 1
54
306172-П
Штифт установочный
В узле: 1
55
483014-П
Пробка блока цилиндров
В узле: 1
56
486460
Манжета
В узле: 1
57
508.1002062
Заглушка
В узле: 1
Содержащиеся в справочниках-каталогах запасные части и детали не предлагаются к продаже, а носят исключительно информационный характер

Ваша заявка была отправлена. В ближайшее время наши специалисты с Вами свяжутся по указанному Вами телефону.

Представьтесь
Поле обязательно для заполнения
Ваш телефон
Введите правильный номер телефона
E-mail
Введите правильный e-mail
Тема
Тема
применяемость финансирование доставка цена, наличие другое сервис и гарантия
Время для звонка
08:00
08:00 09:00 10:00 11:00 12:00 13:00 14:00 15:00 16:00 17:00 18:00 19:00
19:00
08:00 09:00 10:00 11:00 12:00 13:00 14:00 15:00 16:00 17:00 18:00 19:00

Мы постараемся перезвонить в указанное время

Если вы не хотите ждать, то звоните нашим вежливым консультантам:

8 800 100-2-700
Подтвердите, что вы не робот
Подтвердите, что вы не робот
Спасибо!

Ваше сообщение успешно отправлено!

ЗакрытьПовторить попытку