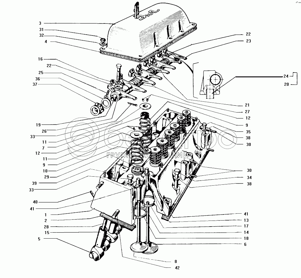
Каталог запасных частей к технике: ЗИЛ-130. Головка блока цилиндров, клапаны и толкатели

zoom-in zoom-out enlarge shrink circle-right circle-left file-text2 info cart arraw right arraw left zoom out zoom in arraw maximize arraw minimize
1
2
3
4
5
6
7
8
9
9
10
11
11
12
12
13
14
15
16
17
18
19
20
21
22
22
23
24
25
26
27
28
29
30
30
31
32
33
33
34
35
36
37
38
38
39
40
41
41
42
130-1003011-20
Головка блока цилиндров с клапанами левая в сборе
В узле: 1
130-1003010-20
Головка цилиндров с клапанами в сборе правая
В узле: 1
307173-П8
Шпилька
В узле: 2
305790-П29
Шайба
В узле: 3
301342-П
Болт
В узле: 1
301341-П
Болт
В узле: 1
130-1007118
Втулка коромысла (комплект)
В узле: 1
130-1007098
Ось с коромыслами и стойками в сборе
В узле: 1
130-1007079-Р1
Седло вставное впускного клапана, увеличенное на 0,3 мм
В узле: 1
130-1007033-Р1
Втулка направляющая выпускного клапана
В узле: 1
130-1007033-ПР
Втулка направляющая выпускного клапана, увеличенная на 0,05 мм
В узле: 1
130-1007032-БР1
Втулка направляющая впускного клапана увеличенная на 0,25 мм (комплект)
В узле: 1
130-1007032-БПР
Втулка направляющая впускного клапана увеличенная на 0,05 мм (комплект)
В узле: 1
130-1007080-Р1
Седло вставное выпускного клапана, увеличенное на 0,3 мм
В узле: 1
1
130-1003012-20
Головка блока цилиндров с седлами и направляющими втулками клапанов в сборе
В узле: 1
2
130-1003020-10
Прокладка головки блока цилиндров в сборе
В узле: 1
3
130-1003260
Крышка в сборе
В узле: 1
4
130-1003270-А
Прокладка крышки головки блока цилиндров
В узле: 1
5
130-1006015
Вал распределительный
В узле: 2
6
130-1007010-Б1
Клапан впускной в сборе
В узле: 1
7
130-1007014-Б
Манжета впускного клапана
В узле: 1
8
130-1007015-Б1
Клапан выпускной в сборе
В узле: 1
9
130-1007020-А
Пружина клапана
В узле: 2
10
130-1007023-А
Шайба клапанной пружины впускного клапана
В узле: 1
11
130-1007024-Б
Тарелка клапанной пружины
В узле: 2
12
130-1007028
Сухарь клапана
В узле: 2
13
130-1007032-Б
Втулка впускного клапана направляющая
В узле: 1
14
130-1007033
Втулка выпускного клапана направляющая
В узле: 1
15
130-1007055-А
Толкатель клапана
В узле: 1
16
130-1007073
Гайка регулировочного винта
В узле: 1
17
130-1007079
Седло вставное впускного клапана
В узле: 1
18
130-1007080
Седло вставное выпускного клапана
В узле: 1
19
130-1007100
Ось коромысел клапанов в сборе
В узле: 1
20
130-1007105-01
Стойка оси коромысла с втулкой в сборе
В узле: 1
21
130-1007106-01
Стойка маслоподводящая
В узле: 1
22
130-1007107-01
Стойка
В узле: 2
23
130-1007110-А
Коромысло клапана с втулкой в сборе
В узле: 1
24
130-1007111
Втулка стойки центрирующая
В узле: 1
25
130-1007117
Винт регулировочный коромысел клапанов
В узле: 1
26
130-1007118-10
Втулка коромысла
В узле: 1
27
130-1007127
Пружина распорная коромысел клапанов
В узле: 1
28
130-1007176-А
Штанга толкателя клапана
В узле: 1
29
130-1007310-02
Механизм вращения выпускного клапана в сборе
В узле: 1
30
131-1008147
Шпилька крепления выпускного коллектора
В узле: 3
31
250510-П29
Гайка
В узле: 19
32
252005-П29
Шайба
В узле: 17
33
258040-П
Шплинт
В узле: 2
34
301339-П
Болт
В узле: 1
35
301340-П
Болт
В узле: 1
36
305608-П
Шайба
В узле: 1
37
305765-П
Шайба оси коромысел пружинная специальная
В узле: 1
38
305814-П29
Шайба
В узле: 3
39
307159-П8
Шпилька
В узле: 1
40
307172-П8
Шпилька
В узле: 2
41
307775-П
Кольцо пружинное
В узле: 2
42
308614-П29
Шпилька
В узле: 2
Содержащиеся в справочниках-каталогах запасные части и детали не предлагаются к продаже, а носят исключительно информационный характер

Ваша заявка была отправлена. В ближайшее время наши специалисты с Вами свяжутся по указанному Вами телефону.

Представьтесь
Поле обязательно для заполнения
Ваш телефон
Введите правильный номер телефона
E-mail
Введите правильный e-mail
Тема
Тема
применяемость финансирование доставка цена, наличие другое сервис и гарантия
Время для звонка
08:00
08:00 09:00 10:00 11:00 12:00 13:00 14:00 15:00 16:00 17:00 18:00 19:00
19:00
08:00 09:00 10:00 11:00 12:00 13:00 14:00 15:00 16:00 17:00 18:00 19:00

Мы постараемся перезвонить в указанное время

Если вы не хотите ждать, то звоните нашим вежливым консультантам:

8 800 100-2-700
Подтвердите, что вы не робот
Подтвердите, что вы не робот
Спасибо!

Ваше сообщение успешно отправлено!

ЗакрытьПовторить попытку